09结构工程师考试(结构力学)备考讲义(14)
更新时间:2010-05-17 14:54:51
来源:|0
浏览
收藏
结构工程师报名、考试、查分时间 免费短信提醒
(三)例题
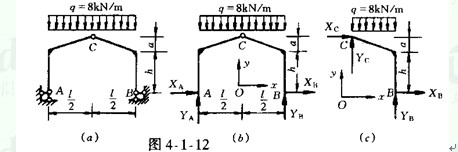
【 例 4—1—l】 图4—1—12a所示为一三铰刚架,其顶部受沿水平方向均匀分布的铅垂荷载的作用,荷载集度为Q=8kN/m。已知:l=12m;h=6m;a=2m,求支座A、B的的反力。刚架自重不计。
【解】 以整体为研究对象,受力图如图4—1—126所示。列平衡方程为


2010年注册结构工程师考试报名时间信息汇总
结构工程师基础科目(一)考试普通化学练习题汇总
2010年结构师考试9月18、19日
更多信息请访问:结构工程师频道 结构工程师论坛
编辑推荐
最新资讯
- 2025年一级注册结构工程师考前实战试题解析:突破考试瓶颈的终极指南‌2025-10-13
- 2025年一级注册结构工程师常考知识点2025-02-17
- 2025年二级注册结构工程师高频知识点2025-02-17
- 2024年度二级注册结构工程师专业考试资料:规范、标准、规程2024-08-13
- 2024年度一级注册结构工程师专业考试资料:规范、标准、规程2024-08-13
- 环球网校双11预售开启!定金百倍膨胀,直播再返现金2023-10-25
- 环球网校结构工程师双11活动来啦,限时优惠!2023-10-25
- 注册结构工程师考试大纲下载2023-05-16
- 2023年一级注册结构工程师考试大纲内容2023-04-14
- 2023年结构工程师教材内容变动对比2023-04-10