结构工程师备考:例题(4)
更新时间:2010-06-10 11:03:43
来源:|0
浏览
收藏
结构工程师报名、考试、查分时间 免费短信提醒
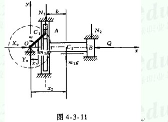
[例4—3—4] 曲柄OA质量为m1,长为r,以匀角速度ω绕O轴转动,并带动滑槽连杆以及与连杆固结的活塞B作往复运动。滑槽连杆和活塞的总质量为m2,作用于活塞上的已知力为Q,如果不计摩擦,求作用于曲柄轴O上的最大水平反力。

【解】 该系统包括两个物体,曲柄OA和滑槽连杆及固结在一起的活塞B,只考虑水平方向的运动。先写出质点系的质心在x方向的坐标公式,再应用质心运动定理求解。
(1)对象 取曲柄OA、滑槽及活塞B所组成的系统为研究对象。
(2)受力分析 作用于系统的水平方向上外力有曲柄轴O处的水平反力X0及作用于活塞上的水平力Q。
(3)运动分析 由于组成质点系的物体为刚体,而且各部分运动显为已知,因此用质心运动定理比较方便。取坐标系Oxy如图4—3—11所示,设t瞬时,曲柄处于x轴正向,则在水平方向系统的质心坐标为

2010年注册结构工程师考试报名时间信息汇总
结构工程师基础科目(一)考试普通化学练习题汇总
2010年结构师考试9月18、19日
更多信息请访问:结构工程师频道 结构工程师论坛
编辑推荐
上一篇:结构工程师备考:例题(3)
下一篇:结构工程师备考:例题(5)
最新资讯
- 2025年一级注册结构工程师考前实战试题解析:突破考试瓶颈的终极指南‌2025-10-13
- 2025年一级注册结构工程师常考知识点2025-02-17
- 2025年二级注册结构工程师高频知识点2025-02-17
- 2024年度二级注册结构工程师专业考试资料:规范、标准、规程2024-08-13
- 2024年度一级注册结构工程师专业考试资料:规范、标准、规程2024-08-13
- 环球网校双11预售开启!定金百倍膨胀,直播再返现金2023-10-25
- 环球网校结构工程师双11活动来啦,限时优惠!2023-10-25
- 注册结构工程师考试大纲下载2023-05-16
- 2023年一级注册结构工程师考试大纲内容2023-04-14
- 2023年结构工程师教材内容变动对比2023-04-10