2011结构工程师第16章-砌体结构例题[6]
16砌体局部受压强度提高的主要原因是:(B)
(A)局部砌体处于三向受力状态; (B)套箍作用和应力扩散作用;
(C)受压面积小; (D)砌体起拱作用而卸荷。
17下面关于配筋砖砌体的说法哪种是正确的?(C)
(A)轴向力的偏心距超过规定限值时,宜采用网状配筋砖砌体;
(B)网状配筋砖砌体抗压强度较无筋砌体提高的主要原因是由于砌体中配有钢筋,钢 筋的强度较高,可与砌体共同承担压力;
(C)网状配筋砖砌体,在轴向压力作用下,砖砌体纵向受压,钢筋弹性模量大,变形 小,阻止砌体受压时横向变形的发展,间接提高了受压承载力;
(D)网状配筋砖砌体的配筋率越大,砌体强度越高,应尽量增大配筋率。
18.砌体受压构件的承载力计算公式中N<φAf,下面哪种说法是正确的?(D)
①A一一毛截面面积;
②A一一扣除孔洞的净截面面积;
③φ一一考虑高厚比卢和轴向力的偏心距e对受压构件强度的影响;
④φ一一考虑初始偏心eo对受压构件强度的影响。
(A)②、③; (B)①、④; (C)②、④; (D)①、③。
19某截面尺寸、砂浆、块体强度等.级都相同的墙体,下面哪种说法是正确的? (B)
(A)承载能力随偏心距的增大而增大;
(B)承载能力随高厚比增加而减小;
(C)承载能力随相邻横墙间距增加而增大;
(D)承载能力不变。
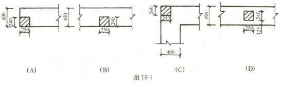
20某截面为250mm X 240mm的钢筋混凝土柱,支承在490mm厚砖墙上,墙用 MU10级砖、M2. 5混合砂浆砌筑,试问图16-1中哪种情况砖墙可能最先发生局压破坏?(A)

2010结构工程师考试成绩查询汇总 2010年结构工程师考后交流正热
2011结构工程师考试辅导招生简章 2011年度结构工程师考试时间确定
最新资讯
- 2025年二级结构工程师考试都是选择题吗?题型分布与备考策略全解析2025-10-30
- 2025年一级注册结构工程师模拟题终极指南:高效备考冲刺全攻略2025-10-30
- 2025年二级结构工程师专业考试模拟题解析,免费下载!备考冲刺必备资料2025-10-29
- 注册结构工程师模拟考试题2023-04-23
- 一级注册结构工程师模拟题下载2023-04-21
- 一级注册结构工程师模拟题2023-04-20
- 2022年一级注册结构工程师试题2022-04-11
- 2021年注册结构工程师考前复习练习题汇总(含模拟题、历年真题)2021-09-28
- 2021年二级注册结构工程师专业考试冲刺试题及答案(十)2021-09-16
- 2021年二级注册结构工程师专业考试冲刺试题及答案(九)2021-09-15