2012年二级结构工程师考试钢结构分析例题(2)
1下面关于砌体强度设计值的调整系数γa的说法哪种是不正确的?(B)$lesson$
(A)验算用水泥砂砌筑的砌体时γa
(B)验算施工中房屋构件时, γa<1,因为砂浆没有结硬;
(C)砌体截面面积A<0.3m2时, γa=0.7+A,因为截面面积较小的砌体构件,局部碰损或缺陷对强度的影响较大;考试用书
(D)验算有吊车房屋或跨度大于9m的房屋时, γa=0.9是因为这两种情况受力复杂。
2用水泥砂浆砌筑的砌体,其抗压强度(B)用同等级混合砂浆砌筑的砌体的抗压 强度。
(A)大于;
(B)小于;
(C)等于;
(D)不一定。
3验算截面尺寸为240mm X 1000mm的砖柱,采用水泥砂浆砌筑,则砌体抗压强 度的调整系数比应取(A)。
(A) 0. 9X (0.24+0. 7) ;
(B) 0. 9;
(C) (0.24+0. 7) ;
(D) 0. 85。
4下面关于配筋砌体构件的强度设计值调整系数比的说法,哪种是不正确?(A)
(A)对配筋砌体构件,当其中砌体采用水泥砂浆时,不需要进行调整;
(B)对配筋砌体构件截面面积小于0.2m2时, γa=0.8+A;
(C)施工质量控制等级为C级, γa=0.89;
(D)对配筋砌体构件,当其中砌体采用水泥砂浆时,仅对砌体强度乘以调整系数γa
5.受压砌体墙的计算高度H0与下面哪项无关(D)。
(A)房屋静力计算方案;
(B)横墙间距;
(C)构件支承条件;
(D)墙体采用的砂浆和块体的强度等级。
1、砌体局部受压强度提高的主要原因是:(B)
(A)局部砌体处于三向受力状态;
(B)套箍作用和应力扩散作用;
(C)受压面积小;
(D)砌体起拱作用而卸荷。
2、下面关于配筋砖砌体的说法哪种是正确的?(C)
(A)轴向力的偏心距超过规定限值时,宜采用网状配筋砖砌体;
(B)网状配筋砖砌体抗压强度较无筋砌体提高的主要原因是由于砌体中配有钢筋,钢 筋的强度较高,可与砌体共同承担压力;
(C)网状配筋砖砌体,在轴向压力作用下,砖砌体纵向受压,钢筋弹性模量大,变形 小,阻止砌体受压时横向变形的发展,间接提高了受压承载力;
(D)网状配筋砖砌体的配筋率越大,砌体强度越高,应尽量增大配筋率。
3、砌体受压构件的承载力计算公式中N<φAf,下面哪种说法是正确的?(D)
①A一一毛截面面积;
②A一一扣除孔洞的净截面面积;
③φ一一考虑高厚比卢和轴向力的偏心距e对受压构件强度的影响;
④φ一一考虑初始偏心eo对受压构件强度的影响。
(A)②、③; (B)①、④; (C)②、④; (D)①、③。
4、某截面尺寸、砂浆、块体强度等.级都相同的墙体,下面哪种说法是正确的? (B)
(A)承载能力随偏心距的增大而增大;
(B)承载能力随高厚比增加而减小;
(C)承载能力随相邻横墙间距增加而增大;
(D)承载能力不变。
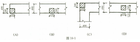
5、某截面为250mm X 240mm的钢筋混凝土柱,支承在490mm厚砖墙上,墙用 MU10级砖、M2. 5混合砂浆砌筑,试问图16-1中哪种情况砖墙可能最先发生局压破坏?(A)

最新资讯
- 2025年二级结构工程师考试都是选择题吗?题型分布与备考策略全解析2025-10-30
- 2025年一级注册结构工程师模拟题终极指南:高效备考冲刺全攻略2025-10-30
- 2025年二级结构工程师专业考试模拟题解析,免费下载!备考冲刺必备资料2025-10-29
- 注册结构工程师模拟考试题2023-04-23
- 一级注册结构工程师模拟题下载2023-04-21
- 一级注册结构工程师模拟题2023-04-20
- 2022年一级注册结构工程师试题2022-04-11
- 2021年注册结构工程师考前复习练习题汇总(含模拟题、历年真题)2021-09-28
- 2021年二级注册结构工程师专业考试冲刺试题及答案(十)2021-09-16
- 2021年二级注册结构工程师专业考试冲刺试题及答案(九)2021-09-15
