2008年全国注册监理工程师考试案例分析真题
更新时间:2009-10-19 15:27:29
来源:|0
浏览
收藏
监理工程师报名、考试、查分时间 免费短信提醒
摘要 2008年全国注册监理工程师考试案例分析真题
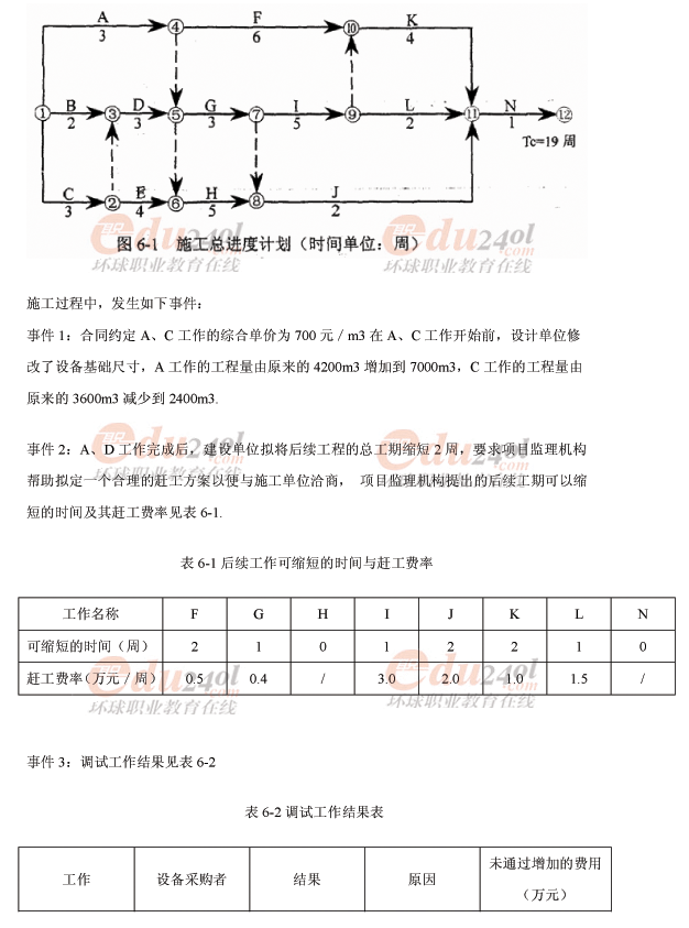
2008年度全国监理工程师执业资格考试试卷--建设工程监理案例分析真题










?2009年注册监理工程师考试全程备考指南
?2009年监理工程师考试网上辅导招生简章推出
?报监理工程师网络班学习 赠09年教材或教辅
编辑推荐
最新资讯
- 注册监理工程师真题高效刷题法:2026年考前冲刺的终极提分策略2026-04-09
- 监理工程师历年真题及答案(2017-2025年汇总):2026年备考冲刺的“速领速练”终极宝典2026-04-09
- 25年监理工程师案例真题速领:2026年备考冲刺的“压舱石”与“指南针”2026-04-09
- 监理工程师历年真题:2026年备考通关的“金钥匙”与“路线图”2026-04-09
- 注册监理工程师真题解析视频讲解-工程项目组织依次施工的特点2025-11-27
- 监理工程师真题解析视频讲解-价值工程对象选择的方法2025-11-27
- 全国注册监理工程师历年真题免费领!含答案解析2025-11-05
- 免费下载!监理工程师土建历年真题2025-10-15
- 免费下载!监理工程师法规历年真题及解析2025-10-13
- 监理工程师真题解析视频讲解-建设工程组织平行施工的特点2025-10-11