2011年监理工程师质量、投资、进度控制真题及答案
一、单项选择题(共80题,每题1分。每题的备选项中,只有1个最符合题意)
1.质量是指“一组固有特性满足要求的程度”,其中,“要求”是指( )的需要和期望。
A.供方和需方
B.组织和个人
C.明示和隐含
D.一般和特殊
2.任何建筑产品在适用、耐久、安全、可靠、经济以及与环境协调性方面都必须达到基
本要求。但不同专业的工程,其环境条件、技术经济条件的差异使其质量特点有不同的( )。
A.侧重面
B.选择范围
C.内在界限
D.内在关系
3.加强隐蔽工程质量验收和监督管理,是基于工程质量具有( )的特点而提出的要求。
A.影响因素多
B.波动大
C.终检局限性
D.评价方法特殊性
4.选择合适的承包单位是工程质量管理的重要环节,工程承发包管理属于( )的管理职能。
A.业主
B.政府
C.监理单位
D.施工单位
5.某工程勘察设计企业已具有市政公用工程行业的桥梁、隧道工程甲级勘察设计资质。该企业还可承担( )的勘察设计业务。
A.全国范围所有工程
B.企业所在地区工程
C.建筑行业所有工程
D.公路、铁道行业桥梁、隧道工程
6.在设计展开阶段,监理工程师进行质量控制的工作内容之一是( )。
A.优选设计单位
B.编制设计大纲
C.参与主要材料、设备选型
D.提供设计基础资料
7.对初步设计阶段的无法明确或具体解决的重大技术问题,应通过( )的阶段,以满足设计质量的要求。
A.扩初设计
B.技术设计
C.施工图设计
D.方案设计
8.按施工层次划分工程质量控制的系统过程时,最基本的控制对象是( )。
A.原材料和构(配)件
B.施工机械与设备
C.施工作业过程
D.分部工程
9.在施工承包企业的资质管理中,根据施工承包企业的( )将其资质划分为三个序列。
A.工程性质
B.企业规模
C.承包能力
D.专业等级
10.对于规模大、工艺复杂、需要分期出图的工程项目,承包单位要求分阶段报审施工组织设计的,应经过( )批准。
A.建设单位
B.设计单位
C.监理单位
D.质检部门
11.监理工程师在对承包单位材料、构(配)件采购订货的质量控制中,应要求承包单位向供货方索取( ),用于证明其质量符合要求。
A.质量计划
B.质量文件
C.质量信息
D.质量手册
12.施工总承包单位应将所签订的分包协议副本报送( )备案。
A.建设单位
B.建设单位代表
C.监理工程师
D.设计单位
13.施工作业技术交底的目的在于加强承包人对( )施工人员的技术指导。
A.单项工程
B.单位工程
C.分部工程
D.分项工程
14.施工过程中,材料的检验需要见证取样的,见证由( )负责。
A.业主代表
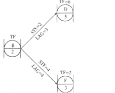
B.政府质量监督员
C.监理工程师
D.施工项目经理
15.监理工程师对施工质量的检查验收,必须在承包单位自检合格的基础上进行,自检是指( )。
A.工序作业者的自检验
B.前后工序交接检验
C.专职质检员的检验
D.作业者自检、交接检和专检
16.施工承包单位要求变更或修改设计图样的某些内容时,按现行规范的规定,应该向项目监理机构提交( )请求批准。
A.设计变更
B.技术修改单
C.工程变更单
D.技术核定单
17.当隐蔽工程列为施工质量见证点时,监理工程师在隐蔽前所进行的监督检查,除见证
施工过程外,还要见证( )。
A.施工环境状况
B.施工作业条件
C.劳动组织及工种配合状况
D.隐蔽部位的覆盖过程
18.在填方工程的密实度检测中,监理工程师可通过( )现场检测取点验证其合理性。
A.作业管理
B.计量管理
C.计划管理
D.组织管理
19.监理工程师可使用指令文件及一般管理文书,控制承包单位的施工质量和施工行为。下列文件中,属指令文件的是( )。
A.监理工程师通知
B.监理工程师函
C.施工例会纪要
D.协调事项备忘录
20.生产厂方直接运至工地组装、调试的大型设备,应在其自检合格后,由( )组织复核,经复核合格才能予以验收。
A.建设单位代表
B.监理工程师
C.施工总承包单位
D.设备系统的运营单位
21.大型设备基础在设备安装就位前,监理工程师应按规定程序对其进行检查,土建施工部门应提交( )供监理工程师审查。
A.混凝土强度测试报告
B.基础预压及沉降观测记录
C.施工依据及质量控制资料
D.基础预压后的观测记录
22.在建筑工程施工验收统一标准和规范体系中,作为支持性的建筑施工工艺操作规程属
于( )标准。
A.企业
B.行业
C.部门
D.国家
23.对检验批基本质量起决定性作用的主控项目,必须全部符合有关( )的规定。
A.检验技术规程
B.专业工程验收规范
C.统一验收标准
D.工程监理规范
24.对于经过返修或加固的分部工程、分项工程,可按技术处理方案和协商文件进行检验的前提是( )。
A.不改变结构的外观尺寸
B.不造成永久性缺陷
C.不影响主要功能和正常使用寿命
D.不影响安全和主要使用功能
25.工程质量事故的技术处理方案,一般应委托( )提出。
A.原设计单位
B.工程检测加固单位
C.事故调查组建议的单位
D.政府质量监督部门
26.当需要使用施工作业工序抽样检验所得到的质量特性数据,分析工序质量的状况及原因时,可通过绘制( )进行观察判断。
A.直方图
B.排列图
C.管理图
D.相关图
27.施工单位采购的某类钢材分多批次进场时,为了保证在抽样检测中样品分布均匀、更具代表性,最合适的随机抽样方法是( )。
A.分层抽样
B.等距离法抽样
C.整群抽样
D.多阶段抽样
28.实施质量管理的系统方法,需要采取的措施之一是建立一个( )的质量管理体系。
A.以顾客为关注焦点
B.以过程方法为主导
C.以全员参与为动力
D.以持续改进为目标
29.下列费用中,属于建设工程动态投资的是( )。
A.基本预备费
B.涨价预备费
C.工程建设其他费
D.设备及工(器)具购置费
30.建设项目投资决策后,投资控制的关键阶段是( )。
A.设计阶段
B.施工招标阶段
C.施工阶段
D.竣工阶段
31.某进口设备,按人民币计算的离岸价为200万元,到岸价为250万元,进口关税率为10%,增值税率为17%,无消费税,该进口设备应缴纳的增值税额为( )万元。
A.34.00
B.37.40
C.42.50
D.46.75
32.某工程,直接工程费为500万元,以直接费为基础计算建筑安装工程费,其中,措施费为直接工程费的5%,间接费费率为10%,利润率为4%,综合计税系数为3.41%,该工程的建筑安装工程含税造价为( )万元。
A.612.05
B.616.40
C.618.9l
D.621.08
33.某工程,设备与工(器)具购置费为600万元,建筑安装工程费为1000万元,工程建设其他费为100万元,基本预备费率为10%,该工程项目的基本预备费应为( )万元。
A.100
B.160
C.170
D.200
34.预算定额是完成规定计量单位的( )进行计价的人工、材料、施工机械台班消耗量的标准。
A.扩大施工工序
B.扩大分部工程
C.分部工程
D.分项工程
35.下列选项中,属于其他直接费定额的是( )。
A.企业管理费定额
B.夜间施工增加费定额
C.机械消耗定额
D.建设单位管理费定额
36.采用工程量清单方式招标时,由( )负责工程量清单准确性和完整性。
A.招标人
B.投标人
C.评标委员会
D.项目业主
37.下列关于分部分项工程工程量清单的说法中,正确的是( )。
A.清单为可调整的闭口清单
B.投标人不必对清单项目逐一计价
C.投标人可以根据具体情况对清单的列项进行变更和增减
D.投标人不得对清单中内容不妥或遗漏的部分进行修改
38.项目可行性研究工作小组在完成市场调查和预测后,下一步的工作是( )。
A.制订工作计划
B.编制与优化方案
C.进行项目评价
D.编制可行性研究报告
39.某拟建项目,预计年生产能力为12000件,已建同类项目的建设投资额为8000万元,生产能力为6000件。若价格调整系数为1.5,为简化计算,设生产能力指数为1,若采用生产能力指数法估算,该拟建项目的建设投资额为( )万元。
A.16000
B.24000
C.28000
D.30000
40.某企业从银行贷款200万元,年贷款复利利率为4%,贷款期限为6年,6年后一次性还本付息。该笔贷款还本付息总额为( )万元。
A.243.33
B.245.00
C.252.50
D.253.06
41.下列财务评价指标中,属分析项目偿债能力的是( )。
A.投资回收期
B.总投资收益率
C.项目资本金净利润率
D.利息备付率
42.某建设项目选定项目投资、产品价格、产品成本和产量四个不确定因素,根据±10% 的变化幅度分析其对项目总投资收益率的影响,分析数据见下表。因素变化对财务内部收益率的影响

用平均敏感度方法判定,四个不确定因素中最敏感的因素是( )。
A.项目投资
B.产品价格
C.产品成本
D.产量
43.采用强制确定法对某工程四个分项工程进行价值工程对象的选择,各分项工程的功能系数和成本系数见下表。
|
分项工程 |
甲 |
乙 |
丙 |
丁 |
|
功能系数 |
0.345 |
0.210 |
0.311 |
0.134 |
|
成本系数 |
0.270 |
0.240 |
0.270 |
0.210 |
根据计算,应优先选择分部工程( )为价值工程对象。
A.甲
B.乙
C.丙
D.丁
44.我国实行的工程量清单计价所采用的综合单价中不包括( )。
A.直接工程费
B.企业管理费
C.利润
D.税金
45.拟建工程与在建工程采用同一施工图编制预算,但两者的基础部分和现场施工条件部
分存在不同。对于相同部分的施工图预算审查,应优先采用的审查方法是( )。
A.标准预算审查法
B.分组计算审查法
C.对比审查法
D.“筛选”审查法
46.当初步设计的设备清单不完备,或仅有成套设备的重量时,此时可采用( )编制设备安装工程概算。
A.综合扩大单价法
B.概算指标法
C.修正概算指标法
D.预算单价法
47.估算T程量单价合同结算工程价款采用的数据是合同中确定的分部分项工程单价和( )。
A.工程量清单中确定的工程量
B.施工前的估算工程量
C.合同双方商定的工程量
D.承包人实际完成的工程量
48.对工程范围明确,但工程量不能准确计算,却急需开工的紧迫工程,应采用( )合同形式。
A.估计工程量单价
B.纯单价
C.可调总价
D.可调单价
49.招标控制价是招标人根据政府主管部门发布的有关计价依据和办法,按( )计算的对招标工程限定的最高工程造价。
A.概算指标
B.施工图样
C.估算指标
D.基础定额
50.投标人投标时,如果发现招标文件、工程说明书、合同条款不够明确,或条款不很公正,技术规范要求过于苛刻,宜采用的投标报价方法是( )。
A.多方案报价法
B.不平衡报价法
C.突然降价法
D.先亏后盈法
51.下列施工阶段投资控制措施中,属于组织措施的是( )。
A.编制资金使用计划
B.编制详细的工作流程图
C.对设计变更进行技术经济分析
D.对投资支出做好分析与预测
52.根据FIDIC《施工合同条件》,建筑工程保险费、履约保证金等项目的工程计量适合采用( )。
A.凭据法
B.估价法
C.均摊法
D.分解计量法
53.某工程由于承包人原因未在约定的工期内竣工,若该工程在原约定竣工日期后继续施工,则采用价格指数调整其价格差额时,现行价格指数应采用( )。
A.原约定竣工日期的价格指数
B.实际竣工日期的价格指数
C.原约定竣工日期和实际竣工日期价格指数中较低的一个
D.实际竣工日期前42天的价格指数
54.投资偏差分析中的拟完工程计划投资是指( )之积。
A.拟完工程量和实际单价
B.拟完工程量和计划单价
C.已完工程量和实际单价
D.已完工程量和计划单价
55.下列关于竣工决算的说法中,正确的是( )。
A.竣工决算反映了承包方承包建筑工程的全部费用
B.竣工决算是承包方与业主办理工程价款最终结算的依据
C.竣工决算是业主办理交付使用、核定各类新增资产价值的依据
D.竣工决算是双方签订的建筑安装工程承包合同终结的凭证
56.下列建设投资费用中,应计入新增固定资产价值的是( )。
A.土地使用权出让金
B.融资费用
C.专有技术使用费
D.样品样机购置费
57.下列建设工程进度控制措施中,属于监理工程师采用的组织措施是( )。
A.编制进度控制工作细则
B.分析进度控制目标风险
C.建立进度协调会议制度
D.定期收集实际进度数据
58.下列任务中,属于建设工程实施阶段监理工程师进度控制的任务是( )。
A.审查施工总进度计划
B.编制单位工程施工进度计划
C.编制详细的出图计划
D.确定建设工期总目标
59.用横道图来表示工程进度计划,其不足是不能明确反映( )。
A.整个工程单位时间内的资源需求量
B.各项工作的开始时间和完成时间
C.各项工作之间的搭接时间
D.工程费用与工程总工期之间的关系
60.建设工程施工组织方式中,平行施工方式具有的特点是( )。
A.各工作队实现了专业化施工
B.施工现场的组织、管理比较复杂
C.没有充分利用工作面进行施工
D.单位时间内投入的资源量较大
61.在组织流水施工时,某施工过程(专业工作队)在单位时间内所完成的工作量称为( )。
A.流水节拍
B.流水步距
C.流水时间
D.流水强度
62.某工程由5个施工过程组成,分为3个施工段组织固定节拍流水施工。在不考虑提前插入时问的情况下,要求流水施工工期不超过42天,则流水节拍的最大值为( )。
A.4
B.5
C.6
D.8
63.某建筑物基础工程的施工过程、施工段的划分及流水节拍(单位:天)见下表,如果组织非节奏流水施工,则基础工程的施工工期应为( )天。
|
施工过程 |
施工段 | |||
|
基础一 |
基础二 |
基础三 |
基础四 | |
|
开挖 |
3 |
4 |
2 |
6 |
|
浇筑 |
4 |
2 |
6 |
8 |
|
回填 |
2 |
3 |
7 |
9 |
A.28
B.29
C.32
D.35
64.某工程双代号网络计划如下图所示,其中工作G的最早开始时间为第( )天。

A.6
B.9
C.10
D.12
65.某工程网络计划中工作B的持续时间为5天,其两项紧前工作的最早完成时间分别为第6天和第8天,则工作B的最早完成时间为第( )天。
A.6
B.8
C.11
D.13
66.在单代号网络计划中,关键线路是指( )的线路。
A.各项工作持续时间之和最小
B.由关键工作组成
C.相邻两项工作之间时间间隔为零
D.各项工作自由时差均为零
67.关于工程网络计划工期优化的说法中,正确的是( )。
A.当出现多条关键线路时,应选择其中一条最优线路缩短其持续时间
B.应选择直接费率最小的非关键工作作为缩短持续时问的对象
C.工期优化的前提是不改变各项工作之间的逻辑关系
D.工期优化过程中须将关键工作压缩成非关键工作
68.下列关于工程费用与工期关系的说法中,正确的是( )。
A.直接费会随着工期的增加而增加
B.直接费率会随着工期的增加而减少
C.间接费会随着工期的增加而增加
D.间接费率会随着工期的增加而减少
69.工程网络计划资源优化的目标是( )。
A.在工期保持不变的条件下使资源需用量尽可能均衡
B.在满足资源限制的条件下使工期保持不变
C.在工期最短的条件下使工程总成本最低
D.寻求工程总成本最低时的工期安排
70.某工程单代号搭接网络计划中工作B、D、E之间的搭接关系和时间参数如下图所示,工作D和工作E的总时差分别为6天和2天,则工作B的总时差为( )天。

A.6
B.8
C.9
D.12
71.某工程单代号搭接网络计划如下图所示,其中关键工作有( )。

A.工作A和工作B
B.工作C和工作D
C.工作B和工作D
D.工作C和工作E72.下列工作中,属于建设工程进度监测工作的是( )。
A.确定后续工作及总工期的限制条件
B.加工处理实际进度数据
C.分析进度偏差产生的原因
D.分析进度偏差对总工期的影响
73.下列方法中,既适用于工作实际进度与计划进度之间的局部比较,又可用来分析和预测工程项目整体进度状况的方法是( )。
A.匀速进展横道图比较法
B.S曲线比较法
C.非匀速进展横道图比较法
D.前锋线比较法
74.在工程进度计划执行过程中,如果某项工作的进度偏差超过自由时差时,则该工
作( )。
A.进度偏差影响工程总工期
B.进度偏差影响其后续工作的最早开始时间
C.由非关键工作改变为关键工作
D.总时差大于零
75.监理工程师受建设单位委托控制建设工程设计进度时,应主要审核设计单位的( )。
A.技术经济定额
B.技术经济责任制
C.设计图样进度表
D.设计质量考核制度
76.下列内容中,应列入施工进度控制工作细则的是( )。
A.进度控制的方法和措施
B.进度计划协调性分析
C.工程材料的进场安排
D.保证工期的技术措施选择
77.在建设工程施工过程中,因施工单位原因造成实际进度拖后,监理工程师确认施工单位修改后的施工进度计划,说明( )。
A.排除施工单位应负的责任
B.批准合同工期延长
C.施工进度计划满足合同工期要求
D.同意施工单位在合理状态下施工
78.编制施工总进度计划时,组织全工地性流水作业应以( )的单位工程为主导。
A.工程量大、工期短
B.工程量大、工期长
C.工程量小、工期短
D.工程量小、工期长
79.建设工程施工阶段,为加快施工进度可采取的组织措施是( )。
A.采用更先进的施工机械
B.改进施工工艺
C.增加每天的施工时间
D.改善劳动条件
80.物资供应计划编制的任务是在确定计划需求量的基础上,经过综合平衡后,提出( )。
A.申请量和采购量
B.采购量和库存量
C.库存量和供应量
D.供应量和申请量
二、多项选择题(共40题,每题2分。每题的备选项中,有2个或2个以上符合题意,至少有1个错项。错选,本题不得分;少选,所选的每个选项得0.5分)
81.建设单位在工程开工前应负责向建设行政管理部门办理( )等手续。
A.建设资金审查
B.施工图文件审查
C.工程施工许可证
D.工程质量监督
E.大型施工机械进场许可
82.政府监督管理工程质量的职能主要体现在( )。
A.建立和完善工程质量法规体系
B.建立和落实工程质量责任制度
C.建设活动主体资格及承发包管理
D.建筑企业质量体系认证
E.控制工程建设程序
83.设计准备阶段监理工程师进行质量控制的主要工作有( )。
A.组建项目监理机构,编制监理规划
B.组织设计招标或方案竞赛
C.编制设计任务书,确定质量要求和标准
D.优选设计单位,配合业主签订设计合同
E.审查设计工作组织与任务分工
84.应由监理工程师负责组织或主持的与设计质量控制有关的活动有( )。
A.施工图审核
B.施工图会审
C.设计交底准备
D.设计交底会议
E.设计交底会议纪要整理
85.施工准备阶段监理工程师审查施工企业项目经理部质量管理体系的主要内容有( )。
A.项目管理目标责任书
B.项目经理部的组织机构
C.项目质量管理的规章制度
D.主要管理人员及特种作业人员的资格证、上岗证
E.试验室
86.项目监理机构审查后的施工组织设计,需报送监理单位技术负责人审查后提出意见的工程项目包括( )。
A.一般中小型的工程
B.规模大、技术复杂的工程
C.新型结构工程
D.特种结构工程
E.临时设施工程
87.监理工程师要严把开工关,就必须对承包单位的( )等工作质量进行控制。
A.工程定位轴线及标高基准的建立
B.现场施工平面图布置
C.生产要素配置
D.设计交底与图样现场核对
E.承包单位的责任目标确定
88.某分部工程设置为施工质量控制点,用解析图表示质量预控与措施时,对策图部分反
映的内容有( )。
A.该分部工程的施工阶段划分
B.质量控制有关的技术工作
C.影响施工质量的各种因素
D.各阶段质量控制的管理要求
E.所采取的对策或措施
89.根据《建设工程监理规范》,施工承包单位采购的材料、构(配)件、设备进场前,必须向项目监理机构提交工程材料/构(配)件/设备报审表,随表的附件应包括( )。
A.采购合同复印件
B.数量清单
C.质量证明文件
D.复检结果
E.自检结果
90.监理工程师应对施工单位施工过程中的( )等工作质量进行监控。
A.技术复核
B.材料取样送检
C.级配、计量
D.控制点设置
E.质量记录资料
91.向生产厂家订购设备前,对合格供货商的评审内容有( )。
A.企业性质和生产规模
B.经营范围和生产许可证
C.生产能力和技术水平
D.质量管理体系的运行和产品质量状况
E.检验检测手段及实验室资质
92.质量控制资料的完整性是检验批质量合格的前提,这是因为它反映了检验批从原材料到验收的各施工工序的( )。
A.施工操作依据
B.质量保证所必需的管理制度
C.过程控制
D.质量检查情况
E.质量特性指标
93.工程质量问题处理之后,监理工程师应写出质量问题处理报告,报送( )存档备案。
A.质量监督机构
B.建设单位
C.监理单位
D.设计单位
E.勘察单位
94.一组随机抽样检验数据做成的直方图,要能说明生产过程质量稳定,正常情况下其直方图的构成与特点应反映出( )。
A.明确的质量标准上、下界限
B.直方图为正态分布型
C.直方图位置居中分布
D.直方图分布中心与标准中心重合
E.直方图与上、下界限有一定余地
95.项目监理机构施工阶段投资控制的主要任务有( )。
A.编制招标工程标底
B.提供费用索赔的依据
C.进行工程计量
D.审查施工图预算
E.对工程造价目标进行风险分析
96.分部分项工程材料费的构成包括( )。
A.材料在运输装卸过程中不可避免的损耗费
B.材料仓储费
C.新材料的试验费
D.对建筑材料进行一般鉴定、检查所发生的费用
E.为验证设计参数,对构件做破坏性试验的费用
97.根据《建设工程工程量清单计价规范》(GB50500―2008),安全文明施工费包括( )。
A.环境保护费
B.临时设施费
C.施工降水费
D.二次搬运费
E.冬雨期施工增加费
98.建设项目费用构成中,引进技术和进口设备其他费包括( )。
A.分期或延期付款利息
B.进口设备维修保养费
C.进口设备检验鉴定费用
D.担保费
E.国外工程技术人员来华费用
99.根据适用范围,建设工程定额分为( )。
A.国家定额
B.地区定额
C.行业定额
D.基础定额
E.企业定额
100.根据《建设工程工程量清单计价规范》(GB50500―2008),下列费用项目中,属于其他项目清单的有( )。
A.暂列金额
B.暂估价
C.应急费
D.未明确项目的准备金
E.计日工
101.建设投资估算的主要办法有( )。
A.资金周转率法
B.分项详细估算法
C.比例估算法
D.概算指标法
E.扩大指标估算法
102.不确定性分析的主要方法有( )。
A.盈亏平衡分析法
B.价值工程分析法
C.敏感性分析法
D.概率分析法
E.ABC分析法
103.某大学新建校区有一实验楼单项工程,下列费用中应列入实验楼单项工程综合概算的有( )。
A.分摊到实验楼的土地使用费
B.实验楼的土建工程费
C.实验楼的给水排水工程费
D.实验楼的设备及安装工程费
E.分摊到实验楼的建设期利息
104.当项目实际工程量与估计工程量没有实质性差别时,由承包人承担工程量变化风险的合同形式有( )。
A.固定总价合同
B.纯单价合同
C.成本加奖励合同
D.可调总价合同
E.成本加固定百分率酬金合同
105.运用某一投标策略时,针对不平衡报价策略的具体方式有( )。
A.能够早期结算的工程,单价定高些
B.估计施工中工程量可能会减少的项目,单价定高些
C.工程内容说明不清的工程,单价定高些
D.没有工程量,只填单价的项目,单价定高些
E.对于零星用工,单价定高些
106.根据FIDIC《施工合同条件》,出现( )情况且对承包商造成影响时,承包商也不能索赔利润。
A.不可抗力
B.法规改变
C.业主未能提供现场
D.文件有技术错误
E.暂停施工
107.下列承包商增加的人工费中,可以向业主索赔的有( )。
A.特殊恶劣气候导致的人员窝工费
B.法定人工费增长而增加的人工费
C.由于非承包商责任的工效降低而增加的人工费
D.监理工程师原因导致工程暂停的人员窝工费
E.完成合同之外的工作增加的人工费
108.FIDIC《施工合同条件》下,属于工程量清单以外支付项目的有( )。
A.暂列金额
B.动员预付款
C.保留金
D.价格调整费用
E.工程变更费用
109.下列建设工程进度控制措施中,属于监理工程师采取的技术措施有( )。
A.审查施工单位提交的进度计划
B.建立工程进度报告制度
C.协调进度计划与合同工期之间的关系
D.应用网络计划技术控制工程进度
E.协助施工单位编制施工组织设计
110.为保证工程建设中各个环节相互衔接,工程项目进度平衡表中应明确的内容包括( )。
A.各种设计文件交付日期
B.主要设备交货日期
C.施工单位进场日期
D.工程材料进场日期
E.水、电及道路接通日期
111.在组织流水施工时,确定流水节拍应考虑的因素有( )。
A.所采用的施工方法和施工机械
B.相邻两个施工过程相继开始施工的最小间隔时间
C.施工段数目
D.在工作面允许的前提下投入的劳动量和机械台班数量
E.专业工作队的工作班次
112.加快的成倍节拍流水施工的特点有( )。
A.相邻施工过程的流水步距相等,且等于流水节拍
B.专业工作队数大于施工过程数
C.施工段之间没有空闲时间
D.同一施工过程在其各施工段上的流水节拍成倍数关系
E.施工过程数等于施工段数
113.在下列双代号网络图中,互为平行工作的有( )。

A.工作A和工作B
B.工作A和工作E
C.工作A和工作G
D.工作B和工作G
E.工作B和工作c
114.根据绘图规划,下列双代号网络图中的绘图错误有( )。

A.有多余虚工作
B.存在循环回路
C.节点编号有误
D.有多个起点节点
E.从箭线上引出箭线
115.某工程单代号网络计划如下图所示,图中关键工作有( )。

.工作A
B.工作B
C.工作C
D.工作D
E.工作E
116.某工程双代号时标网络计划如下图所示,该计划表明( )。

A.工作c的自由时差为2天
B.工作E的最早开始时间为第4天
C.工作D为关键工作
D.工作H的总时差为零
E.工作B的最近完成时间为第1天
117.某工作的计划进度与实际进度如下图所示,图中表明该工作( )。

A.在第1周内实际进度拖后
B.到第2周末拖欠5%的任务量
C.在第3周内按计划正常运行
D.在第4周前半周末按计划执行
E.到第6周末未按计划完成
118.某工程双代号时标网络计划进行到第6周末和第1O周末时,检查其实际进度如下图前锋线所示,检查结果表明( )。

A.第6周末检查时,工作A拖后2周,不影响总工期
B.第6周末检查时,工作E进展正常,不影响总工期
C.第6周末检查时,工作G尚未开始,不影响总工期
D.第10周末检查时,工作H拖后1周,不影响总工期
E.第10周末检查时,工作J拖后1周,不影响总工期
119.监理工程师审核施工进度计划的内容有( )。
A.进度安排是否符合施工合同中开工、竣工日期的约定
B.劳动力、工程材料进场安排是否与工程量清单相一致
C.分期施工是否满足分散动用或配套动用的要求
D.施工管理及现场作业人员的职责分工是否明确
E.在生产要素的需求高峰期是否有足够能力实现计划供应
120.下列关于编制单位工程施工进度计划的说法中,正确的有( )。
A.最小工作面限定了每班安排人数的上限
B.每天的工作班数应根据安排的工人数和机械数确定
C.最小劳动组合限定了每班安排人数的下限
D.施工顺序通常受施工工艺和施工组织两方面的制约
E.应根据施工图和工程量计算规则计算每项工作的工程量
查看更多内容>> 监理工程师考试频道 监理工程师考试论坛 监理工程师课程免费试听
?2012年注册监理工程师考试网上辅导招生简章推出
?2012年监理工程师VIP套餐 不过第二年免费重学!
?环球网校2011年监理工程师考试辅导通过率高达91.26%
最新资讯
- 注册监理工程师真题高效刷题法:2026年考前冲刺的终极提分策略2026-04-09
- 监理工程师历年真题及答案(2017-2025年汇总):2026年备考冲刺的“速领速练”终极宝典2026-04-09
- 25年监理工程师案例真题速领:2026年备考冲刺的“压舱石”与“指南针”2026-04-09
- 监理工程师历年真题:2026年备考通关的“金钥匙”与“路线图”2026-04-09
- 注册监理工程师真题解析视频讲解-工程项目组织依次施工的特点2025-11-27
- 监理工程师真题解析视频讲解-价值工程对象选择的方法2025-11-27
- 全国注册监理工程师历年真题免费领!含答案解析2025-11-05
- 免费下载!监理工程师土建历年真题2025-10-15
- 免费下载!监理工程师法规历年真题及解析2025-10-13
- 监理工程师真题解析视频讲解-建设工程组织平行施工的特点2025-10-11