2013公路监理师考试《综合知识》摸底题45
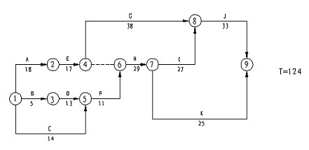
业主与施工单位对某工程建设项目签订了施工合同,合同中规定,在施工过程中,如因业主原因造成窝工,则人工窝工费和机械的停工费可按工日费和台班费的50%结算支付。业主还与监理单位签订了施工阶段的监理合同,合同中规定监理工程师可直接签证、批准5天以内的工期延期和5000元人民币以内的单项费用索赔。工程按下列网络计划进行。其关键线路为A-E―H―I―J。在计划招待过程中,出现了下列一些情况,影响一些工作暂时停工。(同一工作由不同原因引起的停工时间都不在同一时间)

1. 因业主不能及时供应材料,使E延误3天,G延误2天,H延误3天。
2. 因机械发生故障检修,使E延误2天,G延误2天。
3. 因业主要求设计变更,使F延误3天。
4. 因公网停电,使F延误1天,I延误1天。
施工单位及时向监理工程师提交了一份索赔申请报告,并附有有关资料、证据和下列要求:
1. 工期顺延:E停工5天,F停工4天,G停工4天,H停工3天,I停工1天,总计要求工期顺延17天。
2. 经济损失索赔
(1) 机械设备窝工费
E工序吊车 (3+2)台班×240元/台班=1200元
F工序搅拌机 (3+1)台班×70元/台班=280元
G工序小型机械 (2+2)台班×55元/台班=220元
H工序搅拌机 3台班×70元/台班=210元
合计机械设备窝工费 1910元
(2) 人工窝工费
E工序 5天×30人×28元/工日=4200元
F工序 4天×35人×28元/工日=3920元
G工序 4天×15人×28元/工日=1680元
H工序 3天×35人×28元/工日=2940元
I工序 1天×20人×28元/工日=560元
合计人工窝工费 13300元
(3) 间接费增加 (1910+13300)×16%=2433.6元
(4) 利润损失 (1910+13300+2433.6)×5%=882.18元
总计经济索赔额 1910+13300+2433.6+882.18=18525.78元
问题
1. 施工单位索赔申请书提出的工序顺延时间、停工人数、机械台班数和单价的数据等,经审查后均真实。监理工程师对所附各项工期顺延、经济索赔要求,如何确定认可?为什么?
2. 监理工程师对认可的工期顺延和经济索赔金如何处理?为什么?
答题提示:
1. 关于工期顺延和经济索赔
(1) 工期顺延(重新画网络图,计算工期)
由于非施工单位原因造成的工期延误,应给予补偿;
①因业主原因:E工作补偿3天,H工作补偿3天,G工作补偿2天;
②因业主要求变更设计:F工作补偿3天;
③因公网停电:F工作补偿1天,I工作补偿1天。
应补偿的工期:131-124=7天
监理工程师认可顺延工期7天。
(2) 经济索赔
①机械闲置费:(3×240+4×70+2×55+3×70)×50%=660元
②人工窝工费:(3×30+4×35+2×15+3×35+1×20)×50%=5390元
③因属暂时停工,间接费损失不予补偿。
④因属暂时停工,利润损失不予补偿。
经济补偿合计:660+5390=6050元
2. 关于认可的工期顺延和经济索赔处理因经济补偿金额超过监理工程师5000元的批准权限,以及工期顺延天数超过了监理工程师5天的批准权限,故监理工程师审核签证经济索赔金额及工期顺延证书均应报业主审查批准。
环球网校友情提示:如果您在此过程中遇到任何疑问,请登录环球网校公路监理师论坛,随时与广大考生朋友们一起交流!
编辑推荐:
最新资讯
- 2016年公路监理师《道路与桥梁》模拟试卷三2015-11-19
- 2016年公路监理师《道路与桥梁》模拟试卷汇总2015-11-18
- 2016年公路监理师《道路与桥梁》模拟试卷二2015-11-18
- 2016年公路监理师《道路与桥梁》模拟试卷一2015-11-18
- 2016年公路监理师《综合知识》模拟试卷四2015-10-28
- 2016年公路监理师《综合知识》模拟试卷三2015-10-28
- 2016年公路监理师《综合知识》模拟试卷汇总2015-10-27
- 2016年公路监理师《综合知识》模拟试卷一2015-10-27
- 2016年公路监理师《工程经济》模拟试卷汇总2015-10-15
- 2016年公路监理师《工程经济》模拟试卷四2015-10-15