一级建造师辅导资料:危险源的识别和风险控制
一、危险源$lesson$
危险源分为两大类,即第一类危险源和第二类危险源。
(一)第一类危险源
能量和危险物质的存在是危害产生的最根本原因,通常把可能发生意外释放的能量(能源或能量载体)或危险物质称作第一类危险源。
第一类危险源是事故发生的物理本质,危险性主要表现为导致事故而造成后果的严重程度方面。
(二)第二类危险源
造成约束、限制能量和危险物质措施失控的各种不安全因素称作第二类危险源。第二类危险源主要体现在设备故障或缺陷(物的不安全状态)、人为失误(人的不安全行为)和管理缺陷等几个方面。这是导致事故的必要条件,决定事故发生的可能性。
(三)危险源与事故
事故的发生是两类危险源共同作用的结果,第一类危险源是事故发生的前提,第二类危险源的出现是第一类危险源导致事故的必要条件。第一类危险源是事故的主体,决定事故的严重程度,第二类危险源出现的难易,决定事故发生的可能性大小。
二、危险源识别
(一)危险源的识别
按照该标准,危险源分为以下四大类:
1.人的因素;
2.物的因素;
3.环境因素;
4.管理因素。
(二)危险源识别方法
1.老师调查法
老师调查法是通过向有经验的老师咨询、调查,识别、分析和评价危险源的一类方法,其优点是简便、易行,其缺点是受老师的知识、经验和占有资料的限制,可能出现遗漏。常用的有:头脑风暴法(Brainstorming)和德尔菲(Delphi)法。
2.安全检查表(SCL)法
安全检查表(Safety Check List)实际上就是实施安全检查和诊断项目的明细表。运用已编制好的安全检查表,进行系统的安全检查,识别工程项目存在的危险源。检查表的内容一般包括分类项目、检查内容及要求、检查以后处理意见等。安全检查表法的优点是:简单易懂、容易掌握,可以事先组织老师编制检查项目,使安全、检查做到系统化、完整化。缺点是只能作出定性评价。
举例:2007年第91题
在采用安全检查表(SCL)法辨识危险源时,安全检查表应包括( )等内容。
a.检查项目
b.检查目标
c.检查内容
d.检查等级
e.检查结果
三、危险源的评估
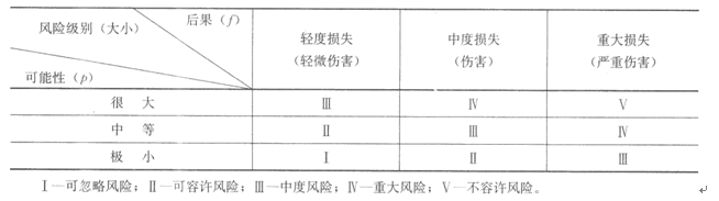
GB/T 28002推荐的简单的风险等级评估如表lZ205022-1所示,结果分为Ⅰ、Ⅱ、Ⅲ、Ⅳ、Ⅴ五个风险等级。
风险等级评估表 表lZ205022-1

四、风险的控制
2012年一级建造师课程报名>>> 2012年二级建造师课程报名>>>
2012年一级建造师课程免费试听>>> 2012年二级建造师课程免费试听>>>
更多相关新闻: 建造师论坛 一级建造师频道 二级建造师频道 建造师博客
最新资讯
- 2026版一级建造师考试教材开启预售,备考抢先一步2025-12-12
- 已整理!2026年一级建造师教材或将迎来这些改变2025-12-12
- 【免费领取】2026年一建:从真题视角看备考这件事课程2025-11-20
- 【免费领取】还在为案例题发愁?2026年一建案例精批体验课让你快速提分!2025-11-14
- 【免费领取】一建重点知识闪记宝典,高分必备!2025-11-13
- 环球网校双11狂欢:一建考生锁定直播间,强师天团送免单!2025-11-11
- 一级建造师《法规》考点:社保与公积金必须同时缴纳!2025-11-11
- 2026年一级建造师必领!报考及备考资料包已备好2025-10-20
- 速来了解!2026年一级建造师教材何时出新书?2025-10-20
- 备考神器!2018-2025年一级建造师真题及答案免费下载!2025-10-14