一级建造师辅导:危险源识别及评估命题考点
更新时间:2012-04-18 09:24:01
来源:|0
浏览
收藏
一级建造师报名、考试、查分时间 免费短信提醒
1Z205000 建设工程项目质量控制
命题考点五 危险源识别及评估
【教材解读】
一、危险源识别方法
危险源识别方法见表5―7。

二、危险源的评估
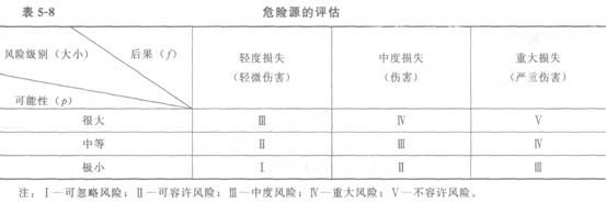
危险源的评估见表5―8。

【命题考点】
老师调查法;头脑风暴法;德尔菲法;安全检查法;风险等级。
【分析预测】
(1)分析判断采用老师调查法或安全检查法识别危险源的具体方法。
(2)分析判断风险等级。
【2007年度考试真题】
在采用安全检查表(SC1)法辨识危险源时,安全检查表应包括( )等内容。
A.检查项目
B.检查目标
C.检查要求
D.检查等级
E.检查结果
【答案】AC安全检查表实际上就是实施安全检查和诊断项目的明细表。运用已编制好的安全检查表,进行系统的安全检查,辨识工程项目存在的危险源。检查表的内容一般包括分类项目、检查内容及要求、检查以后处理意见等。
【典型习题】
1.老师调查法是通过向有经验的老师咨询、调查,识别、分析和评价危险源的一类方法,常用的有( )。
A.分层法
B.德尔菲法
C.网络图法
D.头脑风暴法
E.事故树分析法
2.具有简单易懂、容易掌握等特点的危险源识别方法是( )。
A.头脑风暴法
B.安全检查表法
C.德尔菲法
D.事故树分析法
3.在风险等级的评估中,如果一个风险发生的可能性为中等,且后果属于中度损失,则此风险级别为( )。
A.可忽略风险
B.可容许风险
C.中度风险
D.重大风险
【答案】1.BD2.B3.C
环球网校2012年一级建造师考试辅导招生简章 环球网校2011年一级建造师考试辅导通过率
编辑推荐
最新资讯
- 2026年一级建造师建设工程经济新增考点:方案比选定量分析方法的选择2026-01-27
- 2026年一建工程经济教材新增考点:方案的比选2026-01-27
- 2026年一建工程项目管理教材新增考点:全员安全生产责任制基本规定2026-01-27
- 2026年一建建设项目管理教材新增常见的施工坍塌考点2026-01-27
- 2026年一级建造师工程项目管理教材新增考点:施工成本偏差原因2026-01-27
- 2026年一级建造师项目管理教材新增考点:工程施工阶段成本影响因素2026-01-27
- 2026年一建法规新旧教材对比,新增劳动合同期满后的续订情形考点2026-01-27
- 一建工程法规2026年教材新增考点:施工单位的安全责任2026-01-27
- 2026年一级建造师法规及相关知识新增考点:落实消防安全职责的具体要求2026-01-26
- 2026年一建法规教材电子版新增考点:买卖合同2026-01-26