危险源识别及评估教材解读
1Z205000 建设工程项目质量控制
命题考点五 危险源识别及评估
【教材解读】
一、危险源识别方法
危险源识别方法见表5―7。

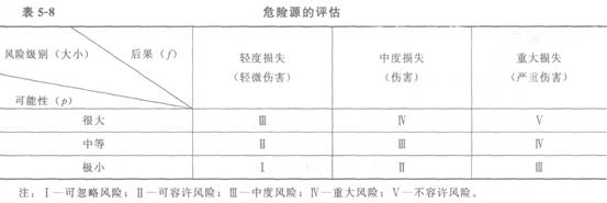
二、危险源的评估
危险源的评估见表5―8。

【命题考点】
老师调查法;头脑风暴法;德尔菲法;安全检查法;风险等级。
【分析预测】
(1)分析判断采用老师调查法或安全检查法识别危险源的具体方法。
(2)分析判断风险等级。
【2007年度考试真题】
在采用安全检查表(SC1)法辨识危险源时,安全检查表应包括( )等内容。
A.检查项目
B.检查目标
C.检查要求
D.检查等级
E.检查结果
【答案】AC安全检查表实际上就是实施安全检查和诊断项目的明细表。运用已编制好的安全检查表,进行系统的安全检查,辨识工程项目存在的危险源。检查表的内容一般包括分类项目、检查内容及要求、检查以后处理意见等。
环球网校友情提示:如果您在此过程中遇到任何疑问,请登录环球网校一级建造师考试论坛,随时与广大考生朋友们一起交流!
编辑推荐:
【典型习题】
1.老师调查法是通过向有经验的老师咨询、调查,识别、分析和评价危险源的一类方法,常用的有( )。
A.分层法
B.德尔菲法
C.网络图法
D.头脑风暴法
E.事故树分析法
2.具有简单易懂、容易掌握等特点的危险源识别方法是( )。
A.头脑风暴法
B.安全检查表法
C.德尔菲法
D.事故树分析法
3.在风险等级的评估中,如果一个风险发生的可能性为中等,且后果属于中度损失,则此风险级别为( )。
A.可忽略风险
B.可容许风险
C.中度风险
D.重大风险
【答案】1.BD2.B3.C
环球网校友情提示:如果您在此过程中遇到任何疑问,请登录环球网校一级建造师考试论坛,随时与广大考生朋友们一起交流!
编辑推荐:
最新资讯
- 2026年一级建造师考试新教材学习攻略2026-03-06
- 2026年一级建造师水利水电实务考点免费下载,实务高分技巧2026-03-05
- 2026年一建市政考试图文考点总结,内容浓缩考点2026-03-05
- 2026年一建经济备考攻略:图文考点汇总2026-03-05
- 2026年一级建造师建筑考试科目考点大全免费下载,轻松记忆版2026-03-05
- 2026年一建机电工程管理与实务考点精讲免费下载,分专业整理2026-03-05
- 2026年一建工程项目管理考点归纳免费下载,考前冲刺神器2026-03-05
- 2026年一级建造师公路专业考点大全免费下载,备考必备资料2026-03-05
- 2026年一级建造师法规章节考点汇总PDF免费下载,心考点精编2026-03-05
- 2026年一级注册建造师教材怎么学效率更高?2026-02-24