建筑工程项目施工进度控制方法的应用命题考点
命题考点一 建筑工程项目施工进度控制方法的应用
【命题考点】
流水施工的概念;流水施工参数的种类;流水施工的基本组织形式;流水施工方式的表达;双代号网络计划的绘图规则;双代号网络计划的时间参数的含义和计算方法;双代号网络计划的关键线路的判别方法。
【分析预测】
(1)根据材料中提供的双代号网络计划来计算其各工作的时间参数,确定关键线路,通过压缩关键工作的持续时间来优化网络计划。
(2)根据所提供的材料来绘制双代号网络计划,并通过计算其各工作的时间参数,确定关键线路,而后分析有关索赔的问题。
(3)双代号网络计划也有可能结合投资控制、合同管理的内容而出案例分析题。
环球网校友情提示:如果您在此过程中遇到任何疑问,请登录环球网校一级建造师考试论坛,随时与广大考生朋友们一起交流!
编辑推荐:
【考题回顾】
【2010年度考试真题】
某办公楼工程,地下1层,地上10层。现浇钢筋混凝土框架结构,基础为管桩基础。建设单位与施工总承包单位签订了施工总承包合同,合同工期为29个月。按合同约定,施工总承包单位将预应力管桩工程分包给了符合资质要求的专业分包单位。施工总承包单位提交的施工总进度计划如图2―1所示(时间单位:月),该计划通过了监理工程师的审查和确认。

合同履行过程中,发生了如下事件。
事件1:专业分包单位将管桩专项施工方案报送监理工程师审批,遭到了监理工程师拒绝。在桩基施工过程中,由于专业分包单位没有按设计图纸要求对管桩进行封底施工,监理工程师向施工总承包单位下达了停工令,施工总承包单位认为监理工程师应直接向。专业分单位下达停工令,拒绝签收停工令。
事件2:在工程施工进行到第7个月时,因建设单位提出设计变更,导致G工作停止施工1个月。由于建设单位要求按期完工,施工总承包单位据此向监理工程师提出了赶工费索赔。根据合同约定,赶工费标准为18万元/月。
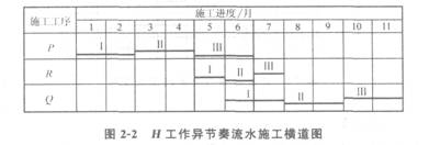
事件3:在H工作开始前,为了缩短工期,施工总承包单位将原施工方案中H工作的异节奏流水施工调整为成倍节拍流水施工。原施工方案中H工作异节奏流水施工横道图如图2―2所示(时间单位:月)。

【问题】
1.施工总承包单位计划工期能否满足合同工期要求?为保证工程进度目标,施工总承包单位应重点控制哪条施工线路?
2.事件1中,监理工程师及施工总承包单位的做法是否妥当?分别说明理由。
3.事件2中,施工总承包单位可索赔的赶工费为多少万元?说明理由。
4.事件3中,流水施工调整后,H工作相邻工序的流水步距为多少个月?工期可缩短多少个月?按照图2―2格式绘制调整后H工作的施工横道图。
【参考答案】
1.施工总承包单位计划工期能满足合同工期要求。为保证工程进度目标,施工总承包单位应重点控制的施工线路是①→②→③→⑤→⑥→⑦→⑧。
2.事件1中,监理工程师及施工总承包单位做法是否妥当的判断及其理由。
(1)监理工程师做法妥当。
理由:专业分包单位与建设单位没有合同关系,分包单位不得与建设单位和监理单位发生工作联系,所以,拒收分包单位报送专项施工方案以及对总承包单位下达停工令是妥当的。
(2)施工总承包单位做法不妥当。
理由:因为专业分包单位与建设单位没有合同关系,监理单位不得对分包单位下达停工令;而总承包单位与建设单位有合同关系,并且应对分包工程质量和分包单位负有连带责任,所以施工总承包单位拒签停工令的做法是不妥当的。
3.事件2中,施工总承包单位不可索赔赶工费。
理由:由于G工作的总时差=(29―27)个月=2个月,因设计变更原因导致G工作停工1个月,没有超过G工作2个月的总时差,不影响合同工期,总承包单位不需要赶工都能按期完成,所以总承包单位不能索赔赶工费。
4.事件3中,流水施工调整后,H工作相邻工序的流水步距=min[2,1,2]个月=1个月。H工作的工期=(3+5―1)×1=7(个月),工期可缩短=11―7=4(个月)。绘制调整后H工作的施工横道图如图2―3所示。

【2009年度考试真题】
某建筑工程施工进度计划网络图如图2―4所示。

施工中发生了以下事件。
事件1:A工作因设计变更停工10d。
事件2:B工作因施工质量问题返工,延长工期7d。
事件3:E工作因建设单位供料延期,推迟3d施工。
事件4:在设备管道安装气焊作业时,火星溅落到正在施工的地下室设备用房聚氨酯防水涂膜层上,引起火灾。
在施工进展到第120d后,施工项目部对第110d前的部分工作进行了统计检查。统计数据见表2―1。

【问题】
1.本工程计划总工期和实际总工期各为多少天?
2.施工总承包单位可否就事件1~3获得工期索赔?分别说明理由。
3.施工现场焊、割作业的防火要求有哪些?
4.计算截止到第110d的合计BCWP值。
5.计算第110d的成本偏差CV值,并做CV值结论分析。
6.计算第110d的进度偏差SV值,并做SV值结论分析。
【参考答案】
1.本工程计划总工期=28+35+35+21+21=140(d)。实际总工期=140+10+7=157(d)。
2.施工总承包单位可否就事件1~3获得工期索赔的判定及其理由。
(1)事件1可以获得工期索赔。
理由:A工作是因设计变更而停工,应由建设单位承担责任,且A工作属于关键工作。
(2)事件2不可以获得工期索赔。
理由:B工作是因施工质量问题返工,应由施工总承包单位承担责任。
(3)事件3不可以获得工期索赔。
理由:E工作虽然是因建设单位供料延期而推迟施工,但E工作不是关键工作,且推迟3d未超过其总时差。
3.施工现场焊、割作业的防火要求。
(1)焊工必须持证上岗,无证者不准进行焊、割作业。
(2)属一、二、三级动火范围的焊、割作业,未经办理动火审批手续,不准进行焊割。
(3)焊工不了解焊、割现场的周围情况,不得进行焊、割。
(4)焊工不了解焊件内部是否有易燃、易爆物时,不得进行焊、割。
(5)各种装过可燃气体、易燃液体和有毒物质的容器,未经彻底清洗,或未排除危险之前,不准进行焊、割。
(6)用可燃材料保温层、冷却层、隔声和隔热设备的部位,或火星能飞溅到的地方,在未采取切实可靠的安全措施之前,不准焊、割。
(7)有压力或密闭的管道、容器,不准焊、割。
(8)焊、割部位附近有易燃易爆物品,在未做清理或未采取有效的安全防护措施前,不准焊、割。
(9)附近有与明火作业相抵触的工种在作业时,不准焊、割。
(10)与外单位相连的部位,在没有弄清有无险情,或明知存在危险而未采取有效的措施之前,不准焊、割。
4.计算截止到第110d的合计BCWP值见表2―2。

截止到第110d的合计BCWP值为2900万元。
5.第110d的成本偏差CV=BCWP―ACWP=2900―2510=390(万元)。
CV值结论分析:由于成本偏差为正,说明成本节约390万元。
6.第110d的进度偏差SV=BCWP-BCWS=2900―3710=-810(万元)。
SV值结论分析:由于进度偏差为负,说明进度延误了810万元。
【2007年度考试真题】
某办公楼由主楼和辅楼组成,建设单位(甲方)与施工单位(乙方)签订了施工合同经甲方批准的施工网络进度计划如图2-5所示。

施工过程中发生如下事件。
事件1:在基坑开挖后,发现局部有软土层,重新调整了地基处理方案,经批准后组织实施,乙方为此增加费用5万元,基础施工工期延长3d。
事件2:辅楼施工时,甲方提出修改设计,乙方按设计变更要求拆除了部分已完工程,重新施工。造成乙方多支付人工费1万元,材料和机械费用2万元,辅楼工期因此拖延7d。
事件3:主楼施工中,因施工机械故障造成停工,主楼工期拖延7d,费用增加6万元。
【问题】
1.原施工网络计划中,关键工作是哪些?计划工期是多少?
2.针对上述每一件事,乙方如提出工期和费用索赔,索赔是否成立?请简述理由。
3.乙方共可得到的索赔工期是多少天?费用为多少元?
【参考答案】
1.利用逐条线路对比法确定:
①→②→③→④→⑤的持续时间为70+112+42+77=301(d)
①→②→③→⑤的持续时间为70+112+98=280(d)
①→②→④→⑤的持续时间为70+98+77=245(d)
所以关键线路为①→②→③→④→⑤。
关键工作是:基础工程、主楼主体工程、设备安装工程、装饰装修工程。
计划工期是:301d。
2.索赔是否成立的判断及理由。
事件1:工期索赔成立。理由:因为地质责任不在乙方,经过了甲方批准,而且基坑开挖工作处于关键线路上。
费用索赔成立。理由:因为地质变化是一个有经验的承包商不能合理预见的,本事件责任不在乙方。
事件2:工期索赔不成立。理由:因为辅楼工程不在关键线路上,有56d的总时差,大于工期拖延7d。
费用索赔成立。理由:因为设计的修改是由甲方提出的,对于乙方多承担的费用理应给予补偿。
事件3:工期、费用索赔均不成立。理由:因为施工机械故障是因为乙方自身的原因,例如管理不善、使用不当等原因造成的,甲方没有责任,所以工期、费用索赔申请均不成立。
3.乙方共可得到的索赔工期:3d。
乙方共可得到的索赔费用:5+1+2=8(万元)。
环球网校友情提示:如果您在此过程中遇到任何疑问,请登录环球网校一级建造师考试论坛,随时与广大考生朋友们一起交流!
编辑推荐:
【典型案例分析题】
案例分析题1
某工程的施工合同工期为16周,项目监理机构批准的施工进度计划如图2-6所示(时间单位:周)。各工作均按匀速施工。施工单位的报价单(部分)见表2-3。

工程施工到第4周时进行进度检查,发生如下事件。
事件1:A工作已经完成,但由于设计图纸局部修改,实际完成的工程量为840m3,工作持续时间未变。
事件2:B工作施工时,遇到异常恶劣的气候,造成施工单位的施工机械损坏和施工人工窝工,损失1万元,实际只完成估算工程量的25%。
事件3:C工作为检验检测配合工作,只完成了估算工程量的20%,施工单位实际发生检验检测配合工作费用5000元。
事件4:施工中发现地下文物,导致D工作尚未开始,造成施工单位自有设备闲置4个台班,台班单价为300元/台班,折旧费为100元/台班。施工单位进行文物现场保护的费用为1200元。
【问题】
1.根据第4周末的检查结果,在图2-6上绘制实际进度前锋线,逐项分析B、C、D三项工作的实际进度对工期的影响,并说明理由。
2.若施工单位在第4周末就B、C、D出现的进度偏差提出工程延期的要求,项目监理机构应批准工程延期多长时间?为什么?
3.施工单位是否可以就事件2、4提出费用索赔?为什么?可以获得的索赔费用是多少?
4.事件3中C工作发生的费用如何结算?
5.前4周施工单位可以得到的结算款为多少元?
【参考答案】
1.根据第4周末的检查结果,实际进度前锋线如图2―7所示。

分析B、C、D三项工作的实际进度对工期的影响及其理由。
(1)B工作拖后1周,不影响工期。理由:B工作总时差为1周。
(2)C工作拖后1周,不影响工期。理由:C工作总时差为3周。
(3)D工作拖后2周,影响工期2周。理由:D工作总时差为零(或D工作为关键工作)。
2.施工单位在第4周末就B、C、D出现的进度偏差提出工程延期的要求,项目监理机构应批准工程延期2周。
理由:施工中发现地下文物造成D工作拖延,不属于施工单位责任。
3.(1)对施工单位是否可以就事件2、4提出费用索赔的判断及理由。
1)事件2不能索赔费用。理由:异常恶劣的气候造成施工单位施工机构损坏和施工人工窝工的损失不能索赔。
2)事件4可以索赔费用。理由:施工中发现地下文物属非施工单位原因。
(2)施工单位可获得的索赔费用:4台班×100元/台班+1200元=1600元。
4.事件3中C工作发生的费用不予结算,因施工单位对C工作的费用没有报价,故认为该项费用已分摊到其他相应项目中。
5.前4周施工单位可以得到的结算款的计算如下。
A工作可以得到的结算款:840×300=252000(元)。
B工作可以得到的结算款:1200×25%×320=96000(元)。
D工作可以得到的结算款:4×100+1200=1600(元)。
前4周施工单位可以得到的结算款=252000+96000+1600=349600(元)。
案例分析题2
某工程,施工合同中约定,工期19周;钢筋混凝土基础工程量增加超出15%时,结算时对超出部分按原价的90%调整单价。经总监理工程批准的施工总进度计划如图2―8所示,其中A、C工作为钢筋混凝土基础工程,B、G工作为片石混凝土基础工程,D、E、F、H、J工作为设备安装工程,K、L、J、N工作为设备调试工作。

施工过程中,发生如下事件。
事件1:合同约定A、C工作的综合单价为700元/m3。在A、C工作开始前,设计单位修改了设备基础尺寸,A工作的工程量由原来的4200m3增加到7000m3,C工作工程量由原来的3600m3减到2400m3。
事件2:A、D工作完成后,建设单位拟将后续工程的总工期缩短2周,要求项目监理机构帮助拟定一个合理的赶工方案,以便与施工单位洽商,项目监理机构提出的后续工作可以缩短的时间及其赶工费率见表2―4。

【问题】
1.事件1中,设计修改后,在单位时间完成工程量不变的前提下,A、C工作的持续时间分别为多少周?对合同总工期是否有影响?为什么?A、C工作的费用共增加了多少?
2.事件2中,项目监理机构如何调整计划才能既实现建设单位的要求又能使赶工费用最少?说明理由。增加的最少赶工费用是多少?
3.对表2-5中未通过的调试工作,根据施工合同进行责任界定,并确定应补偿施工单位的费用。
【参考答案】
1.事件1中,设计修改后,在单位时间完成工程量不变的前提下,A工作的持续时间为(3/4200)×7000=5(周);C工作的持续时间为 (3/3600)×2400=2(周)。对合同总工期有影响。因为该施工总进度计划的关键线路是C、D、G、I、K、N,C工作的持续时间由3周变为2 周,一定会改变总工期的。
A、C工作共增加的工程量=(7000+2400)-(4200+3600)=1600(m3),因为 1600/7800=21%>15%,所以要进行调价。不进行调价的工程量=(4200+3600)×(1+15%)=8790(m3),应调价的工程量=7000+2400―8970=430(m3)。A、C工作实际发生的费用=8970×700+430×700×90%=654.99(万元)。
A、C工作原计划费用=(4200+3600)×700=546(万元)。
A、C工作共增加的费用=654.99―546=108.99(万元)。
2.事件2中,项目监理机构在原施工总进度计划的基础上,各缩短工作G和工作K的工作时间为1周,这样才能既实现建设单位的要求又能使赶工费用最少。理由:由于A、D工作完成后,施工总进度计划的关键线路只有工作G、I、K和N,工作N不存在可缩短的时间,故应不考虑压缩;工作G、I、K的赶工费率从小到大依次是G(0.4万元)、K(1.0万元)、I(3.0万元),那么首先压缩工作G的时间为l周(可缩短的时间只有l周),压缩工作G产生的赶工费为0.4 万元;再压缩工作K的时间为l周,压缩工作K产生的赶工费为1.0万元。
增加的最少赶工费用是0.4+1.0=1.4(万元)
3.对表2-5中未通过的调试工作,逐项根据施工合同进行责任界定。
(1)工作K调试未通过的责任由建设单位承担。
(2)工作L调试未通过的责任由施工单位承担。
(3)工作N调试未通过的责任由建设单位承担。
应补偿施工单位的费用=3+2=5(万元)
案例分析题3
某综合楼工程,地下1层,地上10层,钢筋混凝土框架结构,建筑面积28500m2。某施工单位与建设单位签订了工程施工合同,合同工期约定为20个月。施工单位根据合同工期编制了该工程项目的施工进度计划,并且绘制出施工进度网络计划如图2-9所示(单位:目)

在工程施工中发生了如下事件。
事件1:因建设单位修改设计,致使工作K停工2个月。
事件2:因建设单位供应的建筑材料未按时进场,致使工作H延期1个月。
事件3:因不可抗力原因致使工作F停工1个月。
事件4:因施工单位原因工程发生质量事故返工,致使工作M实际进度延迟1个月。
【问题】
1.指出该网络计划的关键线路,并指出由哪些关键工作组成。
2.针对本案例上述各事件,施工单位是否可以提出工期索赔的要求?并分别说明理由。
3.上述事件发生后,本工程网络计划的关键线路是否发生改变?如有改变,指出新的关键线路。
4.对于索赔成立的事件,工期可以顺延几个月?实际工期是多少?
【参考答案】
1.该网络计划的关键线路为:①→②→③→⑤→⑧→⑨。
该网络计划的关键工作为:A、D、E、H、L。
2.针对上述各事件,施工单位是否可以提出工期索赔要求的判断及理由。工作N不存在可缩短的时间,故应不考虑压缩;工作G、I、K的赶工费率从小到大依次是 G(0.4万元)、K(1.0万元)、I(3.0万元),那么首先压缩工作G的时间为1周(可缩短的时间只有l周),压缩工作G产生的赶工费为0.4万元;再压缩工作K的时间为1周,压缩工作K产生的赶工费为1.0万元。
增加的最少赶工费用是0.4+1.0=1.4(万元)
3.对表2―5中未通过的调试工作,逐项根据施工合同进行责任界定。
(1)工作K调试未通过的责任由建设单位承担。
(2)工作L调试未通过的责任由施工单位承担。
(3)工作N调试未通过的责任由建设单位承担。
应补偿施工单位的费用=3+2=5(万元)
案例分析题3
某综合楼工程,地下1层,地上10层,钢筋混凝土框架结构,建筑面积28500m2。某施工单位与建设单位签订了工程施工合同,合同工期约定为20个月。施工单位根据合同工期编制了该工程项目的施工进度计划,并且绘制出施工进度网络计划如图2-9所示(单位:月)。

在工程施工中发生了如下事件。
事件1:因建设单位修改设计,致使工作K停工2个月。
事件2:因建设单位供应的建筑材料未按时进场,致使工作H延期1个月。
事件3:因不可抗力原因致使工作F停工1个月。
事件4:因施工单位原因工程发生质量事故返工,致使工作M实际进度延迟1个月。
【问题】
1.指出该网络计划的关键线路,并指出由哪些关键工作组成。
2.针对本案例上述各事件,施工单位是否可以提出工期索赔的要求?并分别说明理由。
3.上述事件发生后,本工程网络计划的关键线路是否发生改变?如有改变,指出新的关键线路。
4.对于索赔成立的事件,工期可以顺延几个月?实际工期是多少?
【参考答案】
1.该网络计划的关键线路为:①→②→③→⑤→⑧→⑨。
该网络计划的关键工作为:A、D、E、H、L。
2.针对上述各事件,施工单位是否可以提出工期索赔要求的判断及理由。
(1)事件1:施工单位不可提出工期索赔要求。
理由:该工作不影响总工期。
(2)事件2:施工单位可提出工期索赔要求。
理由:该工作在关键线路上,影响总工期,且属于建设单位责任。
(3)事件3:施工单位不可提出工期索赔要求。
理由:该工作不影响总工期。
(4)事件4:施工单位不可提出工期索赔要求。
理由:是施工单位自身责任造成的。
3.上述事件发生后,本工程网络计划的关键线路没有发生改变。
4.对于索赔成立的事件,可顺延工期1个月。实际工期是21个月。
环球网校友情提示:如果您在此过程中遇到任何疑问,请登录环球网校一级建造师考试论坛,随时与广大考生朋友们一起交流!
编辑推荐:
最新资讯
- 2026年一建工程经济如何备考?教材新增营业利润考点2026-02-03
- 2026年一建考试建设工程经济新增固定资产考点2026-02-03
- 2026年一级建造师管理考试教材新增考点:清洁生产理念2026-02-03
- 2026年一级建造师建筑专业新增楼面构造考点2026-02-02
- 2026年一级建造师建筑实务新增考点:抗震设防分类和设防标准2026-02-02
- 2026年一级建造师建筑实务教材新增考点:建筑室内物理环境技术要求2026-02-02
- 2026年一建建筑教材新增建筑设计程序和要求考点2026-02-02
- 2026年一建考试科目工程经济教材新增内部会计控制考点2026-02-02
- 2026年一建工程经济知识点新增会计核算原则2026-02-02
- 2026年一建经济变动内容:新增会计要素计量属性考点2026-02-02