9月9日公开课:清单案例和综合案例课前练习
2013年一建免费公开课专题
丨2013年一建各科目教材解读汇总
(一)
例题: 某工程项目业主通过工程量清单招标方式确定某投标人为中标人。并与其签订了工程承包合同,工期4个月。有关工程价款条款如下:
(1)分项工程清单中含有两个分项工程,工程量分别为甲项2300m3,乙项3200m3,清单报价中甲项综合单价为180元/m3,乙项综合单价为160元/m3。当每一分项工程实际工程量超过(减少)清单工程量的10%以上时,应进行调价,调价系数为0.9(1.08)。
(2)措施项目清单中包括:1)环保、安全与文明施工等全工地性综合措施费用8万元;2)模板与脚手架等与分项工程作业相关的措施费用10万元。
(3)其他项目清单中仅含暂列金额3万元。
(4)规费综合费率3.31%(以分部分项清单、措施费清单、其他项目清单为基数);税金率3.47%。
有关付款条款如下:
(1)材料预付款为分项工程合同价的20%,于开工前支付,在最后两个月平均扣除。
(2)措施项目中,全工地性综合措施费用于开工前全额支付;与分项工程作业相关的措施费用于开工前和开工后第2月末分两次平均支付。措施项目费用不予调整。
(3)其他项目费用于竣工月结算。
(4)业主从每次承包商的分项工程款中,按5%的比例扣留质量保证金。
(5)造价工程师每月签发付款凭证最低金额为25万元。
承包商每月实际完成并经签证确认的工程量如表1.7所示。第四个月发生签证3万元。
表1.7 单位:m3
|
月份 项目 |
1 |
2 |
3 |
4 |
|
甲 项 |
500 |
800 |
800 |
600 |
|
乙 项 |
700 |
900 |
800 |
600 |
【问题】
1.工程预计合同总价为多少?材料预付款是多少?首次支付措施费是多少?
2.每月工程量价款是多少?造价工程师应签证的每月工程款是多少?实际应签发的每月付款凭证金额是多少?
(二)
某施工单位承接了某项工程的总包施工任务,该工程由A、B、C、D四项工作组成,施工场地狭小。为了进行成本控制,项目经理部对各项工作进行了分析,其结果见下表:
|
工作 |
功能评分 |
预算成本(万元) |
|
A |
15 |
650 |
|
B |
35 |
1200 |
|
C |
30 |
1030 |
|
D |
20 |
720 |
|
合计 |
100 |
3600 |
工程进展到第25周5层结构时,公司各职能部门联合对该项目进行突击综合大检查。
检查现场时发现:
(1)塔吊与临时生活设施共用一个配电箱。配电箱内N线和PE线在一个端子板安装
(2)塔吊由木工班长指挥。
(3)现场单行消防通道上乱堆材料,仅剩1m宽左右通道,端头20m×20m场地堆满大模板。
(4)脚手架和楼板模板拆除后乱堆乱放,拆除工程的交底记录显示是现场安全员对作业班组做的交底,并有安全员和作业班组的签字。
(5)氧气瓶和乙炔瓶在一个三轮车上放置,施工人员在距离三轮车6m处做钢板切割。
(6)在某长50m基槽施工现场有7台反铲挖掘机同时开挖。项目经理解释是临时增加的变更,业主要求不惜一切代价抢工期完成,并给高额费用,所以才做了加快施工的安排。
(7)
工程进展到第28周4层结构拆模后,劳务分包方作业人员直接从窗口向外乱抛垃圾造成施工扬尘,工程周围居民因受扬尘影响,有的找到项目经理要求停止施工,有的向有关部门投诉。
【问题】
1.计算下表中A、B、C、D四项工作的评价系数、成本系数和价值系数(将此表复制到答题卡上,计算结果保留小数点后两位)。
|
工作 |
功能评分 |
预算成本(万元) |
评价(功能)系数 |
成本系数 |
价值系数 |
|
A |
15 |
650 |
|||
|
B |
35 |
1200 |
|||
|
C |
30 |
1030 |
|||
|
D |
20 |
720 |
|||
|
合计 |
100 |
3600 |
2.在A、B、C、D四项工作中,施工单位应首选哪项工作作为降低成本的对象?说明理由。
3.如果现在项目经理部要求成本控制目标是3000万元,请计算各工作成本控制目标值是多少?
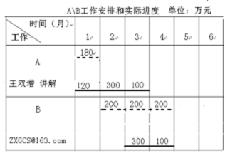
4. 如果A\B工作安排如下图。虚线和数字表示拟完工作计划投资,实线和数字表示已完工作实际投资。两个工作的工程量没有变化,合同价格也没有变化。请用点划线补画出已完工作计划投资横道图,并标出金额。

5.根据公司检查现场发现的问题,项目经理部应如何进行整改?
6.针对本次扬尘事件,项目经理应如何协调和管理?
环球网校友情提示:如果您在此过程中遇到任何疑问,请登录环球网校一级建造师频道及考试论坛,随时与广大考生朋友们一起交流!
编辑推荐:
最新资讯
- 【免费领取】一级建造师考试基础自测卷,备考必备!2025-11-03
- 考生速进!2026年一建备考,好用的刷题APP是哪个?2025-10-21
- 别错过!8月30日9点一建决赛圈等你来考2025-08-30
- 别错过!2025年一级建造师黄金AB卷免费领取啦2025-08-11
- 提分必备!2025年一建《建设工程经济》经典100题免费下载2025-07-26
- 免费下载!2025年一级建造师《工程法规》经典100题,助你冲刺提分2025-07-23
- 备考必刷!2025年一级建造师项目管理经典100题免费下载2025-07-23
- 一级建造师题目讲解视频:提高价值的途径2025-07-17
- 一级建造师题目解析视频:阀门安装前阀门搬运的正确做法2025-07-16
- 备考必看!免费获取2025年新版一级建造师经典100题2025-07-07