一建市政教材解读:1K413023 基槽土方开挖及基坑变形控制
【摘要】环球网校一级建造师频道为您提供一级建造师考试必备的复习资料和试题,供考生复习备考之用,本文为一建市政教材解读:1K413023 基槽土方开挖及基坑变形控制,是考生必须要熟记和掌握的重点内容。2015年的一级建造师考试将于9月19日至20日举行,环球网校在此提醒广大考生做好复习备考。祝广大考生顺利通过一级建造师考试!
1K413023 基槽土方开挖及基坑变形控制
以下主要以地铁车站基坑为主简要介绍明挖基(槽)坑的土方开挖及护坡技术。
一、基槽坑土方开挖
(1)基本规定如下:
1)基坑开挖应根据支护结构设计、降水排水要求,确定开挖方案。
2)基坑周围地面应设排水沟,且应避免雨水、渗水等流入坑内;同时,基坑内也应设置必要的排水设施,保证开挖时及时排出雨水。放坡开挖时,应对坡顶、坡面、坡脚采取降排水措施。当采取基坑内、外降水措施时,应按要求降水后方可开挖土方;
3)软土基坑必须分层、分块、对称、均衡地开挖,分块开挖后必须及时施工支撑。对于有预应力要求的钢支撑或锚杆,还必须按设计要求施加预应力。当基坑开挖面上方的支撑、锚杆和土钉未达到设计要求时,严禁向下超挖土方。
4)基坑开挖过程中,必须采取措施防止开挖机械等碰撞支护结构、格构柱、降水井点或扰动基底原状土。
5)当开挖揭露的实际土层性状或地下水情况与设计依据的勘察资料明显不符,或出现异常现象、不明物体时,应停止开挖,在采取相应措施后方可开挖。
(2)发生下列异常情况时,应立即停止挖土,并应立即查清原因和及时采取措施后,方能继续挖土:
1)围护结构变形达到设计规定的位移限值或位移速率持续增长且不收敛。
2)支护结构的内力超过其设计值或突然增大。
3)围护结构或止水帷幕出现渗漏,或基坑出现流土、管涌现象。
4)开挖暴露出的基底出现明显异常(包括黏性土时强度明显偏低或砂性土层水位过高造成开挖施工困难)。
5)围护结构发生异常声响。
6)边坡或支护结构出现失稳征兆。
7)基坑周边建(构)筑物变形过大或已经开裂。
二、基坑的变形控制
(一)基坑变形特征
1.土地变形
基坑开挖时,由于坑内开挖卸荷造成围护结构在内外压力差作用下产生水平向位移,进而引起围护外侧土体的变形,造成基坑外土体或建(构)筑物沉降;同时,开挖卸荷也会引起坑底土体隆起。可以认为,基坑周围地层移动主要是由围护结构的水平位移和坑底土体隆起造成的。
2.围护墙体水平变形
当基坑开挖较浅,还未设支撑时,不论对刚性墙体(如水泥土搅拌桩墙、旋喷桩墙等)还是柔性墙体(如钢板桩、地下连续墙等),均表现为墙顶位移最大,向基坑方向水平位移,呈三角形分布。随着基坑开挖深度的增加,刚性墙体继续表现为向基坑内的三角影水平位移或平行刚体位移;而一般柔性墙如果设支撑,则表现为墙顶位移不变或逐渐向基坑外移动,墙体腹部向基坑内凸出。
3.围护墙体竖向变位
在实际工程中,墙体竖向变位量测往往被忽视,事实上由于基坑开挖土体自重应力的释放,致使墙体产生竖向变位:上移或沉降。墙体的竖向变位给基坑的稳定、地表沉降以及墙体自身的稳定性均带来极大的危害。特别是对于饱和的极为软弱地层中的基坑工程,当围护墙底下因清孔不净有沉渣时,围护墙在开挖中会下沉,地面也随之下沉;另外,当围护结构下方有顶管和盾构穿越时,也会引起围护结构突然沉降。
4.基坑底部的隆起
随着基坑的开挖卸载,基坑底出现隆起是必然的,但过大的坑底隆起往往是基坑险情的征兆。过大的坑底隆起可能是两种原因造成的:(1)基坑底不透水土层由于其自重不能够承受下方承压水水头压力而产生突然性隆起;(2)基坑由于围护结构插入坑底土层深度不足而产生坑内土体隆起破坏。基坑底土体的过大隆起可能会造成基坑围护结构失稳。另
外,由于坑底隆起会造成立柱隆起,进一步造成支撑向上弯曲,可能引起支撑体系失稳。因此,基坑底土体的过大隆起是施工时应该尽量避免的。但由于基坑一直处于开挖过程,直接监测坑底土体隆起较为困难,一般通过监测立柱变形来反映基坑底土体隆起情况。
5.地表沉降
围护结构的水平变形及坑底土体隆起会造成地表沉降,引起基坑周边建(构)筑物变形。根据工程实践经验,基坑围护呈悬臂状态时,较大的地表沉降出现在墙体旁;施加支撑后,地表沉降的最大值会渐渐远离围护结构,位于距离围护墙一定距离的位置上。
(二)基坑的变形控制
(1)当基坑邻近建(构)筑物时,必须控制基坑的变形以保证邻近建(构)筑物的安全。
(2)控制基坑变形的主要方法有:
1)增加围护结构和支撑的刚度。
2)增加围护结构的人土深度。
3)加固基坑内被动区土体。加固方法有抽条加固、裙边加固及二者相结合的形式。
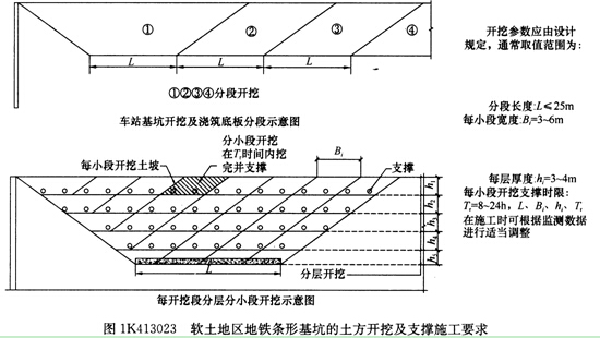
4)减小每次开挖围护结构处土体的尺寸和开挖支撑时间,这一点在软土地区施工时尤其有效。例如,上地地铁就要求在地铁车站基坑开挖时,按设计要求分段开挖和浇筑底板,每段开挖中又分层、分小段,并限时完成每小段的开挖和支撑,具体见图1K413023 。

5)通过调整围护结构深度和降水井布置来控制降水对环境变形的影响。
(三)坑底稳定控制
(1)保证深基坑坑底稳定的方法有加深围护结构人土深度、坑底土体加固、坑内井点降水等措施。
(2)适时施作底板结构。

环球网校友情提示:如果您在此过程中遇到任何疑问,请登录环球网校一级建造师频道及考试论坛,随时与广大考生朋友们一起交流!
编辑推荐:
交流互动:一建微博|微信edu24ol_jzs1|QQ群342289995
最新资讯
- 2026年一级建造师考试新教材学习攻略2026-03-06
- 2026年一级建造师水利水电实务考点免费下载,实务高分技巧2026-03-05
- 2026年一建市政考试图文考点总结,内容浓缩考点2026-03-05
- 2026年一建经济备考攻略:图文考点汇总2026-03-05
- 2026年一级建造师建筑考试科目考点大全免费下载,轻松记忆版2026-03-05
- 2026年一建机电工程管理与实务考点精讲免费下载,分专业整理2026-03-05
- 2026年一建工程项目管理考点归纳免费下载,考前冲刺神器2026-03-05
- 2026年一级建造师公路专业考点大全免费下载,备考必备资料2026-03-05
- 2026年一级建造师法规章节考点汇总PDF免费下载,心考点精编2026-03-05
- 2026年一级注册建造师教材怎么学效率更高?2026-02-24