一建《公路工程》老师讲义:1B414033 隧道支护与衬砌
【摘要】环球网校一级建造师频道为您提供一级建造师考试必备的复习资料和试题,供考生复习备考之用,本文为一建《公路工程》老师讲义:1B414033 隧道支护与衬砌,是考生必须要熟记和掌握的重点内容。2015年的一级建造师考试将于9月19日至20日举行,环球网校在此提醒广大考生做好复习备考。祝广大考生顺利通过一级建造师考试!
★★★★★隧道支护与衬砌
1B414033 隧道支护与衬砌
一、隧道施工预支护技术
隧道施工过程中,当遇到软弱破碎围岩时,其自支护能力是比较弱的,经常采用的预支护措施有超前锚杆、插板、或小钢管;管棚;超前小导管注浆;开挖工作面及围岩预注浆等。
(一)超前锚杆、小钢管施工技术要点
超前锚杆主要适用于地下水较少的软弱破碎围岩的隧道工程中,也适宜于采用中小型机械施工。
超前锚杆宜采用早强砂浆锚杆,锚杆可用不小于φ22的螺纹钢筋。

(二)管棚施工技术要点
管棚主要适用于围岩压力来得快、来得大,用于对围岩变形及地表下沉有较严格限制要求的软弱破碎围岩隧道工程中。如土砂质地层、强膨胀性地层、强流变性地层、裂隙发育的岩体、断层破碎带、浅埋有显著偏压等围岩的隧道中。
短管棚(长度小于lOm的小钢管)一次超前量小,基本上与开挖作业交替进行,占用循环时间较大,但钻孔安装或顶人安装较容易。
长管棚(长度为10―45m,直径较粗的钢管)一次超前量大,单次钻孔或打人长钢管的作业时间较长,但减少了安装钢管的次数,减少了与开挖作业之间的干扰。

(三)超前小导管注浆施工技术要点
超前小导管注浆不仅适用于一般软弱破碎围岩,也适用于地下水丰富的松软围岩。但超前小导管注浆对围岩加固的范围和强度是有限的,在围岩条件特别差而变形又严格控制的隧道施工中,超前小导管注浆常常作为一项主要的辅助措施,与管棚结合起来加固围岩。

(四)预注浆加固围岩施工技术要点
预注浆一般可超前开挖面30~50m,也更适用于采用大中型机械化施工。
预注浆加固围岩有洞内超前注浆、地表超前注浆和平导超前注浆三种方式。对于浅埋隧道,可以从地表向隧道所在区域打辐射状或平行状钻孔注浆;对于深埋长大隧道,可设置平行导坑,由平行导坑向正洞所在区域钻孔注浆。
二、初期支护
(一)喷射混凝土
喷射混凝土是用压力喷枪喷射混凝土的施工法。常用于灌筑隧道内衬、墙壁、顶棚等薄壁结构或其他结构的衬里以及钢结构的保护层。喷射混凝土的工艺流程有干喷、潮喷、湿喷和混合喷。
(二)锚杆
锚杆是用钢筋或其他高抗拉性能的材料制作的一种杆状构件。按照锚固形式可划分为全长粘结型、端头锚固型、摩擦型和预应力型四种。
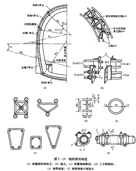
(三)钢支撑
钢支撑具有承载能力大的特点,常常用于软弱破碎或土质隧道中,并与锚杆、喷混凝土等共同使用。钢支撑按其材料的组成可分为钢拱架和格栅钢架。
1.钢拱架
钢拱架是工字钢或钢轨制造而成的刚性拱架。钢拱架的最大特点是架设后能够立即承载。钢拱架与围岩间的空隙难以用喷射混凝土紧密充填,与喷射混凝土粘结也不好,导致钢拱架附近喷射混凝土出现裂缝。

2.格栅
格栅是由钢筋经冷弯成形后焊接而成,其断面形状有圆形、门形、三边形、四边形等。
格栅能够很好地与喷射混凝土一起与围岩密贴,喷射混凝土能够充满格栅及其与围岩的空隙,且能和锚杆、超前支护结构连成一体,支护效果好。
(四)锚喷支护
锚喷支护是目前通常采用的一种围岩支护手段。作为初期支护,目前在隧道工程中使用最多的组合形式时锚杆(主要指系统锚杆)加喷射混凝土(素喷或网喷)。
三、模筑混凝土衬砌
衬砌施工顺序,目前多采用由下到上、先墙后拱的顺序连续浇筑。在隧道纵向,则需分段进行,分段长度一般为8~12m。在全断面开挖成形或大断面开挖成形的隧道衬砌施工中,则应尽量使用金属模板台车灌注混凝土整体衬砌。
1.衬砌施工的准备工作
(1)组装式模板
先墙后拱法施工,应按线路中线确定边墙模板的设计位置。然后搭设工作平台灌注边墙混凝土。对于先墙后拱法施工,拱架是架设在墙架的立柱上的。
先拱后墙法施工时,拱架的架设是在复核检查中线及拱部净空无误后,在拱脚放线定位,直接支承在地层上,现场广泛采用 38kg / m 的旧钢轨弯制成的钢拱架。
(2)整体移动式模板台车


环球网校友情提示:如果您在此过程中遇到任何疑问,请登录环球网校一级建造师频道及考试论坛,随时与广大考生朋友们一起交流!
编辑推荐:
交流互动:一建微博|微信edu24ol_jzs1|QQ群342289995
最新资讯
- 2025年一建卡人的效果出来了,95分或许还有救!2025-12-22
- 抢占先机!2026年一级建造师备考攻略请查收!2025-12-22
- 2026年一建考试用书14册同步预售,每科新增或变动5%-30%2025-12-19
- 2026年一级建造师新教材每科新增或变动5%-30%2025-12-19
- 2026年一级建造师新教材变动比例!每科变动5%-30%!2025-12-17
- 2026版一级建造师考试教材开启预售,备考抢先一步2025-12-12
- 已整理!2026年一级建造师教材或将迎来这些改变2025-12-12
- 【免费领取】2026年一建:从真题视角看备考这件事课程2025-11-20
- 【免费领取】还在为案例题发愁?2026年一建案例精批体验课让你快速提分!2025-11-14
- 【免费领取】一建重点知识闪记宝典,高分必备!2025-11-13