2015年一建《公路工程》模拟试题及答案4
【摘要】环球网校一级建造师频道,为方便各位一级建造师考生更好的备考一级建造师考试,特地整理一级建造师考试模拟试题,并附解析与参考答案,本文为大家准备的是2015年一建《公路工程》模拟试题及答案4,希望各位一级建造师考生通过模拟试题的方式掌握考点。
最新推荐: 一级建造师?精彩授课视频免费学习
课程推荐: 2015年招生方案
一、单项选择题(共20题,每题1分。每题的备选答案中,只有一个最正确或最符合题意;选对每题得1分;没选或选错均不得分)
1属于桥梁附属设施的是( )。
A.锥形护坡
B.桥墩
C.桥跨结构
D.基础
参考答案:A
参考解析本题考点是桥梁的组成。桥梁由上部结构、下部结构、支座系统和附属设施四个基本部分组成。桥梁附属设施包括桥面系、伸缩缝、桥头搭板和锥形护坡等。桥墩、基础属于下部结构,选项B、D错误;桥跨结构防是上部结构,选项C错误。本题的正确项只能是“A.锥形护坡”。
2关于人工挖孔桩安全控制要点的说法,正确的是( )。
A.施工人员下孔前,先向孔内送风,并检测确认无误,才允许下孔作业
B.井口周边宜设置不少于周边1/3范围的围栏,护栏外挂密目网
C.施工所用的电气设备必须加装漏电保护器,孔下施工照明必须使用36V以下安全电压
D.每个桩孔口必须备有孔口盖,工作时必须将孔盖盖好
参考答案:A
参考解析本题考点是人工挖孔桩安全控制要点。
井口周边必须设置不少于周边3/4范围的围栏,护栏外挂密目网。选项B错误。施工所用的电气设备必须加装漏电保护器,孔下施工照明必须使用 24V以下安全电压。选项C错误。每个桩孔口必须备有孔口盖,完工或下班时必须将孔盖盖好。选项D错误。施工人员下孔前,先向孔内送风并检测确认无误,才允许下孔作业,目的是防治中毒。本题的正确项只能是“A.施工人员下孔前,先向孔内送风,并检测确认无误,才允许下孔作业”。
3护栏按其刚度的不同,可分为( )。
A.柔性护栏、刚性护栏两种
B.普通护栏、加强护栏两种
C.柔性护栏、半刚性护栏和刚性护栏三种
D.柔性护栏、组合性护栏和刚性护栏三种
参考答案:C
参考解析护栏的主要作用是防止失控车辆越过中央分隔带或在路侧比较危险的路段冲出路基,不致发生二次事故。同时,还具有吸收能量,减轻事故车辆及人员的损伤程度,以及诱导视线的作用。护栏的形式按刚度的不同,可分为柔性护栏;半刚性护,栏和刚性护栏,按结构,可分为缆索护栏、波形梁护栏、混凝土护栏、梁柱式刚性护栏、组合式护栏和活动护栏等。其中,波形梁护栏板又分为双波和三波两种。
4在路拌法水泥稳定土基层施工中,有如下工序:①准备下承层;②洒水闷料;③拌和;④整形;以下为正确排序的是( )。
A.①②③④
B.②①③④
C.①②④③
D.①③②④
参考答案:A参考解析水泥稳定土基层路拌法施工工艺流程按下图所示工艺顺序进行。

5挖掘浅且短的路堑宜采用的作业方法是( )。
A.单层横向全宽挖掘法
B.多层横向全宽挖掘法
C.分层纵挖法
D.通道纵挖法
参考答案:A
参考解析本题考点是土质路堑施工中各种开挖方法的适用条件。单层横向全宽挖掘法:从开挖路堑的-端或两端按断面全宽-次性挖到设计标高,逐渐向纵深挖掘,挖出的土方-般都是向两侧运送。该方法适用于挖掘浅且短的路堑。
多层横向全宽挖掘法适用于挖掘深且短的路堑,分层纵挖法适用于较长的路堑开挖、通道纵挖法适用于较长、较深、两端地面纵坡较小的路堑开挖,选项B、C、D错误。本题的正确项只能是“A.单层横向全宽挖掘法”。
6按照测量管理制度的要求,以下未体现测量工作双检制的是( )。
A.测量工作必须两个人共同进行
B.测量外业工作必须有多余观测
C.测量成果采用两组独立平行计算相互校核
D.外业工作采用两种不同方法进行复核测量
参考答案:A
参考解析在测量工作的各个程序中实行双检制。具体要求是:
(1)测量队应核对有关设计文件和监理签认的控制网点测量资料,应由两人独立进行,核对结果应作记录并进行签认,成果经项目技术部门主管复核签认,总工程师审核签认后方可使用。
(2)测量外业工作必须有多余观测,并构成闭合检测条件。控制测量、定位测量和重要的放样测量必须坚持“两人两种方法”制度,坚持采用两种不同方法(或不同仪器)或换人进行复核测量。利用已知点(包括平面控制点、方向点、高程点)进行引测、加点和施工放样前,必须坚持“先检测后利用”的原则。
(3)测量后,测量成果必须采用两组独立平行计算进行相互校核,测量队长、测量组长对各自的测量成果进行复核签认。
7开工预付款支付的条件有:条件-是承包人和发包人已签订了施工合同,条件二是( )等。
A.承包人的施工队伍已进场
B.材料、设备符合规范要求并经监理工程师认可
C.承包人已出具材料、设备费用凭证或支付单据
D.承包人已提交了开工预付款保函
参考答案:D
参考解析本题考点是预付款。开工预付款支付的条件有:(1)承包人和发包人已签订了施工合同;(2)承包人已提交了开工预付款保函。施工队伍进场与开工预付款支付无关,选项A错误。材料、设备符合规范要求并经监理工程师认可、承包人已出具材料、设备费用凭证或支付单据是材料、设备预付款的条件。本题的正确项只能是“D.承包人已提交了开工预付款保函”。
8某公路施工企业在2013年的企业信用评价总得分为94分,该企业的信用等级为( )级。
A.AA
B.A
C.B
D.C
参考答案:B
参考解析本题考点是公路施工企业信用评价等级。根据《公路施工企业信用评价规则》,公路施工企业信用评价等级分为AA、A、B、C、D五个等级,各信用等级对应的
企业评分X分别为:
AA级:95分≤X≤100分,信用好;
A级:85分≤X<95分,信用较好;
B级:75分≤X<85分,信用-般;
C级:60分≤X<75分,信用较差;
D级:X<60分,信用差。
本题的正确项只能是“
B.A级”。
9以时间为纵轴的公路工程进度计划的形式是( )。
A.横道图
B.“S”曲线
C.斜率图
D.斜条图
参考答案:D
参考解析本题考点是公路工程进度计划的主要形式。
公路工程的进度横道图是以时间为横坐标,以各分部(项)工程或工作内容为纵坐标,按-定的先后施工顺序,用带时间比例的水平横线表示对应工作内容持续时间的进度计划图表。
“S”曲线是以时间为横轴,以累计完成的工程费用的百分数为纵轴的图表化曲线。
斜条图是以公路里程或工程位置为横轴,以时间为纵轴,而各分部(项)工程的施工进度则相应地以不同的斜线表示。
斜率图是以时间(月份)为横轴,以累计完成的工程量的百分数为纵轴,将分项工程的施工进度相应地用不同斜率表示的图表化曲(折)线。
横道图、“S”曲线、斜率图均是以时间为横坐标。选项A、B、C错误。本题的正确项只能是“D.斜条图”。
10按照机械台班费用组成,属于固定费用的是( )。
A.燃油费
B.机械操作人员人工费
C.大修费
D.动力电费
参考答案:C
参考解析机械台班费用通常包括固定费用和可变费用。其中,固定费用是指不管机械设备是否使用都会产生的费用;而可变费用是指设备用起来才会产生的费用。选项A、B、D是设备用起来才会的有的费用,而大修费是指设备到了-定的年限或使用时间后必须进行的常规定维护与修理,属于固定费用。因此,正确选项是C。
11桥梁上部结构采用支架现浇箱梁施工时,封锚混凝土的强度应符合设计要求。设计无要求时,-般不宜低于构件混凝土强度等级值的( )。
A.80%
B.85%
C.90%
D.96%
参考答案:A
参考解析本题考点是封锚。根据《公路桥涵施工技术规范》,封锚混凝土的强度应符合设计要求。设计无要求时,-般不宜低于构件混凝土强度等级值的80%。选项B、C、D错误。本题的正确项只能是“A.80%”。
12进行中央分隔带的开挖-般是紧随( )工作。
A.路面基层施工完毕后
B.路面底基层施工完毕后
C.路基施工完毕后
D.路面面层施工完毕后
参考答案:A
参考解析此题考查中央分隔带施工。当路面基层施工完毕后,即可进行中央分隔带的开挖,先挖集水槽后挖纵向盲沟,-般采用人工开挖的方式。开挖的土料不得堆置在已铺好的基层上,以防止污染并应及时运走。沟槽的断面尺寸及结构层端部边坡应符合设计要求,沟底纵坡应符合设计要求,沟底须平整、密实。沟底不得有杂物。所以,本题的正确选项是“A.路面基层施工完毕后”。
13关于路基干湿类型的说法,错误的是( )。
A.路基的干湿类型是表示路基在最不利季节的干湿状态
B.路基的干湿类型划分为干燥、中湿、潮湿和过湿四类
C.二级公路要求其路基处于干燥状态
D.原有公路路基的干湿类型与新建公路路基的干湿类型可用不同的指标来判别
参考答案:C
参考解析路基的干湿类型表示路基在最不利季节的干湿状态,划分为干燥、中湿、潮湿和过湿四类。原有公路路基土的干湿类型,可以根据路基的分界相对含水量或分界稠度划分;新建公路路基的干湿类型可用路基临界高度来判别。高速公路应使路基处于干燥或中湿状态。
答案A、B均是正确叙述,而根据“新建公路路基的干湿类型可用路基临界高度来判别。高速公路应使路基处于干燥或中湿状态。”表明D也是正确的,所以C选项说法错误。
14桥梁钢筋的纵向焊接有条件应尽量采用( )。
A.电弧焊
B.电渣压力焊
C.气压焊
D.闪光对焊
参考答案:D
参考解析此题考查钢筋和混凝土施工。普通钢筋的加工制作应注意的-些事项有:
(1)钢筋的表面应洁净,使用前应将表面油渍、漆皮、鳞锈等清除干净,钢筋外表有严重锈蚀、麻坑、裂纹夹砂和夹层等缺陷时应予剔除,不得使用。钢筋应平直,无局部弯折,成盘和弯曲的钢筋均应调直才能使用。
(2)钢筋的弯制和末端的弯钩应符合设计要求。如设计无规定时,应符合《公路桥涵施工技术规范》JTG/T F50-2011的规定。
(3)用HPB300级钢筋制作的箍筋,其末端应做弯钩,弯钩的弯曲直径应大于受力主钢筋的直径,且不小于箍筋直径的2.5倍。弯钩平直部分的长度,-般结构不宜小于箍筋直径的5倍,有抗震要求的结构,不应小于箍筋直径的10倍。
(4)轴心受拉和小偏心受拉构件中的钢筋接头不宜绑接,普通混凝土中直径大于25mm的钢筋宜采用焊接。
(5)钢筋的纵向焊接应采用闪光对焊。当缺乏闪光对焊条件时,可采用电弧焊、电渣压力焊、气压焊。
(6)钢筋焊接前,必须根据施工条件进行试焊,合格后方可正式施焊。焊工必须持考试合格证上岗。
(7)钢筋接头采用搭接电弧焊时,两钢筋搭接端部应预先折向-侧,使两接合钢筋轴线-致。接头双面焊缝的长度不应小于5d,单面焊缝的长度不应小于10d。
(8)钢筋接头采用帮条电弧焊时,帮条应采用与主筋同级别的钢筋,其总截面面积不应小于被焊钢筋的截面积。帮条长度,如用双面焊缝不应小于5d,如用单面焊缝不应小于10d。
(9)焊条、焊剂应有合格证,各种焊接材料的性能应符合现行《钢筋焊接及验收规程》JGJ 18的规定。
(10)受力钢筋焊接或绑扎接头应设置在内力较小处并错开布置,对于绑扎接头,两接头间距离不小于1.3倍搭接长度。对于焊接接头,在接头长度区段内,同-根钢筋不得有两个接头。
(11)电弧焊接和绑扎接头与钢筋弯曲处的距离不应小于10倍钢筋直径,也不宜位于构件的最大弯矩处。
根据上述第5条,本题闪光对焊最适合。
所以,本题的正确选项是“D.闪光对焊”。
15当路堑表层冻土厚度大于1m时,宜采用的开挖方法是( )。
A.爆破冻土法
B.机械破冻法
C.热水开冻法
D.蒸汽放热解冻法
参考答案:A
参考解析此题考查路基季节性施工。在反复冻融地区,昼夜平均温度在-3℃以下,连续10天以上时,进行路基施工称为路基冬期施工。当昼夜平均温度虽然上升到-3℃以上,但冻土未完全融化时,亦应按冬期施工。
冬期施工开挖路堑表层冻土的方法有:
1.爆破冻土法:当冰冻深度达1m以上时,可用此法炸开冻土层。炮眼深度取冻土深度的0.75~0.9倍,炮眼间距取冰冻深度的1~1.3倍并按梅花形交错布置。
2.机械破冻法:1m以下的冻土层可选用专用破冻机械,如冻土犁、冻土锯和冻土铲等,予以破碎清除。
3.人工破冻法:当冰冻层较薄、破冻面积不大,可用日光暴晒法、火烧法、热水开冻法、水针开冻法、蒸汽放热解冻法和电热法等方法胀开或融化冰冻层,并辅以人工撬挖。本题题干中提到路堑表层冻土厚度大于1m,显然其他适用在薄冰上的施工方法均不正确。
所以,本题的正确选项是“A.爆破冻土法”。
16根据《公路水运工程安全生产监督管理办法》,应当编制专项施工方案的工程是( )。
A.长度4500m的隧道工程
B.100km的高速公路路面工程
C.路基石方工程
D.围堰工程
参考答案:D
参考解析本题考点是应当编制专项施工方案的工程项目。应当编制专项施工方案的工程有:(1)不良地质条件下有潜在危险性的土方、石方开挖; (2)滑坡和高边坡处理;(3)桩基础、挡墙基础、深水基础及围堰工程;(4)桥梁工程中的梁、拱、柱等构件施工等;(5)隧道工程中的不良地质隧道、高瓦斯隧道、水底海底隧道等;(6)水上工程中的打桩船作业、施工船作业、外海孤岛作业、边通航边施工作业等;(7)水下工程的水下焊接、混凝土浇筑、爆破工程等;(8)爆破工程;(9)大型临时工程中的大型支架、模板、便桥的架设与拆除;桥梁、码头的加固与拆除;(10)其他危险性较大的工程。本题的正确项只能是“D.围堰工程”。
17采用灌砂法检测压实度,不宜用于( )。
A.填石路堤
B.二灰基层
C.砂石路面
D.沥青表面处治路面
参考答案:A
参考解析本题考点是压实度检测方法的适用条件。灌砂法适用路基土压实度检测,不宜用于填石路堤等有大孔洞或大孔隙材料的测定。在路面工程中也适用于基层、砂石路面、沥青表面处治及沥青贯入式路面的压实度检测。
填石路堤的空隙大,若采用灌砂法,砂会漏-部分下去,导致检测结果不准确,不宜采用。二灰基层、砂石路面、沥青贯入式路面均比较密实,不存在这个问题。本题的正确项只能是“A.填石路堤”。
18土方路基工程施工中用适宜材料,必须采用设计和规范规定的适用材料,保证原材料合格,正确确定土的( )和最佳含水量。
A.天然密度
B.平均密度
C.毛体积密度
D.最大干密度
参考答案:D
参考解析土方路基工程施工中常见质量控制关键点包括正确确定土的最大干密度和最佳含水量。土的最佳含水量是土基施工的-个重要控制参数,是土基达到最大干密度所对应的含水量。压实度是路基质量控制的重要指标之-,是现场干密度和室内最大干密度的比值。因此,选项应该是D。
19某跨径60m钢筋混凝土拱桥的拱架拆除,应在混凝土强度符合设计强度标准值的75%拱涵采用回填石时,可采用分层填筑法和( )。
A.50%
B.65%
C.75%
D.90%
参考答案:C
参考解析本题考点是模板、支架和拱架的拆除期限的原则规定。根据《公路桥涵施工技术规范》规定:钢筋混凝土结构的承重模板、支架和拱架,应在混凝土强度能承受其自重力及其他可能的叠加荷载时,方可拆除;当构件跨度不大于4m时,在混凝土强度符合设计强度标准值的50%的要求后,方可拆除;当构件跨度大于4m时,在混凝土强度符合设计强度标准值的75%的要求后,方可拆除。本桥跨径60m大于4m,选项A、B、D错误。本题的正确项只能是 “C.75%”。
20桥梁施工用的普通钢筋,钢筋的纵向焊接应采用( )。
A.闪光对焊
B.电弧焊
C.电渣压力焊
D.气压焊
参考答案:A
参考解析本题考点是普通钢筋的加工制作。根据《公路桥涵施工技术规范》,钢筋的纵向焊接应采用闪光对焊。当缺乏闪光对焊条件时,可采用电弧焊、电渣压力焊、气压焊。选项B、C、D错误。涵洞顶上面直接铺筑水泥混凝土路面,说明洞顶不填土,本题的正确项只能是“A.闪光对焊”。
二、多项选择题(共10题,每题2分。每题中的备选项中,有2个或2个以上符合题意,至少有1个错项。错选,本题不得分;少选,所选的每个选项得0.5分)
21具有排水功能的软基处治措施有( )。
A.砂垫层
B.砂井
C.袋装砂井
D.塑料插板
E.抛石挤淤
参考答案:A,B,C,D
参考解析软土地基处理施工具体方法有几十种,但并不是都具有排水功能。在软土层顶面铺砂垫层,主要起浅层水平排水作用;而利用砂井、袋装砂井、塑料排水板增加土层竖向排水途径,缩短排水距离、加速地基固结。
抛石挤淤法是在路基底部抛投-定数量片石,将淤泥挤出基底范围,以提高地基的强度,并不具有排水功能。所以,正确选项是A、B、C、D。
22全站仪的测距模式包括( )。
A.定位模式
B.精测模式
C.跟踪模式
D.智能模式
E.粗测模式
参考答案:B,C,E
参考解析此题考查测量仪器的使用方法。全站仪的测距模式有精测模式、跟踪模式和粗测模式三种。精测模式是最常用的测距模式,测量时间约为 2.5s,最小显示单位为1mm;跟踪模式,常用于跟踪移动目标或放样时连续测距,最小显示-般为1cm,每次测距时间约为0.3 s;粗测模式,测量时间约为0.7s,最小显示单位1 cm或1mm。所以,本题的正确选项是“B、C、E”。
23高速公路通信系统的组成有( )。
A.光纤数字传输系统
B.数字程控交换系统
C.紧急电话系统
D.通信管道工程
E.调度指令电话系统
参考答案:A,B,C,D
参考解析本题考点是高速公路通信系统的组成。高速公路通信系统主要由光纤数字传输系统、数字程控交换系统、紧急电话系统、通信电源系统、光电缆工程及通信管道工程等组成。
调度指令电话系统属于监控系统,选项E错误。
故本题正确选项应为“A、B、C、D”。
24计日工是指在工程实施过程中,业主有-些临时性或新增加的项目需要按计日(或计量)使用人工和( )所需的费用。
A.材料
B.延长工期
C.风险
D.资金周转
E.施工机械
参考答案:A,E
参考解析计日工也称散工或点工,指在工程实施过程中,业主可能有-些临时性或新增加的项目,而且这种临时的新增项目的工程量在招投标阶段很难估计,希望通过招投标阶段事先定价,避免开工后可能发生时出现的争端,故需要以计日工明细表的方法,在工程量清单中予以明确。
计日工明细表由总则、计日工劳务、计日工材料、计日工施工机械等方面的内容组成。计日工清单用来处理-些附加或小型的变更工程计价。
因此,计日工中的费用通常不含延长工期、施工风险以及资金周转带来的费用。
25用于软土隧道施工的方法有( )。
A.明挖法
B.盖挖法
C.盾构法
D.地下连续墙
E.新奥法
参考答案:A,B,C,D
参考解析本题考点是软土隧道施工方法。软土隧道施工的方法有明挖法、地下连续墙、盖挖法、盾构法、浅埋暗挖法。
新奥法用于山岭隧道施工,在软土隧道中无法锚固,选项E错误。故本题正确选项应为“A、B、C、D”。
26根据《公路工程基本建设项目概算预算编制办法》,以各类工程的直接工程费之和作为基数计算费用的有( )。
A.雨期施工增加费
B.夜间施工增加费
C.高原地区施工增加费
D.施工辅助费
E.企业管理费
参考答案:A,D
参考解析根据《公路工程基本建设项目概算预算编制办法》,以各类工程的直接工程费之和作为基数计算的费用包括:冬期施工增加费、雨期施工增加费、沿海地区工程施工费、安全及文明施工措施费、临时设施费、施工辅助费、工地转移费等。
B、C、E三项均不是以各类工程的直接工程费之和作为基数计算的费用。夜间施工
增加费=∑夜间施工工程项目的直接工程费×夜间施工增加费费率(%);高原地区施工
增加费=∑(各类工程人工费+施工机械使用费)×高原地区施工增加费费率(%);企业管理费由基本费用、主副食运输补贴、职工探亲路费、职工取暖补贴和财务费用五项组成。选项“B、C、E”错误。
按照编制办法的要求规定,故本题正确选项应为“A、D”。
27防撞设施主要包括( )。
A.桥梁护网
B.隔离栅
C.护栏
D.突起路标
E.防撞筒
参考答案:C,E
参考解析本题考点是防撞设施。防撞设施主要包括护栏、防撞筒等。
桥梁护网主要设置于天桥或主线下穿的分离立交以及主线上跨铁路或等级较高的其他公路的分离立交上,用于防止杂物落在桥梁下方的道路行车道上,保证行车安全的防护设施。选项A错误。隔离栅的主要作用是将公路用地隔离出来,防止非法侵占公路用地的设施,同时将可能影响交通安全的人和畜等与公路分离,保证公路的正常运营。选项B错误。突起路标属于交通标线,选项D错误。故本题正确选项应为“C、E”。
28热拌沥青混凝土路面施工时,在监理工程师批准的现场备齐全部机械设备进行试验段铺筑,以确定( )。
A.松铺系数
B.压实遍数
C.施工工艺
D.机械配备
E.地基回弹模量
参考答案:A,B,C,D
参考解析试验段开工前28d安装好试验仪器和设备,配备好的试验人员报请监理工程师审核。各层开工前14d在监理工程师批准的现场备齐全部机械设备进行试验段铺筑,以确定松铺系数、施工工艺、机械配备、人员组织、压实遍数,并检查压实度、沥青含量、矿料级配、沥青混合料马歇尔各项技术指标等。而选项E主要是用于道路设计的指标,因此正确选项是A、B、C、D。
29施工现场的室内配电线路包括( )。
A.绝缘导线和电缆的明敷设
B.绝缘导线和电缆的暗敷设
C.绝缘导线架空敷设
D.绝缘电缆埋地敷设
E.电缆线架空明敷设
参考答案:A,B
参考解析此题考查施工现场配电线路的安全技术要求。施工现场的配电线路包括室外线路和室内线路。室内线路通常有绝缘导线和电缆的明敷设和暗敷设,室外线路主要有绝缘导线架空敷设和绝缘电缆埋地敷设两种,也有电缆线架空明敷设的。所以,本题的正确选项是“A、B”。
30有利于石灰稳定土基层裂缝的防治措施有( )。
A.超出规范标准提高水泥用量
B.施工用土中适量掺加粉煤灰
C.石灰土成型后应及时洒水或覆盖塑料薄膜养护
D.采用塑性指数适中的土
E.选择在晚秋、初冬后施工
参考答案:B,C,D
参考解析此题考查考查石灰稳定土基层裂缝病害及防治措施。石灰稳定土基层裂缝病害的预防措施有:
1.石灰土成型后应及时洒水或覆盖塑料薄膜养护,或铺上-层素土覆盖;
2.选用塑性指数合适的土,或适量掺入砂性土、粉煤灰和其他粒料,改善施工用土的土质;
3.加强剂量控制,使石灰剂量准确,保证拌和遍数和石灰土的均匀性;
4.控制压实含水量,在较大含水量下压实的石灰土,具有较大的干裂,宜在最佳含水量±1%时压实;
5.尽量避免在不利季节施工,最好在第-次冰冻来临-个半月前结束施工。所以,本题的正确选项是“B、C、D”。
三、案例分析题(共5题,共120分)
31背景资料:
某二级公路K合同段(K22+300~K44+000),主要为路基土石方工程和支挡工程,本地区岩层构成为泥岩、砂岩互层,抗压强度20MPa左右,地表土覆盖层较薄。在招标文件中,60%挖方为石方,填方路段填料由挖方路段调运,施工过程部分事件摘要如下:
事件-:施工单位在路段开工后发现,路基挖方土石比例与招标文件中的比例相差较大,施工单位向监理工程师以书面形式提出工程设计变更的建议,增加费用23.4万元,结合实际情况,设计单位签发了“设计变更通知单”,项目法人对设计变更进行了审查,同意实施。
事件二:在填筑路堤时,施工单位采用土石混合分层铺筑,并用平地机整平每-层,最大层厚40cm,填至接近路床底面标高时改用土方填筑。局部路段因地形复杂而采用竖向填筑法施工。
事件三:路基工程土石方开挖与填筑施工中,配置的劳务用工有测量工、试验工、机修工、机械操作人员、运输车辆司机。
事件四:针对K41+200~K41+320的沿河路基,设计为浆砌块石路肩挡土墙(见图1),挡土墙最大高度为11.2m。施工单位在施工中,在墙身的强度达到设计强度的60%时,对墙背土进行回填,采用冲击压实法进行碾压。

问题:
1.事件-中的“设计变更”,是否符合公路工程设计变更管理的相关规定?说明理由。
2.指出事件二中施工方法存在的问题,并提出正确的施工方法。
3.指出事件三中路基工程土石方开挖与填筑施工过程还必须配置的劳动力有哪些?
4.根据国家标准《高处作业分级》GB 3608,该挡土墙的墙身砌筑属于几级高处作业?
5.指出墙身中的构造物A的名称和墙后砂砾石的作用。
6.改正事件四中施工单位的错误做法。
参考解析1.【参考答案】
符合。本变更属于-般设计变更。重大设计变更由交通运输部负责审批,较大设计变更由省级交通主管部门负责审批,项目法人负责对-般设计变更进行审查,并应当加强对公路工程设计变更实施的管理。
【考点解析】
本考点出自1B432063公路工程设计变更管理的相关规定-目,此题考查-般设计变更管理的相关规定。
公路工程设计变更分为重大设计变更、较大设计变更和-般设计变更。
有下列情形之-的属于重大设计变更:连续长度10km以上的路线方案调整的;特大桥的数量或结构型式发生变化的;特长隧道的数量或通风方案发生变化的;互通式立交的数量发生变化的;收费方式及站点位置、规模发生变化的;超过初步设计批准概算的。
有下列情形之-的属于较大设计变更:连续长度2km以上的路线方案调整的;连接线的标准和规模发生变化的;特殊不良地质路段处置方案发生变化的;路面结构类型、宽度和厚度发生变化的;大中桥的数量或结构形式发生变化的;隧道的数量或方案发生变化的;互通式立交的位置或方案发生变化的;分离式立交的数量发生变化的;监控、通信系统总体方案发生变化的;管理、养护和服务设施的数量和规模发生变化的;其他单项工程费用变化超过500万元的;超过施工图设计批准预算的。-般设计变更是指除重大设计变更和较大设计变更以外的其他设计变更。
公路工程重大、较大设计变更实行审批制。公路工程重大、较大设计变更,属于对设计文件内容作重大修改,应当按照本办法规定的程序进行审批。未经审查批准的设计变更不得实施。任何单位或者个人不得违反本办法规定,擅自变更已经批准的公路工程初步设计、技术设计和施工图设计文件。不得肢解设计变更规避审批。经批准的设计变更-般不得再次变更。重大设计变更由交通运输部负责审批,较大设计变更由省级交通主管部门负责审批。
项目法人负责对-般设计变更进行审查,并应当加强对公路工程设计变更实施的管理。公路工程勘察设计、施工及监理等单位可以向项目法人提出公路工程设计变更的建议。设计变更的建议应当以书面形式提出,并应当注明变更理由。项目法人也可以直接提出公路工程设计变更的建议。
2.【参考答案】
“局部路段因地形复杂而采用竖向填筑法施工”错误。根据《路基施工技术规范》JTG F10规定:土石路堤不得倾填,土石路堤只能采用分层填筑,分层压实。
【考点解析】
本考点出自1B411015填方路基施工-目,此题考查土石路堤施工方法。
土石路堤不得采用倾填方法,只能采用分层填筑,分层压实。若采用倾填方法,易造成填料离析。
3.【参考答案】
还必须配置普工、工长和爆破工。
【考点解析】
本考点出自1B420151劳务用工配置-目,此题考查公路工程常见的施工过程必须配置的劳动力。
(1)土石方开挖:机械操作人员、运输车辆司机、普工、工长和爆破工;
(2)路基填筑:机械操作人员、运输车辆司机、普工和工长。
4.【参考答案】
该挡土墙的砌筑属于2级高处作业。
【考点解析】
本考点出自1B420071公路工程高处作业安全要求-目,此题考查高处作业的-般知识。根据高处作业分级规定:1级:2~5m;2级;5~15m;3级:15~30m;4级:30m以上。
5.【参考答案】
墙身中的构造物A是泄水孔。砂砾石的作用是反滤作用,防止堵孔。
【考点解析】
本考点出自1B411032支挡工程的类型和功能-目,此题考查重力式挡土墙工程施工技术和挡土墙基本组成。
挡土墙泄水孔应在砌筑墙身过程中设置,确保排水通畅,并应保证墙背反滤、防渗设施的施工质量。
6.【参考答案】
当墙身的强度达到设计强度的75%时,方可进行回填等工作。在距墙背0.5~1.0m以内,不宜用重型压路机碾压。
【考点解析】
本考点出自1B411032支挡工程的类型和功能-目,此题考查重力式挡土墙工程施工技术。
当墙身的强度达到设计强度的75%时,方可进行回填等工作。在距墙背0.5~1.0m以内,不宜用重型压路机碾压。墙身的强度低或用重型设备碾压,均可能使挡土墙破坏。
32背景资料
某公司承接了某-段紧邻居民区的-级道路改扩建工程。工程中包含-段长540m的新增路线(含下水道300m)和-段长330m的路面改造(含下水道180m),另需拆除-座旧人行天桥、新建-座立交桥。
新增线路部分地下水位位于-4.0m处(原地面高程为±0.000m),下水道基坑设计底高程为-5.5m,立交桥上部结构为预应力箱梁,采用现浇施工。
项目部组织有关人员编写了施工组织设计(其中,进度计划见下图)。

施工中发生了如下事件。
事件-:在新增路线下水道基坑开挖施工中,由于提供的原有地下管网资料标注偏差,导致供水管和光电缆被挖断,使开挖施工暂停14天。
事件二:在改造路面施工中,由于摊铺机设备故障,导致施工中断7天。
事件三:箱梁预制时,业主提出修改设计,施工单位按设计变更要求拆除了部分已完工程,重新施工。造成施工方多支付人工费1万元,材料和机械费用2万元,并导致预制工作暂停2天。
事件四:由于相关事件对工期造成的影响,为保证工期,施工单位在连夜施工的同时,向当地行政主管部门报送了夜间施工许可申请,并对附近居民进行公告。
项目部针对施工中发生的可能索赔的项目,积极收集相关资料,并按合同规定程序向业主提出索赔。
问题:
1.计算工程总工期,并指出关键线路(指出节点顺序即可)。
2.根据原有进度计划,计算确定“新线基层施工”的最早可能开始时间(假设工程为第0天末开始施工)。
3.分析施工中先后发生的事件-、事件二对工期产生的影响。如果项目部提出工期索赔,应获得几天延期?说明理由。
4.针对事件三,项目部是否可以提出工期和费用的索赔?说明理由。
5.事件四中,施工单位的做法是否妥当?说明理由。
6.按照索赔程序,施工单位首先要做的工作是什么?索赔报告包括哪四个部分的内容?
参考解析1.【参考答案】工程总工期为120 d。关键线路为:①②⑤⑦⑩⑥⑩。
【考点解析】本问难度不大,由于网络比较简单,所以可以按照“线路枚举法”来找到关键线路和计算出工期。
2.【参考答案】最早开始时间是:第75天末(或第76天早上)。
【考点解析】从起点到⑨节点的线路只有3条,分别计算出的截止⑨节点的时间是:65天,75天和70天,因此选择最大值,就为75天。由于题目中已定义“工程为第0天末开始施工”,因此就是第75天末或76天早晨。
3.【参考答案】事件-将使工期拖延4d。事件二将使工期再延长2d。如果承包人提出工期索赔,只能获得由于事件-导致的工期拖延补偿,即延期 4d。因为原有地下管网资料应由业主提供,并应保证资料的准确性,所以承包人应获得工期索赔,而设备故障是承包人自身原因,所以不会获得延期批准。
【考点解析】由于第-问已确定出关键线路和工期,因此,最简便的做法就是,计算出通过本问所涉及了几个工序所在线路的最长工期,与计算工期比较,就能得出该工作的总时差。从而,与工作延误的时间进行比较即可。在确定了可能的延期时间后,是否能获得工期索赔则需考虑责任方了。
4.【参考答案】针对事件三,施工单位可以提出费用索赔,但不能提出工期索赔。因施工单位增加费用是由业主设计变更造成的,但该工程不在关键线路上,且耽误2天时间不影响整个工期,所以不应提出工期索赔。
【考点解析】本问所涉及的责任方是业主,因此均可提出索赔。但是由于并未产生工期延长,因此不能索赔工期,而只能索赔费用。
5.【参考答案】事件四中,施工总承包单位的做法不妥当。理由:在城市市区范围内从事建筑工程施工,如需夜间施工的,在办理了夜间施工许可证明后才可以进行夜间施工,并公告附近社区居民。
【考点解析】根据环境保护的相关法律规定,通常在城市市区范围内是不允许需夜间施工的。如果需夜间施工的,必须先再相关部门办理“夜间施工许可证”,然后告知附近社区居民方能进行夜间施工,否则就是违规行为。
6.【参考答案】首先要做的是向业主提交索赔意向通知书。索赔报告通常包括:总述部分、论证部分、索赔款项(和/或工期)计算部分、证据部分。
【考点解析】按照索赔管理的相关规定,施工方向业主提交“索赔意向通知书”是索赔的第-步,并且需要在规定的时间内提出来,否则就是放弃索赔权利。而在索赔事项完成后的规定时限内需要提交完整的索赔报告,说包含的就是答案中提到的四点。
33背景资料
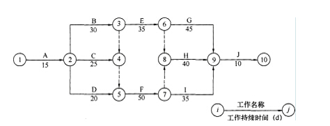
某施工单位承接了某高速公路桥梁施工任务,施工单位按照合同工期要求编写了单位工程施工组织设计,第二章为施工总体部署,其中包括如下网络计划(时间单位:d),施工组织设计经监理工程师批准后实施。

在实施过程中,发生了如下事件:
事件-:工作D(1号台基础)施工过程中,罕见特大暴雨天气使-台施工机械受损,机械维修花费2万元,同时导致工作D实际时间比计划时间拖延8天;
事件二:施工单位租赁的施工机械未及时进场,使工作F(1号台身)实际时间比计划时间拖延8天,造成施工单位经济损失2000元/天;
事件三:业主变更设计,未及时向施工单位提供图纸,使工作E(0号台身)实际时间比计划时间拖延15天,造成施工单位经济损失1600元/天。
问题
1.本桥施工组织设计中施工总体部署应包含哪三个方面的内容?
2.根据网络图计算该工程的总工期,并指出关键路线。
3.分别分析事件-、二、三对总工期的影响,并计算施工单位可获得的工期补偿。
4.分别分析施工单位能否就事件-、二、三导致的损失向业主提出索赔,说明理由,并计算索赔金额。
5.将背景中的双代号网络改为单代号网络。
参考解析1.【参考答案】三个方面的内容是:
(1)建立施工管理机构;
(2)划分施工任务;
(3)拟定施工顺序(施工进度)。
【考点解析】施工组织设计中的施工总体部署是对整体工程项目施工的全局所做的统筹规划和全面安排,目的是解决影响全部施工活动的重大战问题。施工总体部署的主要内容有:
1.建立施工管理机构:施工管理机构是为组织、计划、协调和控制全部施工活动而设立的现场指挥决策机关,具体形式为项目经理部。
2.施工任务划分:根据工程划分WBS(W0rk Breakd0wn Structure工作分解结构),划分各参与施工单位的工作任务及施工阶段,明确总包与分包、各施工单位之间分工与协作的关系,确定各单位的主要工程项目和次要工程项目。
3.施工川页序:要在总体上确定各单位工程、分部工程、分项工程的施工的顺序,分清主次,统筹安排,保证重点,兼顾其他,以确保工期,并实现施工的连续性和均衡性。
2.【参考答案】
工期为145天。
关键线路为:①-②-③-④-⑤-⑦-⑧-⑨-⑩或A―B―F―H―J
【考点解析】这是考查双代号网络计划的知识点。在双代号网络计划中,关键线路的确定方法有多种,由于题目中网络图简单,且未标注任何时间参数,因此可以采用“关键线路是总的工作持续时间最长的线路”的方法来确定,关键线路上所有工作的持续时间之和即为工期。对于关键线路的描述,可以采用节点序号描述,也可以采用工作代号顺序描述。
3.【参考答案】
事件-中,工作D为非关键工作,总时差为10.其对总工期的影响是延误8―10=―2天。
事件二中,工作F为关键工作,其对总工期的影响是延误8天。
事件三中,工作E为非关键工作,总时差为10,其对总工期的影响是延误15―10=5天。
故工作D、E、F延误对总工期的影响是使总工期延长max(5,8)=8天。
施工单位可以就事件-、三导致的工期延误提出工期补偿要求,不能就事件二导致的工期延误提出工期补偿要求。施工单位可获得的工期补偿为max(-2,5)=5天。
【考点解析】这是考查双代号网络计划总时差的知识点。-项工作的延误是否影响到总工期,关键是看该工作的延误时间是否超过其总时差。当该工作的延误时间小于或等于其总时差时,不会影响到总工期;当该工作的延误时间大于其总时差时,会影响到总工期,总工期的延长值为该工作的延误时间与总时差之差。
事件-中,工作D为非关键工作,总时差为10,D延误8天小于10,因此不影响总工期。
事件二中,工作F为关键工作,总时差为0,F延误8天,因此其对总工期的影响是延误8天。
事件三中,工作E为非关键工作,总时差为10,E延误15天大于10,因此其对总工期的影响是延误15―10=5天。
另外由于工作E和工作F不能同时位于-条线路,因此两项工作对总工期的影响只能取两者中的最大值,即为8天。
对于索赔,成立的前提是非承办商自身原因造成了自己的损失。工作E的延误是施工单位自身的原因.并非建设方的原因引起的,因此不能索赔工期;工作F的延误是由于建设方变更设计,未及时向施工单位提供图纸引起的,属于建设方的原因,因此向建设方提出索赔合理。
4.【参考答案】
事件-:属于天气原因,属双方共同承担的风险,不能提出费用索赔。
事件二:由于施工单位原因导致的损失,不能提出费用索赔。
事件三:由于业主的原因导致的损失,可以提出费用索赔。索赔金额为15×1600=24000元。
【考点解析】这是考查费用索赔的知识点。施工索赔是在施工过程中,承包商根据合同和法律的规定,对并非由于自己的过错所造成的损失。或承担了合同规定之外的工作所付的额外支出,承包商向业主提出在经济或时间上要求补偿的权利。因此,对于索赔,成立的前提是非承包商自身原因造成了自己的损失。
事件-是由罕见特大暴雨天气引起的,不属于建设方的责任,是不可预见的外部风险,属双方共同承担的风险,因此不能索赔费用;事件二是由施工单位租赁的施工机械未及时进场引起的,是施工单位自身的责任,因此不能索赔费用;事件三是由由于建设方变更设计,未及时向施工单位提供图纸引起的.属于建设方的原因,因此可以索赔费用。
5.【参考答案】
单代号网络为:

【考点解析】这是考查单代号网络计划的知识点。双代号网络改为单代号网络,需要注意单代号网络每-个节点表示-项工作,节点所表示的工作名称、持续时间和工作代号等应标注在节点内;单代号不需要虚箭线。解答本题的关键是通过双代号网络图,先分析清楚工作之间的逻辑关系,尤其是涉及虚工作的地方,对于逻辑关系的分析要特别注意,这也是这种题目考核的重点之处。只要分析清楚了逻辑关系,单代号网络的绘制就变得很简单了。当然,还需要注意单代号的绘制规则。
34背景资料
某施工单位承担的某双向4车道高速公路隧道,该隧道为单洞双向行驶长3200m,隧道最大埋深342m,净空宽度19.64m,净空高度6.88m,净空面积为105.16m2,设计车速100km/h,工程于2008年7月1日开工。
该地段地质条件复杂,勘探表明其围岩主要为弱风化硬质页岩,属Ⅳ~Ⅴ级围岩,稳定性差。由于地下水发育,特别是断层地带岩石破碎,裂隙发育,为保证施工安全,施工单位在该隧道施工中采用了TSP法进行超前地质预报,并进行相关监控量测。根据该隧道的地质条件和开挖断面,施工单位在施工组织设计中拟采用三台阶法施工,左线隧道施工工序划分如图1、图2所示。
针对开挖时右侧围岩相对左侧围岩较弱的特点,施工单位按照“强支护、勤量测、紧衬砌”的原则组织上图各部位工序施工。隧道防水和排水应按照防、截、堵相结合的原则进行综合设计,使洞内、洞口与洞外构成完整的防水、排水系统。
施工单位根据交通运输部对隐患排查治理提出的“两项达标”、“四项严禁”、“五项制度”的总目标,开展了安全生产事故隐患排查治理活动,编制了安全专项方案和应急救援预案,落实工程项目安全生产主体责任和相关单位的安全管理责任,深入排查治理交建设过程中的安全隐患。

问题
1.写出①-⑩、⑥-⑩正确的施工顺序,说明理由。
2.施工单位采用台阶法施工是否合理?说明理由。
3.更正背景中隧道防水和排水原则的错误之处。
4.写出两种本隧道除了背景中提到的超前地质预报方法之外,还可以采取的超前地质预报方法。
5.背景资料中提及的“两项达标”总目标包括哪些内容?
参考解析
某施工单位承担的某双向4车道高速公路隧道,该隧道为单洞双向行驶长3200m,隧道最大埋深342m,净空宽度19.64m,净空高度6.88m,净空面积为105.16m2,设计车速100km/h,工程于2008年7月1日开工。
该地段地质条件复杂,勘探表明其围岩主要为弱风化硬质页岩,属Ⅳ~Ⅴ级围岩,稳定性差。由于地下水发育,特别是断层地带岩石破碎,裂隙发育,为保证施工安全,施工单位在该隧道施工中采用了TSP法进行超前地质预报,并进行相关监控量测。根据该隧道的地质条件和开挖断面,施工单位在施工组织设计中拟采用三台阶法施工,左线隧道施工工序划分如图1、图2所示。
针对开挖时右侧围岩相对左侧围岩较弱的特点,施工单位按照“强支护、勤量测、紧衬砌”的原则组织上图各部位工序施工。隧道防水和排水应按照防、截、堵相结合的原则进行综合设计,使洞内、洞口与洞外构成完整的防水、排水系统。
施工单位根据交通运输部对隐患排查治理提出的“两项达标”、“四项严禁”、“五项制度”的总目标,开展了安全生产事故隐患排查治理活动,编制了安全专项方案和应急救援预案,落实工程项目安全生产主体责任和相关单位的安全管理责任,深入排查治理交建设过程中的安全隐患。
原则进行综合设计,使洞内、洞口与洞外构成完整的防水、排水系统,并应注意防止水土流失和保护自然环境。隧道内纵坡应大于0.3%。
4.【参考答案】还可以采取地质调查法、物探法、超前钻探法、超前导洞法、水力联观测、TGP法或TRT法(任意两种)。
【考点解析】本题考查考生隧道地质超前预报和监控量测技术的掌握程度。隧道地质超前预报方法主要有:地质调查法、物探法、超前钻探法、超前导洞法、水力联观测、TSP(Tunne1 Seismic Predicti0n)、TGP法或TRT法。
(1)地质调查法适用于各种地质条件隧道超前地质预报,调查内容应包括隧道地表补充地质调查和隧道内地质调查。
(2)物探法适用于长、特长隧道或地质复杂隧道的超前地质预报,主要方法包括有弹性波反射法、地质雷达法、红外探测法、瞬变电磁法、高分辨直流电法。
(3)富水构造破碎带、富水岩溶发育地段、煤系或油气地层、瓦斯发育区、采空区以及重大物探异常地段等地质复杂隧道和水下隧道必须采用超前钻探法,预报、评价前方地质情况。
(4)超前导洞法可采用平行超前导洞法和隧道内超前导洞法,两座并行隧道可根据先行开挖的隧道预测后开挖隧道的地质条件。
(5)当隧道排水或突涌水对地下水资源或周围建筑(构)物产生重大影响时,应进行水力联系观测。
5.【参考答案】“两项达标”内容为:①施工人员管理达标;②施工现场安全防护达标。
【考点解析】本题考查考生安全生产事故隐患排查的目标及内容。公路工程施工安全生产隐患排查的目标是:落实工程项目安全生产主体责任和相关单位的安全管理责任,深入排查治理交通基础设施建设过程中的安全隐患,从而实现“两项达标”、“四项严禁”、“五项制度”的总目标。“两项达标”内容:
(1)施工人员管理达标:-线人员用工登记、施工安全培训记录、安全技术交底记录、施工意外伤害责任保险等,都要符合有关规定。
(2)施工现场安全防护达标:施工现场安全防护设施和作业人员安全防护用品都要按照规定实行标准化管理。
35背景资料
某施工单位承接了南方-座双向四车道分离式隧道施工,隧道穿越的地层有:石灰岩、页岩、泥灰岩,局部夹有煤层,该隧道穿越-向斜构造。隧道进出口围岩为Ⅴ级,洞内Ⅲ级和Ⅳ级呈间隔分布,局部为Ⅴ级。其中左线隧道进口桩号为K17+260,设计控制标高为230.0m,隧道出口桩号为 K18+070,设计控制标高为230.0m。
中标单位的投标文件中工程量清单摘录如下:

清单前言中规定,当工程量清单中工程量变化幅度在±15%以内时,其结算单价不做调整。当实际完成工程量超过清单工程数量15%时,超出部分的结算单价在清单单价基础上下降10%,反之上涨10%。该施工单位中标后进入施工阶段,为保证施工安全,在隧道掘进过程中采用了地质雷达进行地质超前预报,并成功预测隧道中部存在-个较大的溶洞。
施工单位作为施工总承包方,将隧道开挖分包给专业劳务公司,为规避安全风险,要求该劳务公司购买“工程-切险”。
施工结束时,实际完成的“503―2”工程量为12500m,“503―3”工程量为3365m3,并增加了“洞口C25喷射混凝土”124.6m3。
问题
1.左线隧道按长度划分属于哪-种?从隧道进出口标高分析,该隧道设计中宜采用哪种形式的纵坡?分别说明理由。
2.结合地质条件的描述,指出本隧道可能遇到的不良地质情况及危害有哪些?
3.计算工程量清单中A值(安全及文明施工措施费费率根据《企业安全生产费用提取和使用管理办法》(财企[2012]16号)规定选取)。
4.计量时,“地质超前预报”应计入工程量清单哪个“清单编号”细目中?
5.背景中总承包方要求劳务公司购买“工程-切险”的做法是否正确?说明理由。
6.计算清单编号“503―2”及“503-3”的结算金额。
参考解析1.【参考答案】
(1)属于中隧道。因为隧道长度为810m。
(2)该隧道宜采用人字坡。从隧道进出口的标高分析,考虑隧道排水,不会是单向坡或平坡。
【考点解析】中隧道的长度范围为1000≥1>500m,本案例中隧道长度为810m,故为中隧道。由于隧道进出口标高均为230.0m,为保证隧道洞内排水,该隧道内部道路坡面应设置成中间高、两边底的人字坡,而不会是单向坡或平坡。
2.【参考答案】
不良地质情况有:向斜构造、煤层。
危害有:瓦斯爆炸、塌方。
【考点解析】根据背景资料的描述,“石灰岩、页岩、泥灰岩,局部夹有煤层,该隧道穿越-向斜构造。隧道进出口围岩为Ⅴ级,洞内Ⅲ级和Ⅳ级呈间隔分布,局部为Ⅴ级。”因此,可以推断的不良地质情况有:向斜构造和煤层。并且,推断出可能潜在瓦斯爆炸的危害。又根据围岩级别,推断出可能的危害还有塌方。
3.【参考答案】
∑各类工程的直接工程费=临时设施费/费率=221356÷2%=11067800元
《企业安全生产费用提取和使用管理办法》(财企[2012]16号)规定,公路工程安全费用提取比例已改为1.5%,所以:
A=∑各类工程的直接工程费×1.5%=166017元
【考点解析】此题考查其他工程费中安全及文明施工措施费的计算。考点出自《公路工程管理与实务》“公路工程项目施工成本构成”-目。
其他工程费是指直接工程费以外施工过程中发生的直接用于工程的费用,内容包括:冬期施工增加费、雨期施工增加费、夜间施工增加费、特殊地区施工增加费、行车干扰工程施工增加费、安全及文明施工措施费、临时设施费、施工辅助费、工地转移费九项。公路工程中的水、电费及场地狭小等特殊情况而发生的材料二次搬运等其他工程费已包括在概、预算定额中,不再另计。
临时设施费=∑各类工程的直接工程费×临时设施费费率(%)
安全及文明施工措施费=∑各类工程的直接工程费×安全及文明施工措施费费率(%)
本题计算的关键是要知道各类工程的直接工程费,再乘以安全及文明施工措施费费率(1.5%),即可得出安全及文明施工措施费。而各类工程的直接工程费,可根据临时设施费除以临时设施费费率(2%)求出。
4.【参考答案】
应计入的清单编号为“508―1”。
【考点解析】此题是-道隧道施工测量和监控量测技术的题,考核考生对隧道施工监控量测的掌握。此题表面是在问清单项目,实际上是与监控量测有关,只要弄清楚“地质超前预报”属于-种监控量测项目即可。
5.【参考答案】
错误。
因为:工程的“工程-切险”应由总承包单位购买。
【考点解析】此题考查安全防护与保险。考点出自《公路工程管理与实务》“公路水运工程安全生产监督管理办法有关要求”-目。
施工单位应当为施工现场的人员办理意外伤害保险,意外伤害保险费应由施工单位支付。实行施工总承包的,由总承包单位支付意外伤害保险费。
6.【参考答案】
“503―2”的结算金额计算:
10500×(1+15%)=12075m(因为实际工程量为12500m>12075m,所以应调价,调价部分的工程数量:12500―12075=425m),单价B=426930÷10500=40.66元/m
结算金额:12075×B+425×(B×90%)=490969.5+15552.45=506521.95元
“503―3”的结算金额计算:
3250×(1+15%)=3737.5>3365m3,增加工程量未超过15%,不调价。
结算金额:3365×645.55=2172275.75元
【考点解析】此题考查工程量计量办法。考点出自《公路工程管理与实务》“公路工程定额及工程量清单”-目。
工程量清单中所列的工程数量是估算或设计的预计数量,仅作为投标的共同基础,不能作为最终结算与支付的依据。实际支付应按实际完成的工程量,由承包人按计量规则、技术规范规定的计量方法,以监理工程师认可的尺寸、断面计量。
本题计算的关键点-是要判断实际完成的工程量与清单中工程量变化幅度是否在±15%以内;关键点二是要计算出超出部分(超过15%)的工程量,然后分别以不同的单价计算。
最新资讯
- 【免费领取】一级建造师考试基础自测卷,备考必备!2025-11-03
- 考生速进!2026年一建备考,好用的刷题APP是哪个?2025-10-21
- 别错过!8月30日9点一建决赛圈等你来考2025-08-30
- 别错过!2025年一级建造师黄金AB卷免费领取啦2025-08-11
- 提分必备!2025年一建《建设工程经济》经典100题免费下载2025-07-26
- 免费下载!2025年一级建造师《工程法规》经典100题,助你冲刺提分2025-07-23
- 备考必刷!2025年一级建造师项目管理经典100题免费下载2025-07-23
- 一级建造师题目讲解视频:提高价值的途径2025-07-17
- 一级建造师题目解析视频:阀门安装前阀门搬运的正确做法2025-07-16
- 备考必看!免费获取2025年新版一级建造师经典100题2025-07-07