2012年造价工程师《案例分析》模拟题解(1)
某接待室工程施工图及设计说明如下图所示:




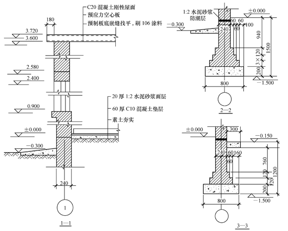
某接待室工程施工图
接待室工程施工图设计说明
1、结构类型及标高
本工程为砖混结构工程。室内地坪标高±0.000m,室外地坪高-0.300m.
2、基础
M5水泥砂浆砌砖基础,C10混凝土基础垫层200mm厚,位于-0.06m处做20mm厚1:2水泥砂浆防潮层(加6%的防水粉)。
3、墙、柱
M5混合砂浆砌砖墙、砖柱。
4、地面
基层素土回填夯实,80mm厚C10混凝土地面垫层,铺400mm×400mm浅色地砖,20mm厚1:2水泥砂浆粘结层。20mm厚1:2水泥砂浆贴瓷砖踢脚线,高150mm.
5、屋面
预制空心屋面板上铺30mm厚1:3水泥砂浆找平层,40mm厚C20混凝土刚屋面,20mm厚1:2水泥砂浆防水层(加6%的防水粉)。
6、台阶、散水
C10混凝土基层,15mm厚1:2水泥白石子浆水磨石台阶。60mm厚C10混凝土散水,沥青砂浆塞伸缩缝。
7、墙面、顶棚
内墙:18mm厚1:0.5:2.5混合砂浆底灰,8mm厚1:0.3:3混合砂浆面灰,满刮腻子2遍,刷乳胶漆2遍。
天棚:12mm厚1:0.5:2.5混合砂浆底灰,5mm厚1:0.3:3混合砂浆面灰,满刮腻子2遍,刷乳胶漆2遍。
外墙面、梁柱面水刷石:15mm厚1:2.5水泥砂浆底灰,10mm厚1:2水泥白石子浆面灰。
8、门、窗
实木装饰门:M-1、M-2洞口尺寸均为900mm×2400mm.
塑钢推拉窗:C-1洞口尺寸1500mm×1500mm,C-2洞口尺寸1100mm×1500mm.
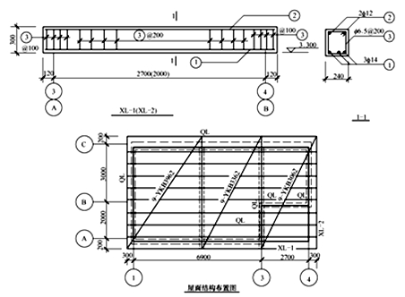
9、现浇构件
圈梁:C20混凝土,钢筋HPB235:¢12,116.80m;HPB235: ¢6.5,122.64m.
矩形梁:C20混凝土,钢筋HR335: ¢14,18.41kg;HPB235: ¢12,9.02kg;HPB235: ¢6.5,8.70kg.
•2012年注册造价工程师考试网上辅导招生简章
•2012年造价工程师VIP套餐 考试不过免费重学!
•2012年注册造价工程师考试报名时间汇总!
•环球网校2012年百万奖学金-学课程,拿大奖!
•2012造价工程网络+面授课程 终身免费学!
最新资讯
- 2026年一级造价工程师《造价管理》考点模拟题:工程造价相关概念2026-02-28
- 2026年一级造价工程师《工程计价》高频考点模拟题:设备购置费的构成和计算2026-02-28
- 2026年一级造价工程师《安装计量》高频考点模拟题:金属材料2026-02-28
- 2026年一级造价工程师《土建计量》高频考点模拟题:岩体的特征概述2026-02-28
- 2025年一级造价师各科目万人模考(一)试题及答案2025-08-24
- 免费领!2025年一级造价师《案例分析》模拟试卷及答案解析2025-08-22
- 来做题!2025年一级造价师《造价管理》入门自测卷免费下载2025-04-21
- 2025年一级造价师《工程计价》易错题:合同价款调整2024-11-29
- 2025年一级造价师《安装计量》易错题:建筑智能化工程2024-11-22
- 2024年一级造价师《土建计量》考试真题及答案31-40题2024-10-23

