2014年造价工程师(土建):间壁墙
更新时间:2014-02-08 11:02:49
来源:|0
浏览
收藏
一级造价工程师报名、考试、查分时间 免费短信提醒
摘要 2014年造价工程师(土建):间壁墙
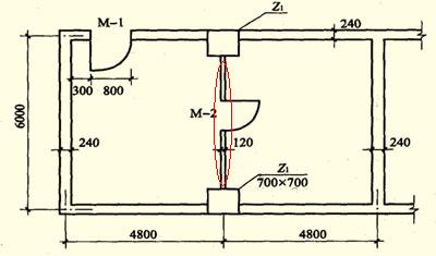
【提问】老师,您好!请问“间壁墙”是什么?
【回答】学员,您好!您的问题答复如下:
间壁墙是采用轻质材料做的,墙厚一般120,180,与隔墙比较,隔墙可以不做到封顶,而间壁墙是要封顶的。
其主要有两个特征:墙体较薄;非承重墙。
如下图所示,红色标记的120墙即为间壁墙:

环球网校友情提示:如果您在此过程中遇到任何疑问,请登录环球网校造价工程师考试频道及论坛,随时与广大考生朋友们一起交流!
更多造价工程师信息:
编辑推荐:
编辑推荐
最新资讯
- 2025一级造价师查分入口即将开放!合格线全国统一为卷面60%2025-12-15
- 2025年一级造价师查分经验分享:中国人事考试网访问量激增页面空白怎么办?2025-12-03
- 2026一级造价师报考工作年限5大核心问题:范围/时长/证明材料全解答2025-11-25
- 2025年一级造价工程师成绩公布后,合格名单在哪看?2025-11-22
- 一级造价师考试成绩保留几年有效?2025-10-28
- 考后关注:2025年一级造价师《造价管理》考试难度如何?2025-10-28
- 考生必看:2025年一级造价师考后要注意的三件事2025-10-27
- 一级造价师成绩滚动周期怎么计算?有效期几年?2025-10-27
- 2025年一级造价师案例分析真题已发布,试卷难度如何?2025-10-25
- 2025年一级造价师考后估分要避开的几个误区2025-10-23