2008年造价工程师真题-案例分析试题六
课程推荐:精品VIP―网+面强势结合 环球造价工程师案例强化套餐
相关推荐:2014年造价工程师在线模考 2014年造价工程师考试大纲
专题推荐:环球网校2014造价师招生简章 环球网校造价工程师培训权威
试题六:(40分)
本试题分三个专业(Ⅰ土建工程、Ⅱ工业管道安装工程、Ⅲ电气安装工程),请任选其中一题作答。若选作多题,按所答的第一题(卷面顺序)计分。
1.土建工程
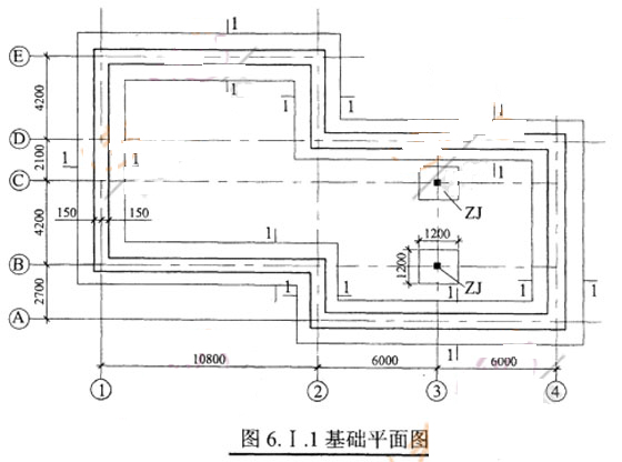
某工程基础平面图如图6.Ⅰ.1所示,现浇钢筋混凝土带形基础、独立基础的尺寸如图6.Ⅰ.2所示。混凝土垫层强度等级为C15,混凝土基础强度等级为C20,按外购商品混凝土考虑。混凝土垫层支模板浇筑,工作面宽度300mm,槽坑底面用电动夯实机夯实,费用计入混凝土垫层和基础中。
直接工程费单价表,见表6.Ⅰ.1.
表6.Ⅰ.1 直接工程费单价表

基础定额表,见表6.Ⅰ.2.
表6.Ⅰ.2 基础定.额表

依据《建设工程工程量清单计价规范》计算原则,以人工费、材料费和机械使用费之和为基数,取管理费率5%、利润率4%;以分部分项工程量清单计价合计和模板及支架清单项目费之和为基数,取临时设施费率1.5%、环境保护费率0.8%、安全和文明施工费率1.8%。
问题:
依据《建设工程工程量清单计价规范》(GB50500-2003)的规定(有特殊注明除外)完成下列计算:
1.计算现浇钢筋混凝土带形基础、独立基础、基础垫层的工程量。将计算过程及结果填入答题纸表6.Ⅰ.1“分部分项工程量计算表”。
棱台体体积公式为V=1/3×h×(a2+b2+a×b),
2.编制现浇混凝土带形基础、独立基础的分部分项工程量清单,说明项目特征。
(带形基础的项目编码为010401001,独立基础的项目编码为010401002)填入答题纸表6.Ⅰ.2“分部分项工程量清单”。
3.依据提供的基础定额数据,计算混凝土带形基础的分部分项工程量清单综合单价,填入答题纸表6. Ⅰ.3“分部分项工程量清单综合单价分析表”,并列出计算过程。
4.计算带形基础、独立基础(“坡面不计算模板工程量)和基础垫层的模板工程量,将计算过程及结果填入答题纸表6.Ⅰ.4”模板工程量计算表”。
5.现浇混凝土基础工程的分部分项工程量清单计价合价为57686.00元,计算措施项目清单费用,填入答题纸表6.Ⅰ.5“措施项目清单计价表”,并列出计算过程。
(计算结果均保留两位小数。)


Ⅱ.管道安装工程
1.某办公楼卫生问给排水系统工程设计,如图6.Ⅱ所示。
给水管道系统及卫生器具有关分部分项工程量清单项目的统一编码,见下表:

2.某单位参与投标一碳钢设备制作安装项目,该设备净重1000┧,其中:设备简体部分净重750┧,封头、法兰等净重为250┧.该单位根据类似设备制作安装资料确定本设备制作安装有关数据如下:
(1)设备筒体制作安装钢材损耗率为8%,封头、法兰等钢材损耗率为50%。钢材平均价格为6000元/t.其他辅助材料费为2140元。
(2)基本用工:基本工作时间为100小时,辅助工作时间为24小时,准备与结束工作时间为20小时,其他必须耗用时间为工作延续时间的10%。其他用工(包括超运距和辅助用工)为5个工日。人工幅度差为12%。综合工日单价为50元。
(3)施工机械使用费为2200元。
(4)企业管理费、利润分别按人工费的60%、40%计算。
问题:
1.根据图6. Ⅱ所示,按照《建设工程工程量清单计价规范》及其有关规定,完成以下内容:
(1)计算出所有给水管道的清单工程量,并写出其计算过程;
(2)编列出给水管道系统及卫生器具的分部分项工程量清单项目,相关数据填入答题纸表6.Ⅱ.1“分部分项工程量清单表”内。
2.根据背景2的数据,计算碳钢设备制作安装工程的以下内容,并写出其计算过程:
(1)计算该设备制作安装需要的钢材、钢材综合损耗率、材料费用。
(2)计算该设备制作安装的时间定额(基本用工),该台设备制作安装企业所消耗工日数量、人工费用。
(3)计算出该设备制作安装的工程量清单综合单价。
(计算结果均保留两位小数)


说明:
1、图示为某办公楼卫生间,共三层,层高为3m,图中平面尺寸以mm计,标高均以m计。墙体厚度为240mm.
2、给水管道均为镀锌钢管,螺纹连接。给水管道与墙体的中心距离为200mm.
3、卫生器具全部为明装,安装要求均符合《全国统一安装工程预算定额》所指定标准图的要求,给水管道工程量计算至与大便器、小便器、洗面盆支管连接处止。其安装方式为:蹲式大便器为手压阀冲洗;挂式小便器为延时自闭式冲洗阀:洗脸盆为普通冷水嘴;混凝土拖布池为500×600落地式安装,普通水龙头,排水地漏带水封;立管检查口设在一、三层排水立管上,距地面0.5m处。
4、给排水管道穿外墙均采用防水钢套管,穿内墙及楼板均采用普通钢套管。
5、给排水管道安装完毕,按规范进行消毒、冲洗、水压试验和试漏。
图6.Ⅱ.2 某办公楼卫生间给水系统图(一、二层同三层)
Ⅲ.电气安装工程
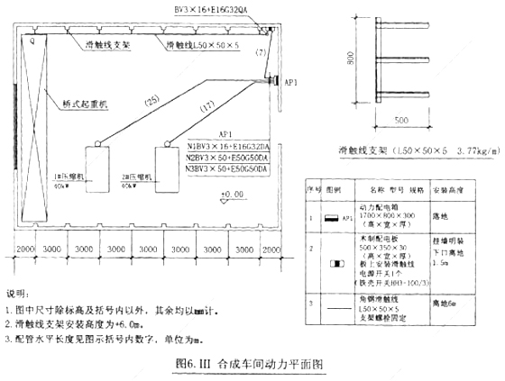
某化工厂合成车间动力安装工程,如图6.Ⅲ所示。
1.AP1为定型动力配电箱,电源由室外电缆引入,基础型钢采用10#槽钢(单位重量为10┧/m)
2.所有埋地管标高均为-0.2m,其至AP1动力配电箱出口处的管口高出地坪0.1m,设备基础顶标高为+0.5m,埋地管管口高出基础项面0.1m,导线出管口后的预留长度为1m,并安装1根同口径0.8m长的金属软管。
3.木制配电板引至滑触线的管、线与其电源管、线相同,其至滑触线处管口标高为+6m,导线出管口后的预留长度为1m.
4.滑触线支架采用螺栓固定,两端设置信号灯。滑触线伸出两端支架的长度为1m.
5.表中数据为计算该动力工程的相关费用:

管理费和利润分别按人工费的55%和45%计。
6.分部分项工程景清单的统一编码为:

问题:
1.根据图示内容和((建设工程工程量清单计价规范势的规定,计算相关工程量和编制分部分项工程量清单。将配管、配线和滑触线的计算式填入答题纸上的相应位置,并填写答题纸表6.Ⅲ.1“分部分项工程量清单”。
2.假设管内穿线BV16mm2的清单工程量为60m,依据上述相关费用计算该项目的综合单价,并填入答题纸表6.111.2“分部分项工程量清单综合单价计算表”。
(计算过程和结果均保留两位小数)

环球网校友情提示:如果您在此过程中遇到任何疑问,请登录环球网校造价工程师考试频道及论坛,随时与广大考生朋友们一起交流!
更多造价工程师信息:
编辑推荐:
最新资讯
- 更新版:2025年一级造价师案例考试真题及答案(1-3题)2025-10-27
- 速领!2025年一级造价师各科目考试真题及答案【完整版】2025-10-26
- 2025年一级造价师《案例分析》真题解析(试题三)2025-10-25
- 2025年一级造价师《安装计量》真题答案61-70题2025-10-23
- 2025年一级造价师《安装计量》真题答案41-50题2025-10-23
- 2025年一级造价师《安装计量》真题及答案31-40题2025-10-23
- 2025年一级造价师《安装计量》真题答案21-30题2025-10-23
- 2025年一级造价师《案例分析》考试真题及答案(试题一)2025-10-23
- 2025年一级造价师案例真题及答案试题五(土建专业)2025-10-22
- 2025年一级造价师《土建计量》考试真题答案51-60题2025-10-22