2014年造价师《案例分析》教材第一章案例四
课程推荐:精品VIP―网+面强势结合 环球造价工程师案例强化套餐
相关推荐:2014年造价工程师在线模考 2014年造价工程师考试大纲
专题推荐:环球网校造价最全习题演练套餐 环球网校造价工程师培训权威
【案例四】
背景:
某企业拟全部使用自有资金建设一个市场急需产品的工业项目。建设期1年,运营期6年。项目投产第一年收到当地政府扶持该产品生产的启动经费100万元,其他基本数据
如下:
1.建设投资1 000万元。预计全部形成固定资产,固定资产使用年限10年,按直线法折旧,期末残值100万元,固定资产余值在项目运营期末收回。投产当年又投入资本金200万元作为运营期的流动资金。
2.正常年份年营业收入为800万元,经营成本300万元,产品营业税及附加税率为6%,所得税率为25%,行业基准收益率为10%;基准投资回收期6年。
3.投产第一年仅达到设计生产能力的80%,预计这一年的营业收入、经营成本和总成本均达到正常年份的80%。以后各年均达到设计生产能力。
4.运营3年后,预计需花费20万元更新新型自动控制设备配件,才能维持以后的正常运营需要,该维持运营投资按当期费用计人年度总成本。
问题:
1.编制拟建项目投资现金流量表;
2.计算项目的静态投资回收期;
3.计算项目的财务净现值;
4.计算项目的财务内部收益率;
5.从财务角度分析拟建项目的可行性。
分析要点:
本案例全面考核了建设项目融资前财务分析。融资前财务分析应以动态分析为主,静态分析为辅。编制项目投资现金流量表,计算项目财务净现值、投资内部收益率等动态盈利能力分析指标;计算项目静态投资回收期。
本案例主要解决以下五个概念性问题:
1.融资前财务分析只进行盈利能力分析,并以投资现金流量分析为主要手段。
2.项目投资现金流量表中,回收固定资产余值的计算,可能出现两种情况:
营运期等于固定资产使用年限,则固定资产余值=固定资产残值;
营运期小于使用年限,则固定资产余值=(使用年限一营运期)×年折旧费+残值。
3.项目投资现金流量表中调整所得税,是以息税前利润为基础,按下列公式计算:
调整所得税=息税前利润×所得税率
式中,息税前利润=利润总额+利息支出
或 息税前利润=营业收入-营业税金及附加-总成本费用+利息支出+补贴收入
总成本费用=经营成本+折旧费+摊销费+利息支出
或 息税前利润=营业收入-营业税金及附加-经营成本-折旧费-摊销费+补贴收入
注意这个调整所得税的计算基础区别于“利润与利润分配表”中的所得税计算基础
(应纳税所得额)。
4.财务净现值是指把项目计算期内各年的财务净现金流量,按照基准收益率折算到建设期初的现值之和。各年的财务净现金流量均为当年各种现金流人和流出在年末的差值合计。不管当年各种现金流人和流出发生在期末、期中还是期初,当年的财务净现金流量均按期末发生考虑。
5.财务内部收益率反映了项目所占用资金的盈利率,是考核项目盈利能力的主要动态指标。在财务评价中,将求出的项目投资或资本金的财务内部收益率FIRR与行业基准收益率ic比较。当FIRR≥ic时,可认为其盈利能力已满足要求,在财务上是可行的。
注意区别利用静态投资回收期与动态投资回收期判断项目是否可行的不同。当静态投资回收期小于等于基准投资回收期时,项目可行;只要动态投资回收期不大于项目寿命期,项目就可行。
答案:
问题1:
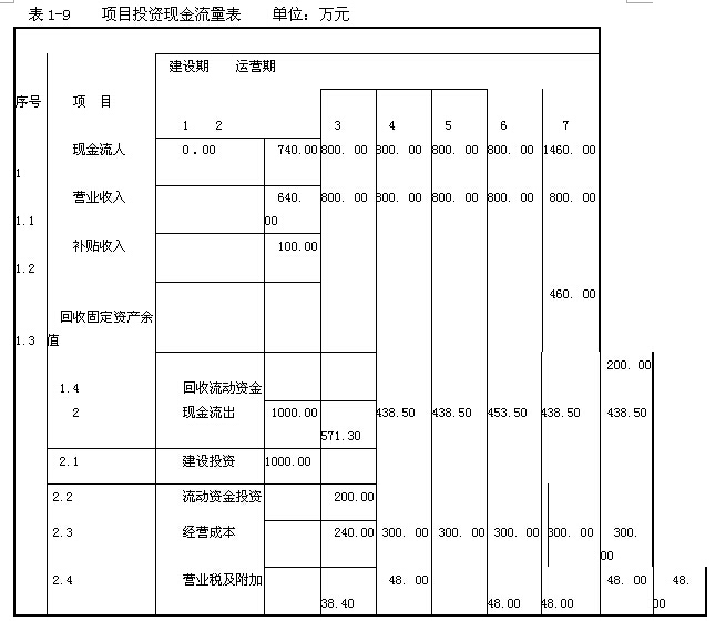
解:编制拟建项目投资现金流量表
编制现金流量表之前需要计算以下数据,并将计算结果填人表1-9中。
1.计算固定资产折旧费:
固定资产折旧费=(l000 ? l00)÷10 =90(万元)
2.计算固定资产余值:固定资产使用年限10年,运营期末只用了6年还有4年未折旧,所以,运营期末固定资产余值为:
固定资产余值=年固定资产折旧费×4+残值= 90×4+100= 460(万元)
3.计算调整所得税:
调整所得税=(营业收入-营业税金及附加-经营成本折旧费-维持运营投资+补贴收入)×25%
第2年调整所得税= (640-38.40-240-90+100)×25% =92.90(万元)
第3、第4、第6、第7年调整所得税=(800-48-300-90)×25% =90.50(万元)
第5年调整所得税=(800-48-300-90-20)×25% =85.50(万元)


问题2:
解:计算项目的静态投资回收期
静态投资回收期=(累计净现金流量出现正值年份-1)+
=(5-1)+108.30/346.5=4+0.31=4.31(年)
项目静态投资回收期为:4.31年。
问题3:
解:项目财务净现值是把项目计算期内各年的净现金流量,按照基准收益率折算到建设期初的现值之和,也就是计算期末累计折现后净现金流量692.26万元,见表1-9 。
问题4:
解:计算项目的财务内部收益率
编制项目财务内部收益率试算表1-10。
首先确定i1 =26%,以i1作为设定的折现率,计算出各年的折现系数。利用财务内部收益率试算表,计算出各年的折现净现金流量和累计折现净现金流量,从而得到财务净现值ENPV1=38.74(万元),见表1-10。
再设定i2=28%,以i2作为设定的折现率,计算出各年的折现系数。同样,利用财务内部收益率试算表,计算各年的折现净现金流量和累计折现净现金流量,从而得到财务净现值即ENPV2= -6.85(万元),见表1-10。
试算结果满足:FNPVl>0,ENPV2

由表1-10可知:
i1 =26%时,FNPV1=38.74
i2=28%时,FNPV2=-6.85
用插值法计算拟建项目的内部收益率[FIRR],即:
FIRR=i1+(i2 -il)×[FNPV1÷(?FNPVl ?+?FNPV2?)]
=26% +(28%-26%)×[38.74÷(38.74+?-6.85?)]
= 26%+1.70%=27.70%
问题5:
从财务角度分析拟建项目的可行性:
本项目的静态投资回收期为4.31年小于基准投资回收期6年;财务净现值为692.26万元>O;财务内部收益率FIRR=27.70%>行业基准收益率10%。所以,从财务角度分析该项目可行。
最新资讯
- 官方确认!2026年一级造价工程师教材沿用2025年版2026-01-04
- 备考必看:一级造价师《安装计量》十大核心知识点总结2025-11-02
- 速看!一级造价师《土建计量》十大核心考点总结2025-11-01
- 免费分享:一级造价师《工程计价》十大核心考点总结2025-10-31
- 一键收藏:一级造价师《造价管理》十大核心考点总结2025-10-30
- 免费分享:2025年一级造价师《工程计价》考点汇总2025-10-29
- 2025年一级造价师《工程计价》考试难度及考点分析2025-10-28
- 免费分享:2025年一级造价师《造价管理》考点汇总2025-10-27
- 免费分享:2025年一级造价师案例分析重要考点汇总2025-10-27
- 2025年一级造价师《造价管理》重点考查内容2025-10-24