2015年造价工程师《案例分析》模拟练习二
特别推荐:环球造价工程师精彩视频免费学※ 全程领跑※ 在线估分
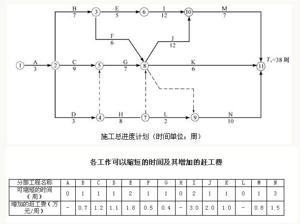
【背景】某市政工程,项目的合同工期为38周。经总监理工程师批准的施工总进度计划如图所示,香工作可以缩短的时间及其增加的赶工费和表所示,其中H、L分别为道路的路基、路面工程。

【问题】
1、开工1周后,建设单位要求将总工期缩短2周,帮请监理单位帮助拟定一个合理赶工方案以便与施工单位洽商。请问如何调整计划才能既实现建设单位的要求又能使支付施工单位的赶工费用最少?说明步骤和理由。
2、建设单位依据调整后的方案与施工单位协商,并按此方案签订了补充协议,施工单位修改了施工总进度计划。在H、L工作施工前,建设单位通过设计单位将此400m的道路延长至600m.请问该道路延长后H、L工作的持续时间为多少周(设工程量按单位时间均值增加)?对修改后的施工总进度计划的工期是否有影响,为什么?
3、H工作施工的第一周,监理人员检查发现路基工程分层填土厚度超过规范规定,为保证工程质量,总监理工程师签发了工程暂停令,停止了该部位工程施工。总监理工程师的做法是否正确?总监理工程师在什么情况下可签发工程令?
4、施工中由于建设单位提供的施工条件发生变化,导致I、J、K、N四项工作分别拖延1周,为确保工程按期完成,须支出赶工费。如果该项目投入使用后,每周净收益5.6万元,从建设单位角度出发,是让施工单位赶工合理还是延期完工合理?为什么?
【解析】
1、步骤和理由:
(1)按工作的正常持续时间确定关键线路:
利用标号法确定关键线路为:1-2-5-8-10-11或A-C-G-J-M
(2)选择关键工作中增加的赶工费最小的一项工作进行第一次压缩,依表可知,关键工作G的赶工费最少,压缩工作G,将工作G的持续时间缩短1天,此时要求总工期缩短了1天。
(3)再利用标号法确定关键线路仍为:A-C-G-J-M
(4)第二次压缩,选择关键工作中的赶工费次小的一项工作为M,压缩工作M,将工作M的持续时间缩短1天,此时要求总工期又缩短了1天。
所以,监理单位应将工作G和M各自缩短1天,既实现了建设单位的要求,又能使支付施工单位的赶工费最少。
2、道路延长到600m时,工作H和L的持续时间是:
工作H:8/400×600=12(天)
工作L:2/400×600=3(天)
对修改后的施工总进度计划的工期无影响。
理由:用标号法确定道路延长到600m时的计算工期和关键线路可知,关键线路仍然是A-C-G-J-M,所以不影响修改后的施工总进度计划的工期。
3、总监理工程师的做法是正确的。
总监理工程师在以下情况可签发工程暂停令:
(1)施工作业活动存在重大隐患,可能造成质量事故或已经造成质量事故。
(2)承包单位未经许可擅自施工或拒绝项目监理机构管理。
(3)在出现下列情况下,总监理工程师有权行使质量控制权,下达停工令,及时进行质量控制:
①施工中出现质量异常情况,经提出后,承包单位未采取有效措施,或措施不力未能扭转异常情况者。
②隐蔽作业未经依法查验确认合格,而擅自封闭者。
③已发生质量问题迟迟未按监理工程师要求进行处理,或者是已发生质量缺陷或问题,如不停工,则质量缺陷或问题将继续发展的情况下。
④未经监理工程师审查同意,而擅自变更设计或修改图纸进行施工者。
⑤未经技术资质审查的人员或不合格人员进入现场施工。
⑥使用的原材料、构配件不合格或未经检查确认者;或擅自采用未经审查认可的代用材料者。
⑦擅自使用未经项目监理机构审查认可的分包单位进场施工。
4、因拖延的工作I、J、K、N中只有工作J处于关键线路上,又因为压缩工作J支出的赶工费小于投产后净收益,所以只需压缩工作J一天即可按期完工,从建设单位角度出发,应该让施工单位赶工。
环球网校友情提示:如果您在此过程中遇到任何疑问,请登录环球网校造价工程师考试频道及论坛,环球网校造价师考试交流群384019082,欢迎您的加入,随时与广大考生朋友们一起交流!
更多造价工程师信息:
编辑推荐:
最新资讯
- 2025年一级造价师案例分析每日一练(10月7日)2025-10-07
- 2019一级造价工程师《土建工程》每日一练(6月7日)2019-06-07
- 2019造价工程师《造价管理》每日一练(2月20日)2019-02-20
- 2018年造价工程师《土建工程》练习题十一2018-05-18
- 2017年造价工程师土建工程每日一练(5.17)2017-05-17
- 2016年造价工程师《工程计价》优选试题汇总2016-06-25
- 2015年造价工程师答案 《工程计价》(网友版3)2015-10-17
- 2015年造价工程师造价管理强化训练题22015-09-09
- 2015造价工程师练习技术与计量(安装)汇总2015-03-13
- 2015年造价工程师练习技术与计量(安装)152015-03-13