2010年造价工程师执业资格考试《基础理论与相关法规》试题
特别推荐:环球造价工程师精彩视频免费学※ 全程领跑※ 在线估分
2010年造价工程师执业资格考试《基础理论与相关法规》真题及答案
一.单项选择题(共60分,每题1分。每题的备选项中,只有一个最符合题意)
1.按照先进性的原则,协调和平衡工期、质量、安全、环保与成本之间的对立统一关系,反映了( )造价管理的思想。
A.全寿命期
B.全要素
C.全过程
D.全方位
2.在调查-分析-决策的基础上的偏离-纠偏-再偏离-再纠偏的工程造价控制属于( )
A.自我控制
B.预防控制
C.被动控制
D.全过程控制
3.下列关于造价工程师初始注册的说法中,正确的是( )
A.初始注册申请者应提交工程造价岗位工作证明
B.初始注册申请者应当向聘用单位所在地县级主管部门提出申请
C.取的资格证书之日起1年后不得申请注册
D.初始注册的有效期为3年
4.根据《注册造价工程师管理办法》,属于注册造价工程师业务范围的是( )
A.建设项目投资顾三的批准
B.工程索赔费用的计算
C.工程款的支付
D.工程合同纠纷的裁决
5.根据《注册造价工程师管理办法》,聘用单位为申请人提供虚假注册材料的,有关部门给予的处罚是()
A.警告,并可处以1万元以上3万元以下的罚款
B.警告,并可处以1万元以下的罚款
C.责令限期整改,并可处以1万元以上3万元以下的罚款
D.责令限期整改,并可处以1万元以下的罚款
6.根据《工程造价咨询企业管理办法》,属于甲级工程造价咨询企业资质标准的是( )
A.专职专业人员中取得造价工程师注册证书的人员不少于6人
B.企业注册资本不少于50万元
C.企业近3年工程造价咨询营业收入累计不低于500万元
D.人均办公建筑面积不少于6m2
7.根据《工程造价咨询企业管理办法》,乙级工程造价咨询企业可以从事工程造价( )万元以下各类建设项目工程造价咨询业务。
A.2000
B.3000
C.4000
D.5000
8.在工程经济分析中,通常采用( )计算资金的时间价值。
A.连续复利
B.间断复利
C.连续单利
D.瞬时单利
9.某工程项目建设期为3年,建设期内每年初贷款500万元,年利率为10%,运营期前3年每年末等额偿还贷款本息,到第3年末全部还清,则每年末应偿还贷款本息( )万元。
A.606.83
B.665.50
C.732.05
D.955.60
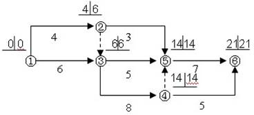
10.在工程经济分析中,以投资收益率指标作为注意决策依据,其可靠性较差的原因在于( )。
A.正常生产年份的选择比较困难
B.计算期的确定比较困难
C.未考虑投资回收后的经济效果
D.需要事先确定基准收益率
11.在项目偿债能力评价中,借款偿还期指标不适用于评价( )的项目。
A.投资规模大
B.投资规模小
C.预先给定偿债备付率
D.预先给定借款偿还期
12.基准收益率作为投资决策者对项目资金时间价值的估价,是投资资金应当获得的( )盈利率水平。
A.最低
B.最高
C.平均
D.机会
13.某投资方欲投资20000万元,4个可选投资项目所需投资分别为5000万元、6000万元、8000万元、12000万元,投资方希望至少投资2个项目,则可供选择的组合方案共有( )个。
A.5
B.6
C.7
D.8
14.对于承租人而言,与购买设备相比,租赁设备的优越性在于( )。
A.可降低资金成本
B.可加快技术进步
C.不形成长期负责
D.合同条件比较宽松
15.某企业从设备租赁公司租赁一台价格为76万元的设备,总租期和寿命期均为5年,年折现率为8%,按年金法计算,每年末应支付租金( )万元。
A.17.62
B.19.02
C.22.95
D.24.71
16.某项目设计生产能力为50万件/年,预计单位产品售价为150元,单位产品可变成本为130远,固定成本为400万元,该产品营业税金及附加的合并税率为5%。则用产销量表示的盈亏平衡点是( )万件。
A.14.55
B.20.60
C.29.63
D.32.00
17.在投资项目经济评价的不确定性分析中,敏感性分析的主要目的是( )。
A.分析不确定因素的变化对项目评价指标的影响
B.度量项目风险的大小
C.判断项目承受风险的能力
D.分析不确定因素发生变化的概率
18.价值工程的核心是对产品进行( )
A.成本分析
B.功能分析
C.价值分析
D.功能改进
19.在选择价值工程对象时,首先求出分析对象的成本系数、功能系数,然后得出价值系数,当分析对象的功能与成本不相符时,价值低的选为价值工程的研究对象的方法称为( )。
A.重点选择法
B.因素分析法
C.强制确定法
D.价值指数法
20.在价值工程活动中,通过分析求得某研究对象的价值指数VI,对该研究对象可采取的策略是( )。
A.VI<1时,增加现实成本
B.VI>1时,提高功能水平
C.VI<1时,降低现实成本
D.VI>1时,降低现实成本
21.在价值工程活动的方案创造阶段,为了激发出有价值的创新方案,会议主持人在开始时并不全部摊开要解决的问题,只是对与会者进行抽象笼统的介绍,要求大家提出各种设想,这种方案创造的方法称为( )。
A.德尔菲法
B.歌顿法
C.头脑风暴法
D.强制确定法
22.工程寿命周期成本分析的局限性之一是假定工程对象有( )。
A.固定的运行效率
B.确定的投资额
C.确定寿命周期
D.固定的功能水平
23.在项目资金筹措方式中,与发行债券相比,发行股票的特点是( )。
A.不影响企业投资者的控制权
B.可以降低企业缴纳的所得税
C.可以提高企业自有资金利润率
D.可以降低企业的负责比率
24.某企业发行普通股正常市价为20元,估计年增长率为10%,第一年预计发放股利1元,筹资费用率为股票市价的12%,则新发行普通股的成本率为( )。
A.11.36%
B.13.33%
C.15.56%
D.15.68%
25.某公司的销售额为8000万元,固定成本为1000万元,变动成本为5000万元,流通在外的普通股为10000股,债务利息为600万元,公司所得税为25%,则每股收益为( )元。
A.0.035
B.0.106
C.0.150
D.0.187
26.在工程项目成本管理中,由进度偏差引起的累计成本偏差可以用( )的差值度量。
A.已完工程预算成本与拟完工程预算成本
B.已完工程预算成本与已完工程实际成本
C.已完工程实际成本与拟完工程预算成本
D.已完工程实际成本与已完工程预算成本
27.对于不同年份使用程度差别大的专业机械设备,宜采用( )计提折旧。
A.工作量法
B.平均年限法
C.年数总和法
D.双倍余额递减法
28.在工程项目成本管理中,按价值形式表示的工程项目竣工率的算式是( )。

29.进行工程项目财务分析时,营业收入应包括( )。
A.提供服务获得的收入
B.与收益相关的政府补助
C.与资产相关的政府补助
D.可得到的增值税返还
30.根据我国现有规定,企业将法定公积金转为资本时,所留存的该项公积金应不低于( )。
A.转增前公司注册资本的10%
B.转增前公司注册资本的25%
C.转增后公司注册资本的10%
D.转增后公司注册资本的25%
31.根据我国现行财务制度,可直接计入所有者权益的利得和损失的是( )。
A.企业从净利润中提取的盈余公积
B.企业因接受非现金资产捐赠而增加的资本公积
C.企业未分配利润
D.企业发行债券筹集的资金
32.下列关于项目清偿能力指标的说法中,正确的是( )。
A.资产负债率越高,表明股东因借入资金获得的收益越大
B.偿债备付率越高,表明可用于还本付息的资金保障程度越低
C.利息备付率越高,表明利息偿付的保障程度越高
D.借款偿还期越长,表明股东运用投入资本获得的利润率越高
33.营业税的计税依据为营业额,下列关于建筑和销售不动产计税营业额的说法中,正确的是( )。
A.总承包企业将工程分包时,应以全部承包额为计税营业额
B.从事包工不包料的工程作业时,工程所用原材料的价款应计入计税营业
C.从事安装工程作业时,设备价款应计入计税营业额
D.施工企业转让其购置的不动产的,应以其转让价格为计税营业额
34.某企业转让房地产,收入总额为1000万元,扣除项目金额为400万元,则应缴纳土地增值税( )万元。
A.180
B.200
C.240
D.300
35.下列关于土地增值税的说法中,正确的是( )。
A.国有土地使用权出让,出让方应交土地增值税
B.国有土地使用权转让,转让方应交土地增值税
C.房屋买卖,双方不交土地增值税
D.单位之间交换房地产,双方不交土地增值税
36.下列关于建筑工程一切险赔偿处理的说法中,正确的是( )。
A.被保险人的索赔期限,从损失发生之日起,不得超过1年
B.保险人的赔偿必须采用现金支付方式
C.保险人对保险财产造成的损失赔付后,保险金额应相应减少
D.被保险人为减少损失而采取措施所发生的全部费用,保险人应予赔偿
37.对于投保安装工程一切险的工程,保险人应对( )承担责任。
A.因工艺不善引起生产设备损坏的损失
B.因冰雪造成工地临时设施损坏的损失
C.因铸造缺陷更换铸件造成的损失
D.因超负荷烧坏电气用具本身的损失
38.对于一般工业项目的办公楼而言,下列工程中属于分部工程的是( )。
A.土方开挖与回填工程
B.通风与空调工程
C.玻璃幕墙工程
D.门窗制作与安装工程
39.根据《国务院关于投资体制改革的决定》,对于采用投资补助.转贷和贷款贴息方式的政府投资项目,政府需要审批( )。
A.资金申请报告
B.可行性研究报告
C.初步设计文件
D.工程总概算
40.城镇市政基础设施工程的建设单位应在开工前向( )申请领取施工许可证。
A.国务院建设主管部门
B.工程所在地省级以上人民政府建设主管部门
C.工程所在地市级以上人民政府建设主管部门
D.工程所在地县以上人民政府建设主管部门
41.根据《关于实行建设项目法人责任制暂行规定》项目法人应在( )正式成立。
A.项目建议书批准后
B.项目施工总设计文件审查通过后
C.项目可行性研究报告被批准后
D.项目初步设计文件被批准后
42.下列工程项目管理组织机构中,结构简单.隶属关系明确,便于统一指挥,决策迅速的是( )。
A.直线制
B.矩阵制
C.职能制
D.直线职能制
43.下列进度计划表中,用来明确各种设计文件交付日期、主要设备交付日期,施工单位进场日期,水、电及道路畅通日期的是( )。
A.工程项目总进度计划表
B.工程项目进度平衡表
C.工程项目施工总进度表
D.单位工程总进度计划表
44.下列方法中,可同时用来控制工程造价和工程进度的是( )。
A.S曲线法和直方图法
B.直方图法和鱼刺图法
C.鱼刺图法和香蕉曲线法
D.香蕉曲线法和S曲线法
45.下列流水施工参数中,属于工艺参数的是( )。
A.施工过程
B.施工段
C.流水步距
D.流水节拍
46.固定节拍流水施工的特点之一是( )。
A.专业工作队数大于施工过程数
B.施工段之间可能存在空闲时间
C.流水节拍等于流水步距
D.流水步距等于施工过程数
47.某分部工程划分为3个施工过程,4个施工段,组织加快的成倍节拍流水施工,流水节拍分别为6、4、4天,则专业工作队数为( )个。
A.3
B.4
C.6
D.7
48.某分部工程划分为3个施工过程,3个施工段组织流水施工,流水节拍分别为3、5、4天,4、4、3天和3、4、2天,则流水施工工期为( )天。
A.16
B.17
C.18
D.19
49.某工程双代号网络计划如下图所示,其中关键线路有( )条。
A.1
B.2
C.3
D.4

50.某工程双代号时标网络计划如下图所示,其中工作A的总时差为( )周。
A.1
B.2
C.3
D.4

51.工程网络计划工期优化的目的是( )。
A.计划工期满足合同工期
B.计算工期满足计划工期
C.要求工期满足合同工期
D.计算工期满足要求工期
52.为了提高工程项目风险识别的效率和规范性,同时可便于风险识别资料的积累,有必要建立( )。
A.初始风险清单
B.风险溢价表
C.初始风险流程
D.风险后果表
53.书面委托代理中,如果委托书授权不明,给第三人造成损失的,则( )。
A.被代理人应当向第三人承担完全民事责任
B.代理人应当向第三人承担完全民事责任
C.被代理人应当向第三人承担民事责任,代理人负连带责任
D.代理人是否向第三人承担民事责任,由被代理人决定
54.下列情形中,可构成缔约过失责任的是( )。
A.因自然灾害,当事人无法执行签订合同的计划,造成对方的损失
B.当事人双方串通牟利签订合同,造成第三方损失
C.当事人因合同谈判破裂,泄露对方商业机密,造成对方损失
D.合同签订和,当事人拒付合同规定的预付款,使合同无法履行,造成对方损失
55.根据《合同法》,具有合同撤销权的当事人应在知道或者应当知道撤销事由之日起( )年内行使撤销权。
A.1
B.2
C.3
D.4
56.某合同约定了违约金,当事人一方迟延履行的,根据《合同法》,违约方应支付违约金并( )。
A.终止合同履行
B.赔偿损失
C.继续履行债务
D.中止合同履行
57.根据《招标投标法》,下列关于投标和开标的说法中,正确的是( )。
A.投标人如何准备中标后将部分工程分包,应在中标后通知招标人
B.联合体投标中标的,应由联合体牵头方代表联合体与招标人签订合同
C.开标应当在公证机构的主持下,在招标人通知的地点公开进行
D.开标时,可以由投标人或者其推荐的代表检查投标文件的密封情况
58.根据《政府采购法》,政府集中采购目录由( )公布。
A.国务院
B.国务院财政主管部门
C.省级以上人民政府
D.县级以上人民政府
59.根据《土地管理法》,每公顷被征收耕地的安置补偿费,最高不得超过被征收前3年平均年产值( )倍。
A.4
B.6
C.10
D.15
60.根据《税收征收管理法》,未按期缴纳税款的,税务机关除责令限期缴纳外,从滞纳税款之日起,按日加收滞纳税款( )的滞纳金。
A.千分之二
B.千分之五
C.万分之二
D.万分之五
二.多项选择题(共20题,每题2分。每题的备选项中,有2个或2个以上符台题意,至少有1个错项。错选,本题不得分;少选,所选的每个选项得0.5分)
61.建设项目静态投资包括( )。
A.基本预备费
B.设备和工器具购置费
C.涨价预备费
D.建设期贷款利息
E.投资方向调节税
62.根据《工程造价咨询企业管理办法》,工程造价咨询企业出具的工程造价成果文件应加盖有( )的执业印章。
A.企业名称
B.资质等级
C.资质证书编号
D.营业执照编号
E.备案编号
63.建设工程造价咨询合同的内容包括( )。
A.咨询项目的委托内容和要求
B.咨询项目的履行期限
C.建设工程利益相关者的风险责任划分
D.工程款的支付方式
E.合同争议与纠纷的解决办法
64.下列关于投资方案经济效果评价指标的说法中,正确的有( )。
A.投资收益率指标计算的主观随意性强
B.投资回收期从项目建设开始年算起
C.投资回收期指标不能反映投资回收之后的情况
D.利息备付率和偿债备付率均应分月计算
E.净现值法与净年值法在方案评价中能得出相同的结论
65.应用净现值指标评价投资方案经济效果的优越性有( )。
A.能够直接反映项目单位投资的使用效率
B.能够全面考虑项目在整个计算期内的经济状况
C.能够直接说明项目运营期各年的经营成果
D.能够全面反映项目投资过程的收益程度
E.能够直接以金额表示项目的盈利水平
66.下列评价方法中,属于互斥方型投资方案经济效果动态评价方法的有( )。
A.增量投资内部收益率法
B.年折算费用法
C.增量投资回收期法
D.方案重复法
E.无限计算期法
67.下列关于投资项目不确定性分析的说法中,正确的有( )。
A.盈亏平衡分析只适用于项目的财务评价
B.敏感性分析只适用于项目的财务评价
C.概率分析同时可用于项目的财务评价和国民经济评价
D.盈亏平衡点反映了项目的抗风险能力
E.敏感性分析指标应与确定性经济指标相一致
68.价值工程活动中的不必要功能包括( )。
A.辅助功能
B.多余功能
C.重复功能
D.过剩功能
E.不足功能
69.下列方法中,可在价值工程活动中用于方案创造的有( )。
A.老师检查法
B.老师意见法
C.流程图法
D.列表比较法
E.方案清单法
70.下列项目中,适合以PFI典型模式实施的有( )。
A.向公共部门出售服务的项目
B.私营企业与公共部门合资经营的项目
C.在经济上自立的项目
D.由政府部门掌握项目经营权的项目
E.由私营企业承担全部经营风险的项目
71.固定资产修理费属于项目生产运营支出的费用,下列关于固定资产修理费的说法中,正确的有( )。
A.修理费可以预提
B.修理费可以摊销
C.修理费可直接在成本中列支
D.生产运营各年的修理费率必须一致
E.修理费应计入总成本费用中的其他费用
72.估算项目的经营成本时,应在总成本费用中扣除( )。
A.工资及福利费
B.折旧费
C.燃料和动力费
D.摊销费
E.财务费用
73.根据我国现行的财务制度,企业资产中的待摊费用包括( )。
A.一次性购买的印花税票
B.在产品和产成品费
C.低值易耗品摊销
D.一次性支付固定资产中小修理费
E.预付保险费
74.根据《国务院关于投资体制改革的决定》企业投资建设《政府核准的投资项目目录》中的项目时,不再经过批准( )的程序。
A.项目建议书
B.项目可行性研究报告
C.项目初步设计
D.项目施工图设计
E.项目开工报告
75.建设工程设计与施工采用总分包模式的特点有( )。
A.对总承包商要求高,业主选择范围小
B.总包合同价格可较早确定,合同金额较低
C.业主的合同结构简单,组织协调工作量小
D.工程设计与施工有机结合,有利于缩短建设工期
E.分包单位多,简化了工程质量控制工作
76.应用控制图法控制生产过程质量时,表明点子在控制界限内排列有缺陷的有( )。
A.点子连续在中心线一侧出现5个以上
B.连续7个以上的点子上升或下降
C.连续7个点中至少有5个点在同一侧
D.连续3个点落在二倍标准偏差与三倍标准偏差控制界限之间
E.点子出现周期性波动
77.某工程双代号网络计划如下图所示,图中已标出的各个节点的最早时间和最迟时间,该计划表明( )。

A.工作1-2的自由时差为2
B.工作2-5的总时差为7
C.工作3-4为关键工作
D.工作3-5为关键工作
E.工作4-6的总时差为零
78.下列关于国际上案例法系和成文法系的说法中,正确的有( )。
A.英国和美国的法系属于成文法系
B.成文法系合同附件多,合同约定更为具体
C.对于民事关系行为,案例法系更突出合同的最高制约性
D.成文法系的合同条文逻辑关系更加严谨
E.案例法系在裁决纠纷时更注重合同的文字表达
79.根据《民法通则》,履约担保形式包括( )。
A.保证
B.占有
C.没收
D.留置
E.拍卖
80.根据《建筑法》,建设工程安全生产管理应建立( )制度。
A.责任
B.追溯
C.保证
D.群防群治
E.监督
试题答案
| 1.B | 2.C | 3.A | 4.B | 5.A | 6.C | 7.D | 8.B | 9.C | 10.A |
| 11.D | 12.A | 13.C | 14.B | 15.B | 16.D | 17.A | 18.B | 19.C | 20.C |
| 21.B | 22.C | 23.D | 24.D | 25.B | 26.A | 27.A | 28.B | 29.A | 30.B |
| 31.B | 32.C | 33.B | 34.C | 35.B | 36.C | 37.B | 38.B | 39.A | 40.D |
| 41.C | 42.A | 43.A | 44.D | 45.A | 46.C | 47.D | 48.C | 49.B | 50.A |
| 51.D | 52.A | 53.C | 54.C | 55.A | 56.C | 57.D | 58.C | 59.D | 60.D |
| 61.AB | 62.ABC | 63.ABE | 64.ACE | 65.BE | 66.ADE | 67.ACDE | 68.BCD | 69.AB | 70.ABC |
| 71.ABC | 72.BDE | 73.ACDE | 74.ABE | 75.AC | 76.BE | 77.ABC | 78.CE | 79.AD | 80.AD |
环球网校友情提示:如果您在此过程中遇到任何疑问,请登录环球网校造价工程师考试频道及论坛,环球网校造价师考试交流群384019082,欢迎您的加入,随时与广大考生朋友们一起交流!
更多造价工程师信息:
编辑推荐:
[考试报名]报名入口
[成绩查询]全国造价工程师成绩查询时间|查询入口
[真题答案]2014年造价工程师考试真题答案|在线估计
[考试制度]考试科目
最新资讯
- 更新版:2025年一级造价师案例考试真题及答案(1-3题)2025-10-27
- 速领!2025年一级造价师各科目考试真题及答案【完整版】2025-10-26
- 2025年一级造价师《案例分析》真题解析(试题三)2025-10-25
- 2025年一级造价师《安装计量》真题答案61-70题2025-10-23
- 2025年一级造价师《安装计量》真题答案41-50题2025-10-23
- 2025年一级造价师《安装计量》真题及答案31-40题2025-10-23
- 2025年一级造价师《安装计量》真题答案21-30题2025-10-23
- 2025年一级造价师《案例分析》考试真题及答案(试题一)2025-10-23
- 2025年一级造价师案例真题及答案试题五(土建专业)2025-10-22
- 2025年一级造价师《土建计量》考试真题答案51-60题2025-10-22