2010年注册电气工程师专业基础习题5
更新时间:2010-09-16 10:19:13
来源:|0
浏览
收藏
电气工程师报名、考试、查分时间 免费短信提醒
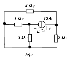
用叠加定理求题2-3图示电流源两端的电压。



![]()
解:电压源单独作用时如图(b)所示,则

当电流源单独工作时,如图(c)所示,则4Ω与2Ω并联,1Ω与5Ω并联
然后两并联电路再串联,所以

查看更多内容: 电气工程师考试频道 电气工程师课程试听 电气工程师考试论坛
·2010年电气工程师考试网上辅导招生简章!
·2010年电气工程师考试时间9月18、19日
·注册电气工程师执业资格考试内容简介
·权威老师主讲2010年电气工程师辅导课程
编辑推荐
最新资讯
- 2025年注册电气工程师考试题练习2025-06-13
- 2025年注册电气工程师考试试题练习2025-04-30
- 2024年电气工程师考试试题及答案2024-10-13
- 24年注册电气工程师考试试题2024-07-30
- 注册电气工程师模拟考试试题2023-04-20
- 2022年注册电气工程师试题与答案2022-04-27
- 2022年电气助理工程师考试题及答案2022-04-21
- 注册电气工程师证含金量高吗2022-04-20
- 2022年电气工程师考试题及答案2022-04-20
- 2022年电气工程师试题与答案2022-04-18