2010年注册电气工程师专业基础习题6
更新时间:2010-09-16 10:30:29
来源:|0
浏览
收藏
电气工程师报名、考试、查分时间 免费短信提醒
求题2-4图示电路的戴维南和诺顿等效电路。








解:(a)
(1) 求戴维南等效电路
开路电压 uoc = uab = 3×3+2-2=9V
等效电阻 Ro= 1+3 =4Ω
(2)求诺顿等效电路
求短路电流的电路如图(e)所示,对节点a列节点KCL方程可得

(c)
(1) 求戴维南等效电路
求开路电压uoc: uoc = uab
显然 Ia+2 Ia=3A
即 Ia=1A
则 uab=2×4 Ia-2=6V
uoc =6V
求等效电阻Ro:
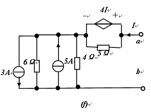
用外加电压源法如图(h)所示,则
2 Ia=-Ia 即 Ia=0A
所以 Ro=4Ω

求等效电阻Ro:
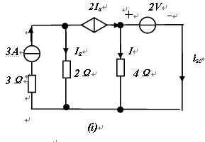
用外加电压源法如图( j ),虚线为网孔电流的方向,则

查看更多内容: 电气工程师考试频道 电气工程师课程试听 电气工程师考试论坛
·2010年电气工程师考试网上辅导招生简章!
·2010年电气工程师考试时间9月18、19日
·注册电气工程师执业资格考试内容简介
·权威老师主讲2010年电气工程师辅导课程
编辑推荐
最新资讯
- 2025年注册电气工程师考试题练习2025-06-13
- 2025年注册电气工程师考试试题练习2025-04-30
- 2024年电气工程师考试试题及答案2024-10-13
- 24年注册电气工程师考试试题2024-07-30
- 注册电气工程师模拟考试试题2023-04-20
- 2022年注册电气工程师试题与答案2022-04-27
- 2022年电气助理工程师考试题及答案2022-04-21
- 注册电气工程师证含金量高吗2022-04-20
- 2022年电气工程师考试题及答案2022-04-20
- 2022年电气工程师试题与答案2022-04-18