2012年电气工程师考试考前训练每天一练7.17
更新时间:2012-07-17 13:52:52
来源:|0
浏览
收藏
电气工程师报名、考试、查分时间 免费短信提醒
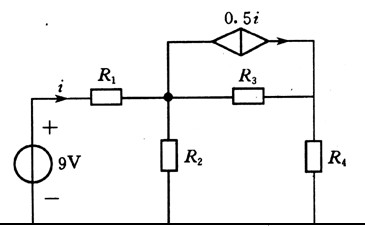
2. 对图所示电路,已知R1=2Ω,R2=4Ω,R3=R4=1Ω,求电流i。
(A)3A
(B)-3A
(C)0
(D)5A
解:将受控电流源转化为电压源

编辑推荐
最新资讯
- 2025年注册电气工程师考试题练习2025-06-13
- 2025年注册电气工程师考试试题练习2025-04-30
- 2024年电气工程师考试试题及答案2024-10-13
- 24年注册电气工程师考试试题2024-07-30
- 注册电气工程师模拟考试试题2023-04-20
- 2022年注册电气工程师试题与答案2022-04-27
- 2022年电气助理工程师考试题及答案2022-04-21
- 注册电气工程师证含金量高吗2022-04-20
- 2022年电气工程师考试题及答案2022-04-20
- 2022年电气工程师试题与答案2022-04-18



