【环球网校】2011年二建市政真题及参考答案解析(16-20题)
环球首发:2014二建真题解析|【环球网校】2011年二建市政真题及参考答案解析汇总
16.关于零度气温以下热力管道焊接的说法,错误的是( )。
A.应清除管道上的冰、霜、雪
B.焊接时应保证焊缝自由收缩
C.应在焊缝完全冷却之前敲打掉焊缝表面焊渣
D.应防止焊口的加速冷却
【答案】C
【解析】在零度以下的环境中焊接,应符合以下规定:①清除管道上的冰、霜、雪;②在工作场地做好防风、防雪措施;③预热温度可根据焊接工艺制定;焊接时,应保证焊缝自由收缩和防止焊口加速冷却;④应在焊口两侧50mm范围内对焊件进行预热;⑤在焊缝未完全冷却之前,不得在焊缝部位进行敲打。
17.下列检测垃圾填埋场防渗效果的方法中,错误的是( )。
A.在填埋垃圾之前的填埋场影响区域内打水质观测井
B.设两层排水系统时,从提升泵井中抽取水样
C.在垃圾填埋区内打水质观测井
D.填埋垃圾前后从水质观测井中抽取水样进行比较
【答案】C
【解析】为有效检测防渗效果,目前采用的检验方法是:在填埋场区影响区域内打水质观测井,提取地下水样,利用未被污染的水样与有可能被污染的水样进行比较的方法,对防渗效果的有效性进行检验;若设双层排水系统,可随时从提升泵井中抽取地下水的水样,进行比较。
18.干燥地区园林假山常用的基础材料是( )。
A.桩基
B.石基
C.灰土基
D.钢筋混凝土基
【答案】C
【解析】假山常用的基础材料有桩基、石基、灰土基和钢筋混凝土基。桩基用于湖泥沙地,石基多用于较好的土基,灰土基用于干燥地区,钢筋混凝土基多用于流动水域或不均匀土基。
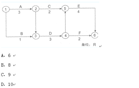
19.某市政工程的网络计划图如下,其合理的合同工期应是( )个月。

【答案】D
【解析】关键线路:①一②一③-④-⑤一⑥,3+3+4=10,所以其合理的合同工期为10个月。
20.根据《市政公用工程注册建造师执业工程规模标准》,市政公用工程注册建造师不能承接( )。
A.城市快速路
B.城市环路
C.绕城高速
D.城际高速
【答案】D
【解析】市政公用专业注册建造师的职业工程范围包括:城镇道路工程、城市桥梁工程、城市供水工程、城市排水工程、城市供热工程、城市地下交通工程、城市供气工程、城市公共广场、生活垃圾处理工程、交通安全设施工程、机电设备安装工程、轻轨交通工程、园林绿化工程等。其中城乡道路工程包括城市快速路、城市环路、城市主干道、次干道的建设、养护与维修工程。
最新资讯
- 二建历年真题做几年的 二建历年真题怎么用2025-08-29
- 二建历年真题及答案解析哪里能下载全科?2025-08-28
- 2026二建备考必刷!历年真题高效提分指南2025-08-21
- 二级建造师考试历年真题免费下载2025-08-19
- 二级建造师历年真题频道 全科真题免费下载2025-08-19
- 二建真题有用吗 备考二建如何高效利用历年真题2025-08-12
- 2026年二建精讲课:5+10小白速通宝典 精准提分,全程护航2025-07-22
- 二建历年真题有必要做吗?二建历年真题在哪里下载?2025-07-22
- 二建真题题库 免费在线刷题练习2025-07-16
- 二建考试真题大合集+二建真题资料包 在这里均可免费下载2025-07-16