【环球网校】2013年二建市政真题及参考答案解析(案例四)
更新时间:2014-09-02 13:38:59
来源:|0
浏览
收藏
二级建造师报名、考试、查分时间 免费短信提醒
环球首发:2014二建真题解析|【环球网校】2013年二建市政真题及参考答案解析汇总
(四)背景资料
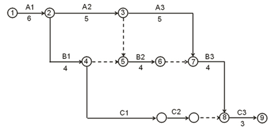
某项目部针对一个施工项目编制网络计划图,下图是计划图的一部分:


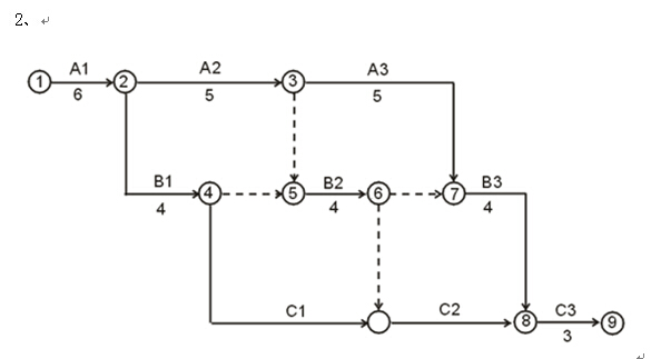
项目部对按上述思路编制的网络计划图进一步检查时发现有一处错误:C2工作必须在B2工作完成后,方可施工。经调整后的网络计划图由监理工程师确认满足合同工期要求,最后在项目施工中实施。
A3工作施工时,由于施工单位设备事故延误了2天。
问题:
1、按背景资料给出的计划工作及持续时间表补全网络计划图的其余部分。(请将背景中的网络图复制到答题纸上作答,在试卷上作答无效)。
2、发现C2工作必须在B2工作完成后施工,网络计划图应如何修改?(请复制问题1的结果(网络图)到答题纸上作答。在试卷上作答无效)。
3、给出最终确认的网络计划图的关键线路和工期。
4、A3工作(设备事故)延误的工期能否索赔?说明理由。
参考答案:
1、


3、关键线路:(1)→(2)→(3)→(7)→(9)→(10)。工期=6+5+5+4+3=23天。
4、不能索赔。因为这是施工单位原因造成的。
编辑推荐
最新资讯
- 二建历年真题做几年的 二建历年真题怎么用2025-08-29
- 二建历年真题及答案解析哪里能下载全科?2025-08-28
- 2026二建备考必刷!历年真题高效提分指南2025-08-21
- 二级建造师考试历年真题免费下载2025-08-19
- 二级建造师历年真题频道 全科真题免费下载2025-08-19
- 二建真题有用吗 备考二建如何高效利用历年真题2025-08-12
- 2026年二建精讲课:5+10小白速通宝典 精准提分,全程护航2025-07-22
- 二建历年真题有必要做吗?二建历年真题在哪里下载?2025-07-22
- 二建真题题库 免费在线刷题练习2025-07-16
- 二建考试真题大合集+二建真题资料包 在这里均可免费下载2025-07-16