1.【问答题】
【背景资料】
某演艺集团公司投资建设一百戏楼,占地约60亩,总建筑面积约40792㎡。主要建设内容为1320座专业杂技剧场、546座地方戏小剧场、43座综合性小剧场、排练、管理等配套附属用房以及地下车库、人防、设备用房等。地上5层(小剧场地上4层),地下1层(局部3层),其中花篮部位(钢结构)的跨度最大为44.33米。项目总投资32亿,其中消防工程960万。演艺集团公司通过公共资源交易电子服务系统进行招标,A建筑公司通过电子投标最终中标总承包,B机电公司中标消防工程。
在施工过程中A建筑公司把花篮部位分包给C公司,C公司编制了施工方案,经过A公司项目技术负责人签字后开始安装,被监理工程师制止。
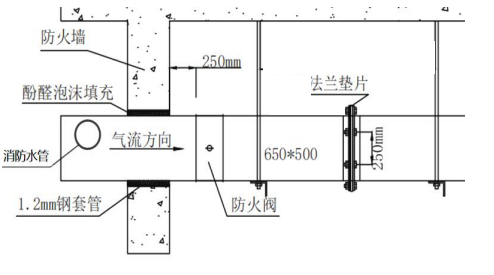
B公司在地下主体结构完工后立即进场施工,施工过程中通风班组为了节省材料,没有按照设计路线施工,致使一排烟风管挡住了消火栓供水支管路线,引起水班组不满,项目经理通过让通风班组在风管开孔,水管从风管内部穿过,用密封胶封堵。如下图所示。质检员在巡视过程中发现风管的施质量不符合规范要求,通知施工作业人员整改。

空调供水管及开式冷却水系统施工完成后,项目部进行了强度和严密性试验,施工图中注明空调供水管的工作压力1.2Mpa,开式冷却水系统供水压力为0.9Mpa。工程整体施工完毕后,演艺集团公司项目部向当地住房和城乡建设主管部门申请消防验收。
【问题】
1.电子招标投标系统根据功能的不同分为哪几个平台。
2.监理单位制止C公司的花篮工程施工是否合理,说明理由。
3.指出图中的错误,并说明理由。
4.计算空调空调供水管和开式冷却水管道的试验压力,试验压力最低不应小于多少?