2013年江苏省造价员资格考试土建试卷土建答案及解析
2013年江苏省造价员资格考试土建试卷土建答案及解析
一、(本题25分,初级做)
某工业厂房建筑,为三类工程,其基础平面图、剖面图如图所示。基础为C20钢筋砼独立柱基础,C10素砼垫层,设计室外地坪为-0.30m。基础底标高为-2.0米,柱截面尺寸为400×400mm。根据地质勘探报告,土壤类别为三类土,无地下水。该工程采用人工挖土,人工回填土夯填至设计室外地坪。人工挖土从垫层下表面起放坡,放坡系数为1:0.33,工作面以垫层边至基坑边为300mm,本工程砼均采用泵送商品砼。
请按以上施工方案以及《江苏省建筑与装饰工程计价表》(2004)计算规则计算土方开挖、土方回填、砼垫层以及砼基础(其余不予考虑)的计价表工程量并填写相应的计价表子目编号、名称及综合单价。



评分标准:人工挖基坑J1、J2中开挖深度、基坑下口宽度、基坑上口宽度计算正确各1分,计算公式使用正确及结果正确各2分,计10分。
独立基础工程量计算正确3分
垫层工程量计算正确 2分
回填土工程量工程计算正确2分(过程正确得1.5分)
定额号填写正确每项1分,定额名称及单价各0.5分,计8分(定额名称准确即可)
合计25分
二、某一层接待室为三类工程,砖混结构,平、剖面图如图所示。设计室外地坪标高为-0.300m,设计室内地面标高为±0.000m。平屋面板面标高为3.500m。墙体中C20砼构造柱工程量为2.39 m3(含马牙槎),墙体中C20砼圈梁工程量为2.31 m3,平屋面屋面板砼标号C20,厚100mm,门窗洞口上方设置砼过梁,工程量为0.81 m3,-0.06m处设水泥砂浆防潮层,防潮层以上墙体为KP1多孔砖240×115×90mm,M5混合砂浆砌筑,防潮层以下为砼标准砖,门窗洞口尺寸见门窗表。
1、请按江苏省04计价表计算KP1多孔砖墙体的工程量及综合单价(管理费、利润费率等按计价表执行不调整,其他未说明的,按计价表执行。)
2、请按江苏省04计价表计算与墙体砌筑、墙面抹灰、天棚面抹灰的脚手架工程量,并列出子目对应的定额编号。(注:计算脚手架时:内墙砌体高度、净高:自室内地面至屋面板底;外墙脚手架按双排外架子考虑。)

三、(本题20分,初级、中级均做)
根据下表提供的工程量清单,按江苏省04年计价表组价。要求填写清单综合单价、合价和工程量清单综合单价分析表,定额综合单价有换算的须列简要换算过程,其他未说明的,按04年计价表执行。(管理费费率、利润费率、人工单价按计价表子目不做调整,材料需换算单价的按照江苏省04年计价表附录中对应材料单价换算。)






评分说明:定额号正确,每项得1分,应标未标注换时仅得0.5分;定额名称正确,每项得0.5分;计量单位均正确得0.5分,否则不得分;定额数量均正确得0.5分,否则不得分;换算过程按题中得分点,共8分;定额综合单价正确每项0.5分;清单综合单价正确得0.5分,合价正确得0.5分。
第四题(30分)




五、(本题30分,中级做)
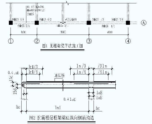
某框架梁,如图1所示,请根据图2、图3、图4所示构造要求(依据国家建筑标准设计图集11G101-1)以及其他本题给定条件,计算该框架梁钢筋总用量。已知框架梁为C30现浇砼,设计三级抗震,,柱的断面均为400mm×400mm,次梁断面200mm×400mm。框架梁钢筋保护层20mm,为最外层钢筋外边缘至混凝土表面的距离。钢筋定尺为8m,钢筋连接均选用绑扎连接。抗震受拉钢筋锚固长度laE=37d,上下部纵筋及支座负筋伸至边柱外为0.4laE另加弯折长度15d,下部非贯通纵筋伸入中间支座长度为laE。纵向抗震受拉钢筋绑扎搭接长度lLe=51.8d。
主次梁相交处在主梁上设2根附加吊筋(如图3所示),附加吊筋长度计算公式为2×平直段长度+2×斜段长度+次梁宽度+2×50。
本框架梁箍筋长度计算公式为:(梁高-2×保护层厚度+梁宽-2×保护层厚度)×2+24×箍筋直径,箍筋加密区长度为本框架梁梁高的1.5倍,箍筋根数计算公式分别为:【(加密区长度-50)/加密间距】+1及(非加密区长度/非加密间距-1)。纵向受力钢筋搭接区箍筋构造不予考虑。(钢筋理论重量:25=3.850kg/m,18=1.998kg/m,8=0.395kg/m,计算结果保留小数点后2位。)







评分标准:
上部贯通纵筋、支座负筋、下部纵筋单根长度为1.5分,根数为0.5分,计24分。
附加吊筋单根长度为2分,根数0.5分,计2.5分
箍筋及附加吊筋单根长度0.5分,根数2分,计2.5分
重量汇总酌情1.分
合计:30分。
第六题




施工组织:房建,市政,道桥,水利,岩土,隧道
环球网校友情提示:如果您在此过程中遇到任何疑问,请登录环球网校造价员考试频道及论坛,随时与广大考生朋友们一起交流!
编辑推荐
2013年造价员考试网络辅导招生简章
2013年造价员资格考试报名条件
最新资讯
- 抢先版!2025年甘肃二造真题及答案《建设工程计量与计价实务》2025-12-07
- 2025年12月7日上午场甘肃二级造价师真题及答案: 建设工程造价管理基础知识(抢先版)2025-12-07
- 抢先版!2025年12月6日下午场安徽二造真题及答案《建设工程计量与计价实务》2025-12-06
- 考生回忆版!2025年安徽二级造价师真题及答案解析《建设工程造价管理基础知识》2025-12-06
- 2025年12月7日甘肃二造真题及答案解析2025-12-05
- 2025安徽二级造价师真题及答案2025-12-05
- 2025年安徽省二级造价师真题解析(考后发布)2025-12-04
- 2025年安徽二造土建试题及答案:考后实时更新2025-12-04
- 2025年甘肃省二级造价工程师考试答案考后更新2025-12-04
- 考后更新!2025年甘肃省二级造价工程师真题答案2025-12-03