结构工程师基础科目(二)辅导:静定平面桁架(一)
八、静定平面桁架
(一)理想平面桁架的假定及其按几何组成的分类。
理想桁架应满足下面三个假定:1.各结点均为无摩擦的理想铰;2.各杆件轴线均为 直杆,且各通过铰的几何中心;3.荷载都作用在结点上。如图2―l
符合上述假定的理想桁架的各杆只承受轴向力,横截面上只产生均匀的法向应力,与梁相比,受力合理,用料经济,自重较轻,可跨越较大的跨度。
不符合上述假定的桁架,在杆件中会产生弯曲次应力,理论分析和实验表明,当桁架的杆件比较细长时,这种次应力与由轴力引起的应力相比所占比例不大。
桁架按其几何组成可分为:
简单桁架――从仅由三根杆件组成的三角形铰接单元出发,根据两元片规则,逐次扩展形成的桁架,如图2-
联合桁架――由两个或两个以上的简单桁架联合组成的桁架,如图2-10b所示。
复杂桁架――不属于上述两类的桁架,如图2-
桁架的有关术语表示在图2-

图2-10
(二)平面桁架的内力计算
1.节点法
取桁架的节点为隔离体,由平面汇交力系的平衡条件求解各杆内力的方法。从理论上讲,任何静定平面桁架都可利用节点法求出全部杆件的内力,但为了避免求解联立方程,在每次截取的节点上不应超过两个未知内力。在简单桁架中,只要按两元片规则,循着各节点形成的顺序或相反的顺序,逐次应用节点法,在每个结点的平衡方程中,最多不会超过两个未知力。
在计算中,有时可利用下面几种节点平衡的特殊情况。
(1)两杆节点上无荷载,两杆内力均为零(图2―
(2)三杆节点上无荷载,其中在同一直线上的两杆内力相等而方向相反,另一杆内力为零(图2―11b);
(3)四杆节点上无荷载,且四杆相交成两直线,则处在同一直线上的两杆内力相等,但方向相反(图2―
(4)四杆节点上无荷载,其中两杆共线而另两杆处于此线的同侧且倾角相同,则处于共线杆同侧的两杆内力等值而反向(图2―11d)。

?08年考试规范、标准: 2008年一级注册结构工程师考试成绩查询汇总
图2-11
应用上述识别零杆的方法,容易看出图2―
图2―12b、c分别为对称桁架承受对称荷载和反对称荷载作用。根据对称结构在对称荷载(或反对称荷载)作用下,其内力为对称(或反对称)的特点,再根据上述识别零杆的方法,可知图中虚线所示的杆件为零杆。

在建立节点平衡方程时,对于斜杆轴力N,常可用其水平分力X或竖向分力Y作为未知数。再设斜杆长为l,其水平和竖向投影长度分别为lx和ly,则可得
N/l= X/lx =Y/ly (2―9)
由上式可从任一分力X或Y求出轴力N,也可由一个分力算出另一分力,以简化计算。
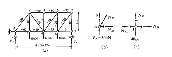
[例2-3] 用节点法求图2―

[解]
(1)求支座反力
由整体平衡条件,得VA=80kN,HA=0,VB=100kN。
(2)求桁架各杆轴力
从只含两个未知力的节点A(或节点B)开始,再依次分析邻近节点。
节点A(图2―13b),设未知轴力为拉力,并采用NA2的水平分力XA2或竖向分力YA2作为未知数,则由
ΣY=0,得YA2=-VA=―80kN
再由式(2―9)得
XA2=-60kN
NA2=―100kN
再由ΣX=0,得NAl=60kN
节点1(图2―
依次再考虑节点2、3、4、5、6、7,每―结点不超过两个未知力。至最后节点B时,各杆轴力均为已知,可据此节点是否满足平衡条件作为内力计算的校核。各杆轴力计算的结果标注在图2―
最新资讯
- 1元速取!2026注册结构工程师知识点集锦课程2026-03-31
- 2025年一级注册结构工程师考前实战试题解析:突破考试瓶颈的终极指南‌2025-10-13
- 2025年一级注册结构工程师常考知识点2025-02-17
- 2025年二级注册结构工程师高频知识点2025-02-17
- 2024年度二级注册结构工程师专业考试资料:规范、标准、规程2024-08-13
- 2024年度一级注册结构工程师专业考试资料:规范、标准、规程2024-08-13
- 环球网校双11预售开启!定金百倍膨胀,直播再返现金2023-10-25
- 环球网校结构工程师双11活动来啦,限时优惠!2023-10-25
- 注册结构工程师考试大纲下载2023-05-16
- 2023年一级注册结构工程师考试大纲内容2023-04-14