结构工程师基础科目(二)辅导:三铰拱和三铰刚架
七、三铰拱和三铰刚架的内力计算
图2―6(a)所示由曲杆组成的结构在竖向荷载作用下将产生水平反力,这种结构称为 拱形结构。而图2―6(b)所示的结构,在竖向荷载作用下其水平支座反力等于零,这种结 构称为曲梁。图2―6(c)所示为两个曲杆由三个不共线的铰与地基两两相连的三铰拱,它 是工程中常用的静定拱形结构,由于它的支座产生水平推力,基础应具有相应的抗力,故 有时做成图2―6(d)所示的拉杆拱,水平推力由拉杆来承担。
三铰拱由于存在水平推力,故拱轴截面中的弯矩比相同跨度相同荷载的简支梁的弯矩要小,使拱成为主要是承受压力的结构,可采用受压性能强而受拉性能差的材料建造。与简支梁相比,拱形结构可以跨越更大的跨度。
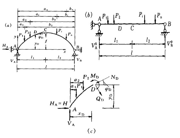
三铰拱的有关术语表示在图2―6(c)中,工程中常用的矢跨比f/l=0.5~1,常用的拱轴方程有二次抛物线,圆弧线,悬链曲线等。
(一)三铰平拱在竖向荷载作用下的支座反力及内力计算
拱脚铰在同一水平线上的三铰拱称为三铰平拱。
支座反力
由图2―7(a)所示三铰拱的整体平衡条件及顶铰C处弯矩为零的条件,可得支座反力的计算公式为
VA=VA0 (2―1)
VB=VB0 (2―2)
HA=HB=H=MC0 /f (2―3)
式中VA0、VB0、MC0分别为与三铰拱相同跨度、相同荷载简支梁(简称为三铰拱的代 梁,图2―7b)支座A、B处的支座反力及截面C的弯矩。
式(2―3)表明,在给定的竖向荷载作用下,三铰拱的水平推力只与三个铰的位置有关,而与拱轴线的形状无关。当荷载与拱跨不变时,推力H与矢高f成反比,f愈大即拱愈高时H愈小,f愈小即拱愈平时H愈大。若f=0,则H为无穷大,这时三铰已共线,体系为瞬变体系。
取图2―
MD=MD0―HyD (2―4)
VD=VD0cosφD-HsinφD (2―5)
ND=VD0sinφD+HcosφD (2―6)
式中MD、VD、ND的正方向如图2―
三铰拱的内力计算,除上述数解法外,还可用图解法进行,可通过绘制三铰拱的力多 边形及压力线(索多边形)来确定其内力。
?08年考试规范、标准: 2008年一级注册结构工程师考试成绩查询汇总
(二)三铰拱的合理拱轴
在某种固定荷载作用下,拱的所有截面的弯矩均为零的轴线称为合理拱轴。

三铰拱在竖向荷载作用下合理拱轴的一般表达式,可根据合理拱轴的定义,令式 (2―4)等于零,得合理拱轴方程为
y=M0/H (2―7)
图2―
按图2―
M0=qx(l-x)/2
及拱的水平推力
H=MC0/f=ql2/
代人式(2―7)得拱的合理拱轴方程为
y=4fx(l-x)/l2 (2―8)
顺便指出,三铰拱在满跨填料重量作用下的合理拱轴为悬链曲线;在径向均布荷载作用下的合理拱轴为圆弧线。
(三)三铰刚架的内力计算
分析图2―
1.计算支座反力
计算三铰刚架的支座反力与三铰拱是类似的,除了应用三个整体平衡条件外,还需要利用铰C处弯矩等于零的条件。经计算得
HA=1.33qa;VA=24qa
HB=13.33qa;VB=46qa
2.计算各杆端截面内力并绘制内力图
支座反力求出后,各杆端截面内力计算及各内力图的绘制方法,与前述简支刚架的方 法都是相同的,得出的M、V、N图,分别如图2-9b、c、d所示。
最新资讯
- 1元速取!2026注册结构工程师知识点集锦课程2026-03-31
- 2025年一级注册结构工程师考前实战试题解析:突破考试瓶颈的终极指南‌2025-10-13
- 2025年一级注册结构工程师常考知识点2025-02-17
- 2025年二级注册结构工程师高频知识点2025-02-17
- 2024年度二级注册结构工程师专业考试资料:规范、标准、规程2024-08-13
- 2024年度一级注册结构工程师专业考试资料:规范、标准、规程2024-08-13
- 环球网校双11预售开启!定金百倍膨胀,直播再返现金2023-10-25
- 环球网校结构工程师双11活动来啦,限时优惠!2023-10-25
- 注册结构工程师考试大纲下载2023-05-16
- 2023年一级注册结构工程师考试大纲内容2023-04-14