2011结构工程师第16章-砌体结构辅导[23]
更新时间:2010-11-03 14:11:40
来源:|0
浏览
收藏
结构工程师报名、考试、查分时间 免费短信提醒
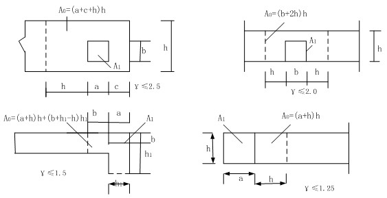
二、砌体的局部受压计算
当在砌体局部面积上作用有轴向力时,即为砌体的局部受压受力情况。例如,承受上部柱或墙传来的压力的基础顶面、钢筋混凝土楼盖大梁或屋架支承处的砌体截面等。试验 表明:砌体局部受压时,直接受压的局部范围的砌体抗压强度有较大程度的提高。因为当轴向压力不断增加后,不仅直接承压面下的砌体发生变形,在它的四周也发生变形,离直接承压的面愈远变形愈小。这样,由于四周砌体对直接承压面的协力帮助,提高了抵抗局部压力的能力。另一方面,砌体在中心局部受压的情况下,四周末直接承受荷载的砌体,对中间局部荷载下砌体的横向变形起着约束作用,又称“套箍”作用。这种约束作用,产生三向受压应力状态,因而大大提高了砌体的局部抗压强度。

图 16-3-4
图中 a,b___矩形局部受压面积Al的边长;
h,h1___墙厚或柱的较小边长,墙厚;
c——矩形局部受压面积的外边缘至构件边缘的较小距离,当大于h时,应取为h.
2010结构工程师考试成绩查询汇总 2010年结构工程师考后交流正热
2011结构工程师考试辅导招生简章 2011年度结构工程师考试时间确定
编辑推荐
最新资讯
- 2025年一级注册结构工程师考前实战试题解析:突破考试瓶颈的终极指南‌2025-10-13
- 2025年一级注册结构工程师常考知识点2025-02-17
- 2025年二级注册结构工程师高频知识点2025-02-17
- 2024年度二级注册结构工程师专业考试资料:规范、标准、规程2024-08-13
- 2024年度一级注册结构工程师专业考试资料:规范、标准、规程2024-08-13
- 环球网校双11预售开启!定金百倍膨胀,直播再返现金2023-10-25
- 环球网校结构工程师双11活动来啦,限时优惠!2023-10-25
- 注册结构工程师考试大纲下载2023-05-16
- 2023年一级注册结构工程师考试大纲内容2023-04-14
- 2023年结构工程师教材内容变动对比2023-04-10