2010年《招标采购案例分析》真题及答案(一)
更新时间:2012-11-20 17:20:25
来源:|0
浏览
收藏
摘要 2010年《招标采购案例分析》真题及答案
◎试卷导航 | ||
| 第一页:第一题 | ||
第一题(15分)
某依法必须招标的工程建设项目,采用公开招标(资格后审)方式组织工程总承包招标。
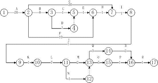
招标项目进度网络计划图

注:图中所标注时间为日历日,各环节时间满足相关要求,其中:
A.编制招标文件,发布招标公告;
B.发售招标文件;
C.组织一批投标人踏勘现场;
D.组织另一批投标人踏勘现场;
E.组织投标预备会;
F. 投标人提出招标文件需要澄清的问题;
G. 投标人编写和提交投标文件;
H.发出招标文件澄清与修改;
I. 招标人和行政监督机构审查投标人营业执照和安全生产许可证,据此决定进入开标的投标文件;
J.开标;
K.评标委员会制订评标办法;
L.考察各投标人,将考察结果作为评标依据;
M.评标;
N. 招标人向投标人发出通知,要求投标人进一步澄清、说明有关事项;
O.公示中标结果;
P.发出中标通知书;
Q.就合同非实质性内容进行谈判;
S.中标人进场建设。
问题:
1.按照招标人编制的网络计划,其关键路径,并确定按照该计划完成全部招标工作所需的时间。
2.逐一指出上述网络计划中的不妥之处,说明理由。
相关推荐:
最新资讯
- 2015年招标师考试《各科目》真题与答案汇总2015-11-09
- 2015年招标师考试《法律法规》真题答案汇总2015-11-09
- 2015年招标师考试《专业实务》真题答案(网友版)2015-11-09
- 2015招标师考试《法律法规》真题答案(网友版3)2015-11-09
- 2015招标师考试《法律法规》真题答案(网友版2)2015-11-09
- 2015年招标师考试《法律法规》真题答案(网友版1)2015-11-09
- 2015招标师《专业知识与法规》历年考题解析第二章2015-07-17
- 2015招标师《专业知识与法规》历年考题解析第一章2015-07-17
- 2014年招标师《法律法规与政策》真题及答案2015-07-08
- 招标师《项目管理》历年真题精讲第二章2015-04-27