2012年二级建造师《公路工程》完整版真题(4)
|
试卷导航◎ | ||
| | ||
三、案例分析题(共4题,每题20分)
(一)
某施工单位承建了二级公路施工项目,设计车速60 km/h,路基宽度10 m。桩号 K15+000~Kl8+000为石方开挖地段,石方含量达80%。桩号Kl8+000~Kl9+000为填方路堤,平均填方厚度l5 m,采用分层压实法,自下而上水平分层,逐层填筑,逐层压实。填方路段划分为四级施工平台、四个作业区段。在路床顶面以下0.5 m为第一级台阶,0.5~1.5 m.为第二级台阶,l.5~3 m为第三级台阶,3 m以下为第四级台阶。四个作业区段是填石区段、平整区段、碾压区段和检验区段。填石作业自最低处开始,逐层水平填筑。每一层均采用机械摊铺、平整,铺撒嵌缝料,将填石空隙以小石和石屑填满铺平,采用重型振动压实设备碾压。施工单位为充分发挥机械设备的效率,强化了施工机械设备的现场管理。
施工单位在施工中对填石路基质量检验实测项目有:压实度、纵断面高程、中线偏位、宽度、边坡坡度和平顺度。
问题
1.针对背景中的四个施工平台和四个作业区段,采用哪种施工组织形式最合理?
2.写出填石路基的施工工艺流程。
3.补充填石路堤质量检验还缺漏的实测项目。
4.简述填石路堤施工中的装运机械设备配置、摊铺平整机械设备配置和压实机械设备配置。
5.施工机械现场管理包含哪三方面工作?
(二)
某施工单位承接了2 km的山区二级公路工程项目,其中包含一座长260 m的双车道隧道。隧道进口洞顶覆盖层较薄,出口段的路堑地段受落石和塌方危害,隧道进出口段均设置12 m的拱式明洞。其中进口段的路堑对明洞有偏压,路床有软基处理,出口段的路堑对明洞无偏压。
隧道开挖后,及时修筑了第一次衬砌,通过施工中的监控量测,确定围岩变形稳定后,修筑防水层及进行第二次衬砌。
隧道洞口段路面采用水泥混凝土路面,路面结构层自上而下为:20 cm厚C30水泥混凝土面层;20 cm厚水泥稳定碎石层;20 cm厚填隙碎石基层。路面施工完成后进行了隧道通风、照明设施的施工。
隧道通车后,在进口段发现路面出现横向裂缝,施工单位对出现裂缝的原因进行调查分析,发现该段基层顶面标高比设计标高平均高出5 cm,而混凝土制备、浇筑工艺、养生都满足要求,切缝及时。
问题
1.简述本隧道工程设置明洞的理由。
2.根据荷载分布划分,该隧道的拱式明洞有哪些形式?
3.补充隧道中还需要施工的其他附属设施。
4.分析路面出现横向裂缝的可能原因。
(三)
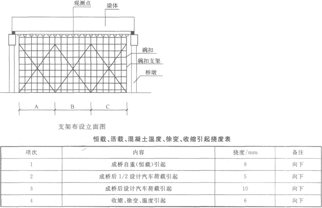
某跨度40 m现浇预应力钢筋混凝土简支梁桥,采用后张法张拉预应力。施工单位采用 碗扣式满堂支架施工(见下图),支架由钢管、扣件、型钢等组成,纵横梁采用电弧焊连接。支架 为就近租赁,为保证支架安装质量,施工单位认真检查了扣件的外观质量。
为了保证支架的承载力以及消除支架和支架地基引起的塑性变形,对支架进行了堆沙袋 预压,压重为梁自重的l.2倍(梁自重加施工荷载),并在跨中支架顶部设置了标高观测点。 观测点预压前标高为185.756 m,进行分级预压,l00%预压荷载时观测点的标高为 185.701 m。预压稳定后进行了分级卸载,卸载后观测点的标高为l85.725 m。
经计算,该桥达到了设置预拱度的条件,恒载、活载、混凝土温度、徐变、收缩引起挠度见下 表,并按二次抛物线设置预拱度。跨中底板的设计标高为185.956 m。
梁体浇筑后进行了预应力的张拉,然后拆除支架。为保证施工安全,拟定分三部分(A、B、 C)(见下图),分批分次拆除支架。

问题
1.计算梁自重和施工荷载作用下的弹性变形。(保留小数点后三位)
2.计算该支架跨中需要设置的预拱度以及底板的立模标高。(保留小数点后三位)
3.排列A、B、C三部分合理的拆除顺序。
4.写出旧扣件外观质量可能存在的病害。5.写出架设本桥支架所需要的特殊工种。
(四)
某施工单位承接的二级公路中有四道单跨2.0×2.0 m钢筋混凝土盖板涵,在编制的《施 工组织设计》中,对各涵洞的工序划分与工序的工作时间分析如下表所示。

施工单位最初计划采用顺序作业法组织施工,报监理审批时,监理认为不满足工期要求,要求改为流水作业法。 根据现场施工便道情况,施工单位决定分别针对A、B、C、D四道工序组织四个专业作业队伍,按4号→3号→2号→l号涵洞的顺序采用流水作业法施工,确保每个专业作业队的连续作业。在每个涵洞的“基础开挖及软基换填”工序之后,按《隐蔽工程验收制度》规定,必须对基 坑进行检查和验收,检查和验收时间(间歇时间)按2天计算。验收由施工单位项目负责人组织施工人员、质检人员,并请监理单位人员及设计代表参加。验收的项目为:基坑几何尺寸、地基处理。验收合格后才进行下一道工序的施工。
问题
1.计算按顺序作业法组织四道涵洞施工的工期。
2.计算按流水作业法组织施工的流水步距及总工期。
3.绘制按流水作业法组织施工的横道图(要求横向为工期,纵向为工序)。
4.根据《隐蔽工程验收制度》,验收时还必须邀请哪个单位参加?
5.补充基坑验收时缺漏的项目。
环球网校友情提示:如果您在此过程中遇到任何疑问,请登录环球网校二级建造师频道及论坛,随时与广大考生朋友们一起交流!
编辑推荐:
最新资讯
- 2026备考黄金资料:二建考试题真题及答案2026-04-07
- 二建历年真题及答案解析汇总(2017-2025)2025-12-31
- 二建历年真题做几年的 二建历年真题怎么用2025-08-29
- 二建历年真题及答案解析哪里能下载全科?2025-08-28
- 2026二建备考必刷!历年真题高效提分指南2025-08-21
- 二级建造师考试历年真题免费下载2025-08-19
- 二级建造师历年真题频道 全科真题免费下载2025-08-19
- 二建真题有用吗 备考二建如何高效利用历年真题2025-08-12
- 2026年二建精讲课:5+10小白速通宝典 精准提分,全程护航2025-07-22
- 二建历年真题有必要做吗?二建历年真题在哪里下载?2025-07-22