2011造价员复习精选:土石方工程6
更新时间:2011-08-12 16:46:42
来源:|0
浏览
收藏
二级造价工程师报名、考试、查分时间 免费短信提醒
一、挖沟槽工程量计算公式$lesson$
(一)外墙沟槽: V挖= S断×L外中
(二)内墙沟槽: V挖= S断×L基底净长
(三)管道沟槽: V挖= S断×L中

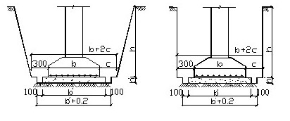
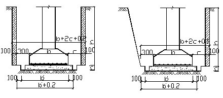
其中沟槽断面有如下形式
1、 钢筋混凝土基础有垫层时:
(1)两面放坡如图1-1(a)所示:
S断=[(b+2×0.3)+ mh] ×h +(b'+2×0.1)×h'
(2)不放坡无挡土板如图1-1(b)所示:
S断=(b+2×0.3)×h +(b'+2×0.1)×h'

(3)不放坡加两面挡土板如图1-1(c)所示:
S断=(b+2×0.3+2×0.1)×h +(b'+2×0.1)×h'
(4)一面放坡一面挡土板如图1-1(d)所示:
S断=(b+2×0.3+0.1+0.5 mh)×h +(b'+2×0.1)×h'

?2011年全国各地造价员各地报名信息汇总
?2011年造价员考前网上辅导招生简章
更多资讯请访问:造价员考试频道 造价员考试论坛 造价员课程免费试听
编辑推荐
最新资讯
- 免费下载:全国二级造价工程师职业资格考试大纲2026-02-14
- 二级造价师土建大纲,划重点版已整理2026-02-14
- 必看!二级造价师水利大纲,备考划重点全靠它2026-02-14
- 2026年二级造价师实务安装工程考试大纲2026-02-13
- 2026年二级造价师《建设工程计量与计价实务》水利工程考试大纲2026-02-13
- 2026年二级造价师《建设工程计量与计价实务》交通运输工程考试大纲2026-02-13
- 2026年二级造价工程师考试大纲在哪里看?2026-02-13
- 2026年二级造价工程师考试大纲:考试说明、考试科目、考试题型、考试目的及考试内容2026-01-08
- 2026年二级造价工程师《建设工程计量与计价实务》考试大纲内容:土木建筑工程2026-01-07
- 2026年二级造价工程师《建设工程造价管理基础知识》考试大纲要求及内容2026-01-07