土建工程实务辅导:结构施工图1
结构施工图
在建筑设计的基础上,对房屋各承重构件的布置、形状、大小、材料,构造及相互关系等进行设计,画出来的图样称为结构施工图(又称结构图),简称“结施”。
结构图一般包括结构设计说明、结构布置图和构件详图三部分内容。
结构设计说明以文字叙述为主,主要说明设计的依据,如地基情况、风雪荷载、抗震情况;选用结构材料的类型、规格、强度等级;施工要求;标准图或通用图的使用等。
结构布置图是房屋承重结构的整体布置图,主要表示结构构件的位置、数量、型号及相互关系。常用的结构平面布置图有基础布置平面图、楼层结构平面图、屋面结构平面图、柱网平面图等
构件详图是表示单个构件形状、尺寸、材料、构造及工艺的图样,如:梁、板、柱、基础等详图。
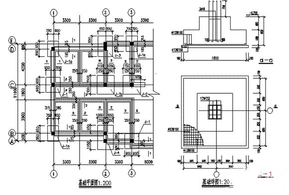
一、基础平面图及详图
为了把基础表达得更清楚,假想用贴近首层地面并与之平行的剖切平面把整个建筑物切开,移走上半部分,剩下下半部分,再假想把基础周围的回填土挖出使整个基础裸露出来。
基础平面图。是将剖切后裸露出的基础向水平投影面作投影而得到的剖面图。
基础详图。是将基础垂直切开所得到的断面图(对独立基础,有时还附单个基础的平面详图)。
(一)基础平面图
基础平面图主要表达基础的平面布置情况,定位轴线及间距,基础的类型、管沟的平面位置和基础详图的剖切位置等。它与基础详图一起,用做放线,挖基槽和基坑,砌筑基础以及编制预算和施工进度计划的依据。
图1-2-6所示为某宿舍基础平面图。条形基础用两条平行的粗实线表示剖切到的墙厚,基础墙两侧的中实线表示基础外形轮廓,基础断面位置用○――表示。绘图比例为1:200,横向轴线由①~⑩,纵向轴线由A~E。图中框架柱涂黑。
(二)基础详图
基础详图主要表达基础的形状、尺寸、材料、构造及基础的埋置深度等。各种基础的图示方法有所不同,图1-2-7举出了独立基础的基础详图。从该图中看到,基础底面长度为1800mm,宽度为1800mm,基础顶面标高-0.700m,每个基础大放脚的高度为400mm。在基础底部双向配有φ12@150的受力钢筋。基础下有100mm厚的C10素混凝土垫层。基础柱尺寸为400mm×400mm,预留插筋12φ22 ,钢筋下端直接插入基础内部,上端与柱中的钢筋搭接。

?2008年全国建设工程造价员资格考试大纲![]()
?2009年造价员考前网上辅导招生简章
最新资讯
- 2026年二级造价工程师考试大纲:考试说明、考试科目、考试题型、考试目的及考试内容2026-01-08
- 2026年二级造价工程师《建设工程计量与计价实务》考试大纲内容:土木建筑工程2026-01-07
- 2026年二级造价工程师《建设工程造价管理基础知识》考试大纲要求及内容2026-01-07
- 2026年度全国二级造价工程师职业资格考试大纲2026-01-06
- 考前速记!2025年甘肃省二级造价师考试《造价管理》公式汇总2025-12-01
- 考前5天!2025年安徽省二级造价工程师考前3页纸,抓紧背起来2025-12-01
- 2025年甘肃二级造价师考前3页纸~免费下载2025-11-30
- 免费下载!2025年安徽二级造价师备考资料包2025-11-21
- 2025年甘肃二级造价师备考资料:必备十页纸+练习题2025-11-21
- 免费下载!2025年新疆二级造价师考前3页纸2025-11-04