一级建筑师考试建筑结构模拟试题1
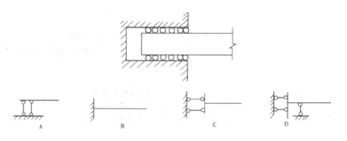
1. 图示支承可以简化为下列哪一种支座形式?
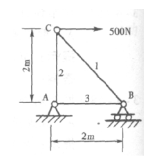
2. 图示桁架杆1、杆2、杆3所受的力分别为( )。
A S1=-707N, S2=500N, S3=500N
B Sl=707N, S2=一500N, S3=一500N
C S1=1414N, S2=500N, S3=1000N
D S1=一707N, S2=1000N, S3=500N
提示:用节点法,依次取C和B计算即得。
答案:A
3. 图示结构中,AC杆所受的内力为( )
A 受拉轴力 B 受压轴力 C 无内力 D 剪力
提示:用节点法,通过E点分析可知CE杆受压, CD为零杆,AC杆受力性 质与CE杆相同。
答案:B
4. 图示结构中,CD杆的轴力是( )。
A P,压力 B P,拉力 C 0 D 0.3P,压力
提示:取结点D,用零杆判别法即得。
答案:C
5. 图示结构承受一组平衡力系作用,下列哪一种叙述是正确的?
A 各杆内力均不为0 B 各杆内力均为0
C 仅AB杆内力不为0 D 仅AB杆内力为0
提示:在平衡力系作用下,结构的支反力为零,除AB杆外其余各杆均不受力,仅AB杆受外力作用而产生剪力与弯矩。
答案:C
6. 图示悬臂梁受一组平衡力系作用,下列哪一种叙述是正确的?
A E点右截面剪力为P/2 B D点左截面剪力为P
C C点弯矩为0 D D点弯矩为0
提示: (A) QE右=0,(B)QD右/2,(C)Mc=0,(D)MD=Pa/2,只有C正确。
答案:C
7. 梁所受荷载如图所示,对其弯矩图剪力图下面哪一种说法是正确的?
8. 无集中力偶作用,剪力图如图示,则梁上的最大弯矩为( )。



提示:从C处用截面法截开,取半个结构为研究对象,再对C点取矩计算即得。
答案:A
最新资讯
- 2026一级建筑师《建筑经济、施工与设计业务管理》每周15题(2月第1周)2026-02-06
- 2026一级建筑师《建筑材料与构造》精华模拟题15题(1月更新)2026-02-02
- 2026年一级建筑师每日一练及答案解析汇总(1月23日)2026-01-23
- 2026年一级注册建筑师考试每日一练及答案解析(12月26日)2025-12-26
- 2026年一级注册建筑师考试每日一练及答案解析(12月23日)2025-12-23
- 2026年一级注册建筑师考试每日一练及答案解析(12月15日)2025-12-15
- 2026年注册一级建筑师考试每日一练及答案解析(12月8日)2025-12-08
- 2026年一级注册建筑师资格考试每日一练及答案解析(11月28日)2025-11-28
- 2026年一级注册建筑师考试每日一练及答案解析(11月24日)2025-11-24
- 2026年一级注册建筑师每日一练及答案解析(11月7日)2025-11-07