一级建筑师考试建筑结构模拟试题3

提示:A图上弦杆中间有外力作用,B图下弦杆不是二力杆,D图上弦杆不是二力杆,均不符合桁架的条件。
答案:C
21.当框架各杆同时有温度升高时,图示下列结构中哪一种不会产生内力?
提示: 图示结构中只有A图是静定的。
答案:A
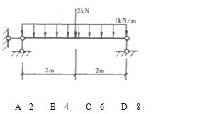
22.图示简支梁跨中截面弯矩值应为( ) kN?m。
提示:简支梁受均布荷载时跨中弯矩M=ql2/8,受集中荷载时,跨中弯矩M=ql/4。
答案:B
23.刚架承受荷载如图所示。下列四个弯矩图中哪一个是正确的弯矩图?
提示:由受力分析可知,无水平反力,故竖杆中不应有弯矩,C、D图不对,而B图显然是简支梁的弯矩图,也是错的。
答案:A
24.图示四种门式框架中,哪一种框架的横梁跨中弯矩最大?

提示:图示超静定刚架中,B图横梁与竖杆的刚度比最大,故其横梁跨中弯矩最大。
答案:B
25.普通钢筋混凝土的自重为()kN/m3。
A 20~21B 22~23C 24~25D 26~27
提示:钢筋混凝土是最常用的建筑材料之一。根据《建筑结构荷载规范》(GB 50009―2001)附录A附表A.1,钢筋混凝土自重为24~25kN/m3。
答案:C
26. 一般上人平屋面的均布荷载标准值为()kN/m2。
A 0.5B 0.7C 1.5D 2.0
提示:根据《建筑结构荷载规范》(GB 50009―2001)第4.3.1条表4.3.1,上人屋面的均布活荷载标准值规定为2.0kN/m2。
答案:D
27. 下列有关荷载标准值、设计值、准永久值、荷载效应组合的叙述中,哪一种是错误的?
A 荷载设计值一般大于荷载标准值
B 荷载准永久值一般小于荷载标准值(高炉邻近建筑的屋面积灰荷载除外)
C 对于承载能力极限状态,应采用荷载效应的基本组合进行设计;对于正常使用极限状态,应根据不同的设计要求,分别采用荷载的短期效应组合和长期效应组合进行设计
D 短期效应组合和长期效应组合的荷载设计值应考虑荷载分项系数
提示:根据《建筑结构可靠度设计统一标准》(GB 50068―2001)第7.0.6条,短期效应组合和长期效应组合时,不考虑荷载分项系数。
答案:D
28. 判别下列荷载中哪些属于活荷载?
I.土压力;Ⅱ.风荷载;Ⅲ.积灰荷载;Ⅳ.结构自重
A I、 Ⅱ
B Ⅲ、Ⅳ
C I、Ⅳ
D Ⅱ、Ⅲ
提示:题中风荷载和积灰荷载属于活荷载,而土压力和结构自重属于静荷载
(静荷载亦称恒载、永久荷载)。
答案:D
29. 多层停车库的楼面均布活荷载是按下列哪一项确定的?
A 车的吨位大小
B 楼盖结构型式
C 车库的规模
D 5kN/m2
提示:根据《建筑结构荷载规范》(GB 50009―2001),是按停车库的楼盖结构
型式(单向板楼盖、双向板楼盖和无梁楼盖)来确定楼面均布活荷载的取值的。
注:此题指普通客车,不包括消防车。
答案:B
30. 计算不上人屋面均布活荷载时,应按以下哪种方法选取计算荷载?
A 应同时考虑屋面均布活荷载与雪荷载
B 屋面均布活荷载不应与雪荷载同时考虑,随便选取任一荷载均可
C 屋面均布活荷载不应与雪荷载同时考虑,取其较大者
D 屋面均布活荷载不应与雪荷载同时考虑,取其中较小者
提示:由《建筑结构荷载规范》 (GB 50009―2001)可知计算屋面均布活荷载
不应与雪荷载同时考虑,应取其较大者。
答案:C
最新资讯
- 2026一级建筑师《建筑经济、施工与设计业务管理》每周15题(2月第1周)2026-02-06
- 2026一级建筑师《建筑材料与构造》精华模拟题15题(1月更新)2026-02-02
- 2026年一级建筑师每日一练及答案解析汇总(1月23日)2026-01-23
- 2026年一级注册建筑师考试每日一练及答案解析(12月26日)2025-12-26
- 2026年一级注册建筑师考试每日一练及答案解析(12月23日)2025-12-23
- 2026年一级注册建筑师考试每日一练及答案解析(12月15日)2025-12-15
- 2026年注册一级建筑师考试每日一练及答案解析(12月8日)2025-12-08
- 2026年一级注册建筑师资格考试每日一练及答案解析(11月28日)2025-11-28
- 2026年一级注册建筑师考试每日一练及答案解析(11月24日)2025-11-24
- 2026年一级注册建筑师每日一练及答案解析(11月7日)2025-11-07