一级建筑师建筑结构考试模拟试题精选三
21. 大型屋面板的肋或有檩屋盖的檩条,通常是搁置在屋架上弦的节点处,这是基 于下列哪一种考虑?
A 与屋架上弦的连接较方便
B 可避免屋架上弦产生附加弯曲力矩
C 可减少屋架腹杆的内力
D 可减少屋架下弦杆中点的挠度
提示: 当屋架荷载作用在屋架上弦的节点处时,整个屋架可简化为桁架结构, 各杆只产生轴力,而没有附加弯矩。
答案:B
22. 如图所示外伸梁,荷载户的大小不变,以下几种说法中哪个对?
A A处支反力大于B处支反力
B A处支反力为零
C 两处支反力均向上
D 荷载P向左移时,B处支反力变小
提示:由静力学平衡方程可求出A处支反力向下,大小为bP/a;B处支反力向上, 大小为(a+b)P/a,当P左移时b变小,故B处支反力变小。
答案:D
23. 外伸梁受力如图所示,为了不使支座A产生垂直反力,集中荷载P的值应为( )kN。
A 12
B 10
C 8
D 6
提示:设置RA=0,根据∑MB=0,可得:
4P=8 × 1.5 ×4, P=12kN
答案:A
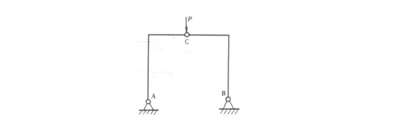
24. 图示三铰刚架在集中荷载P的作用下水平反力XA和XB各等于多少?
A XA=XB=0
B XA≠0, XB =0
C XA=0, XB ≠0
p XA = XB≠0
提示:取整体静力平衡,可知水平力XA = XB ,竖
向力YA和YB不是零。再取左部分AC为研究对象,
由∑MC=0,可知XA≠0。
答案:D
25. 具有拉杆的拱与不设拉杆的拱相比,其主要优点是什么?
A 消除对支座的推力
B 造型美观
C 施工方便
D 内力变小
提示:拱在竖向荷载作用下产生水平支座反力。水平拉杆的设置可以提供水平
拉力,从而消除支座受到的水平推力作用。
答案:A
26. 在下列关于构造柱主要作用的叙述中,哪一项是正确的?
A 减少多层砌体房屋的不均匀沉降
B 提高墙体的强度
C 提高房屋的承载力
D 改善砌体的变形能力
提示:构造柱与圈梁连接共同工作,可对砌体起约束作用,提高砌体的变形能
力,此外构造柱还能提高砌体的抗剪强度。
答案:D
27. 普通黏土烧结砖的强度等级是根据以下哪种强度划分的?
A 抗拉强度
B 抗压强度
C 抗弯强度
D 抗压强度与抗折强度
提示:对于烧结普通砖系根据其抗压强度与抗折强度来划分强度等级。
答案:D
28. 下述关于多层刚性方案砌体承重外墙在竖向荷载作用下的计算简图,哪一项是
正确的?
A 竖向多跨连续梁
B 竖向多跨简支梁
C 与基础固接,与各层楼盖铰支的竖向构件
D 与基础和屋盖固接,与各层楼盖铰支的竖向构件 :
提示:在竖向荷载作用下, 多层刚性方案房屋的承重外纵墙的计算简图可近似{
简化为多跨简支梁(即将每层取作简支梁)。
答案:B
29. 砌体墙柱的允许高厚比在下列几项中,主要与哪一项因素有关?
A 块体的强度等级
B 砂浆的强度等级
C 墙柱所受的荷载大小
D 墙体的长度、
提示:砌体墙柱的允许高厚比主要与砂浆的强度等级有关。
答案:B
30. 一根普通钢筋混凝土梁,已知: I.混凝土和钢筋的强度等级; Ⅱ.截面尺寸;
Ⅲ.纵向受拉钢筋的直径和根数;Ⅳ.纵向受压钢筋的直径和根数;V.箍筋的直径、间距和肢数;Ⅵ.保护层厚度。在确定其斜截面受剪承载力时,应考虑上述哪些因素?
A I、 Ⅱ、 Ⅲ、Ⅳ
B I、 Ⅱ、 Ⅲ、Ⅳ、V
C I、 Ⅱ、V、Ⅵ
D I、 Ⅱ、 Ⅲ、Ⅳ、V、Ⅵ
提示:根据《混凝土结构设计规范》 (GB 50010―2002)第7.5.5条及7.5.4条,对于矩形、T形和工字形截面梁, 当同时配有箍筋和弯起钢筋时,其斜截面受剪承载力按下式计算:![]()
式中 V ――配置弯起钢筋处的剪力设计值;
Vcs一一构件斜截面上混凝土和箍筋的受剪承载力设计值;
fy――普通钢筋抗拉强度设计值;
Asb――同一弯起平面内的弯起钢筋的截面面积;
α s――斜截面上弯起钢筋的切线与构件纵向轴线的夹角;
ft――混凝土轴心抗拉强度设计值; ,
b――截面宽度;
h0――截面有效高度;
fyv――箍筋抗拉强度设计值;
Asv――配置在同一截面内箍筋各肢的全部截面面积;
s――沿构件长度方向箍筋的间距。
上式表示梁截面抗剪能力由混凝土、箍筋、弯起钢筋三部分组成。斜截面
受剪承载能力与题中I、 Ⅱ、V、Ⅵ项有关,而与Ⅲ、Ⅳ项无关。
答案:C
最新资讯
- 2026一级建筑师《建筑经济、施工与设计业务管理》每周15题(2月第1周)2026-02-06
- 2026一级建筑师《建筑材料与构造》精华模拟题15题(1月更新)2026-02-02
- 2026年一级建筑师每日一练及答案解析汇总(1月23日)2026-01-23
- 2026年一级注册建筑师考试每日一练及答案解析(12月26日)2025-12-26
- 2026年一级注册建筑师考试每日一练及答案解析(12月23日)2025-12-23
- 2026年一级注册建筑师考试每日一练及答案解析(12月15日)2025-12-15
- 2026年注册一级建筑师考试每日一练及答案解析(12月8日)2025-12-08
- 2026年一级注册建筑师资格考试每日一练及答案解析(11月28日)2025-11-28
- 2026年一级注册建筑师考试每日一练及答案解析(11月24日)2025-11-24
- 2026年一级注册建筑师每日一练及答案解析(11月7日)2025-11-07