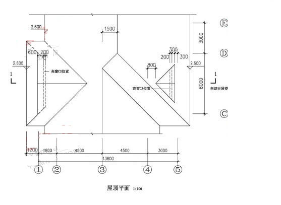
2005年一级建筑师考试技术设计作图(剖面)真题
更新时间:2014-03-10 10:46:13
来源:|0
浏览
收藏
一级建筑师报名、考试、查分时间 免费短信提醒
摘要 2005年一级建筑师考试技术设计作图(剖面)真题,供广大考友练习提高。

编辑推荐:

编辑推荐:

编辑推荐:

编辑推荐:

编辑推荐:

编辑推荐:
编辑推荐
最新资讯
- 【含解析】2025一级建筑师《建筑结构、建筑物理与设备》真题及答案2025-05-22
- 考后发布:2025年一级建筑师《建筑结构、建筑物理与设备》真题答案2025-05-21
- 详解已出!2025年一级建筑师《设计前期与场地设计》真题答案免费分享2025-05-19
- 2025年一级建筑师《设计前期与场地设计》真题答案(31-40题)2025-05-17
- 2025年一级建筑师《设计前期与场地设计》真题答案(21-30题)2025-05-17
- 2025年一级建筑师《设计前期与场地设计》真题答案(11-20题)2025-05-17
- 2025年一级建筑师《设计前期与场地设计》真题答案(1-10题)2025-05-17
- 2025年一级建筑师《设计前期与场地设计》考试真题及答案(图片版)2025-05-17
- 考后发布:2025年一级建筑师《设计前期与场地设计》考试真题及答案2025-05-17
- 抢先:2025年一级建筑师《建筑结构、建筑物理与设备》真题答案2025-05-17