一级建筑师考试建筑结构辅导讲义3
第二节 多层与高层建筑结构体系
9层及9层以下为多层建筑,10层及10层以上或高度超过
一、多层砌体结构
(一)概述
1.混合结构房屋是指同一房屋结构体系中,采用两种或两种以上不同材料组成的承重结构体系。
2.砖砌体结构是指由钢筋混凝土楼(屋)盖和砖墙承重的结构体系(亦称砖混结 构)。
3.砌体结构一般是指采用钢筋混凝土楼(屋)盖和用砖或其他块体(如:混凝土砌块)砌筑的承重墙组成的结构体系。
4.过去曾有过用木楼(屋)盖与砖墙承重的结构体系,称为砖木结构。目前已很少采用。
(二)砌体结构的优缺点和应用范围
1.主要优点
(1)主要承重结构(承重墙)是用砖(或其他块体)砌筑而成的,这种材料任何地区都有,便于就地取材。常用的墙体材料有:a.烧结普通砖:黏土砖、煤矸石砖、页岩砖、煤矸石页岩砖;b.烧结多孔砖:黏土多孔砖(P型、M型)、煤矸石多孔砖、页岩多孔砖;c.蒸压灰砂砖、蒸压粉煤灰砖;d.混凝土小型空心砌块。
(2)墙体既是围护和分隔的需要,又可作为承重结构,一举两得。
(3)多层房屋的纵横墙体布置一般很容易达到刚性方案的构造要求,故砌体结构的刚度较大。
(4)施工比较简单,进度快,技术要求低,施工设备简单。
2.主要缺点
(1)砌体强度比混凝土强度低得多,故建造房屋的层数有限,一般不超过7层。
(2)砌体是脆性材料,抗压能力尚可,抗拉、抗剪强度都很低,因此抗震性能较差。
(3)多层砌体房屋一般宜采用刚性方案,故其横墙间距受到限制,因此不可能获得较 大的空间,故一般只能用于住宅、普通办公楼、学校、小型医院等民用建筑以及中小型工 业建筑。
(三)砖砌体房屋的墙体布置方案
1.横墙承重方案
楼层的荷载通过板梁传至横墙,横墙作为主要承重竖向构件,纵墙仅起围护、分隔、 自承重及形成整体作用。
优点:横墙较密,房屋横向刚度较大,整体刚度好。外纵墙不是承重墙立面处理比较 方便,可以开设较大的门窗洞口。抗震性能较好。
缺点:横墙间距较密,房间布置的灵活性差,故多用于宿舍、住宅等居住建筑。
2.纵墙承重方案
其受力特点是:板荷载传给梁,再由梁传给纵墙。这时纵墙是主要承重墙。横墙只承受小部分荷载,横墙的设置主要为了满足房屋刚度和整体性的需要,其间距比较大。
优点:房间的空间可以较大,平面布置比较灵活。
缺点:房屋的刚度较差,纵墙受力集中,纵墙较厚或要加壁柱。
适用于:教学楼、实验室、办公楼、医院等。
3.纵横墙承重方案
根据房间的开间和进深要求,有时需采取纵横墙同时承重的方案。
横墙的间距比纵墙承重方案小。所以房屋的横向刚度比纵墙承重方案有所提高。
4.内框架承重方案
在外墙承重的同时,有一部分内墙采用钢筋混凝土柱代替,以取得较大的空间。
其特点:(1)横墙较少,房屋的空间刚度较差;(2)墙的带形基础与柱的单独柱基沉降不容易一致;(3)钢筋混凝土柱与砖墙的压缩性能不一样,容易造成不均匀变形而产生次应力,当层数较多时,在设计上应给予考虑;(4)以柱代替内承重墙,在使用上可以取得较大的空间。
适用于:教学楼、医院、商店、旅馆等建筑物。
(四)砌体房屋的构造要求
1.要满足墙体的高厚比
(1)砌体结构设计规范规定砖墙(或砖柱)的允许高厚比应按下式验算:(《砌体结构 设计规范》(GB 50003―2001)6.1.1式)

式中 Ho――墙、柱的士博高度,应按《砌体结构设计规范》(GB 50003----1)第5.1.3条采用;
h――墙厚或矩形柱与Ho相对应的边长;
μ1――非承重墙允许高厚比的修正系数;h=240,μ1=1.2;h=90,μ1=1.5。
μ2――有门窗洞口墙允许高厚比的修正系数;μ2=1―0.4bs/s;
bs――在宽度s范围内的门窗洞口总宽度;
s――相邻窗间墙或壁柱之间的距离。
[β]――墙、柱的允许高厚比,应按《砌体结构设计规范》表6.1.1采用,当与墙连 接的相邻两横墙间的距离s≤μ1?μ2?[β]?h时,墙的高度可不受上述限制;
注:①上端为自由端时,墙的允许高厚比,除按上述规定提高外,尚可提高30%;
②对厚度小于
(2)当高厚比不能满足要求时,可采取以下措施:
1)增加墙体厚度;
2)加设壁柱(即墙垛);
3)加设构造柱;
4)减小横墙间距。
2.要注意控制横墙的间距
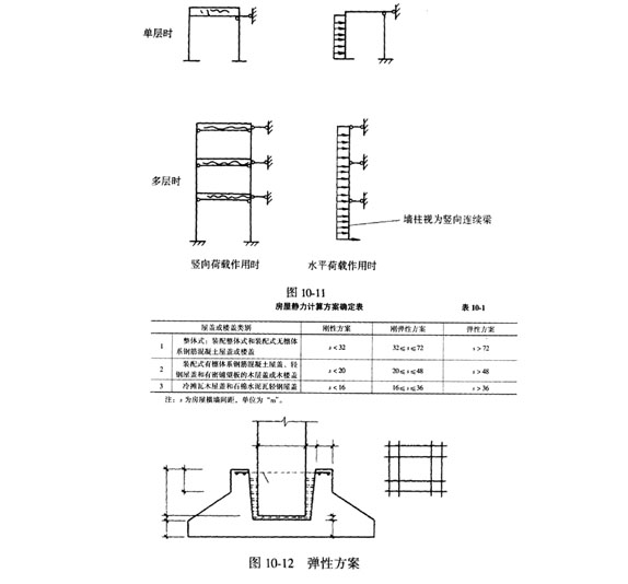
砖砌体房屋的静力计算有三种计算方案(见表10―1):
(1)刚性方案。在荷载作用下,楼层视为墙、柱的不动铰支座。即认为房屋不产生水平位移(见图10-11)。
(2)刚弹性方案。在荷载作用下,楼层视为墙柱可动铰支座,楼盖平面较大,可考虑 空间工作的平面排架或框架计算。其空间影响系数可按《砌体结构设计规范》表4.2.4采用。
(3)弹性方案。房屋在水平力作用下将产生水平位移,房屋的静力计算可按屋架、大 梁与墙(柱)为铰接的不考虑空间工作的平面排架或框架计算(见图10-12)。
3.纵墙尽可能贯通。
4.五层及五层以上房屋的墙,以及受振动或层高大于
(1)砖采用MUl0;
(2)砌块采用MU7.5;
(3)石材采用MU30;
(4)砂浆采用M5。
注:对安全等级为一级或设计使用年限大于50年的房屋,墙、柱所用材料的最低强度等级应至少提高一级。
5.地面以下或防潮层以下的砌体,潮湿房间的墙,所用材料的最低强度等级应符合表10―2的要求。
注:①在冻胀地区,地面以下或防潮层以下的砌体,不宜采用多孔砖,如采用时,其孔洞应用水泥砂浆灌实。当采用混凝土砌块砌体时,其孔洞应采用强度等级不低于Cb20的混凝土灌实;
②对安全等级为一级或设计使用年限大于50年的房屋,表中材料强度等级应至少提高一级,
6.承重的独立砖柱截面尺寸不应小于240mmX
注:当有振动荷载时,墙、柱不宜采用毛石砌体。
7.跨度大于
(1)对砖砌体为4.
(2)对砌块和料石砌体为4.
(3)对毛石砌体为3.
8.当梁跨度大于或等于下列数值时,其支承处宜加设壁柱,或采取其他加强措施;
(1)对
最新资讯
- 2026一级建筑师教材重大变动必看,附历年真题解析考前必练2026-03-20
- 【免费下载】2026一级建筑师《建筑设计》1月份重要知识点汇总2026-02-02
- 2026一级注册建筑师考试《设计前期与场地设计》12月核心知识点总结2025-12-30
- 2026年一级建筑师《建筑经济施工与设计业务管理》考点2025-12-01
- 2026年一级建筑师《建筑材料与构造》考点:地基与基础2025-11-04
- 2026年一级建筑师高频考点:关于不稳定传热2025-10-07
- 2026年一级建筑师高频考点:建筑材料的分类2025-10-02
- 2026年一级建筑师《建筑设计》考点:公共建筑的总体环境布局2025-09-28
- 2026年一级建筑师《设计前期与场地设计》考点:城乡规划2025-09-24
- 2026年一级建筑师《设计前期与场地设计》高频考点:民用建筑选址2025-09-07